Найти в Дзене
Электронщик

Схема подключения пускателя через терморегулятор

Бытовые обогревательные приборы получили в настоящее время довольно широкое распространение. Для удобства использования и обеспечения стабильной и комфортной температуры в помещении их стали использовать совместно с терморегуляторами. Купив такую систему устройств, покупатель сразу же предстает перед проблемой как их подключить?
Не всегда их мощность расположена в диапазоне допустимой мощности тер
Оглавление

Бытовые обогревательные приборы получили в настоящее время довольно широкое распространение. Для удобства использования и обеспечения стабильной и комфортной температуры в помещении их стали использовать совместно с терморегуляторами. Купив такую систему устройств, покупатель сразу же предстает перед проблемой как их подключить?

Не всегда их мощность расположена в диапазоне допустимой мощности терморегуляторов. Поэтому подключение отопительных приборов к устройствам, реагирующим на изменение температуры,производиться через специальные аппараты, которые называют пускателями.

Что это за приборы и принцип их действия?

Электромагнитным пускателем называют реле или специальный выключатель, который рассчитан на управление большими токами.

Принцип его действия достаточно прост. Подача даже тока не большой мощности на управляющую клемму, связанную с магнитной катушкой,обеспечивает втягивание последней собственного сердечника. Это механическое движение производит смыкание и размыкание разных групп контактов пускателя. Используется это устройство зачастую в тех случаях, когда необходимо управлять обогревательным прибором с токовыми нагрузками большой величины.

Работает цепь этих устройств следующим образом. Когда срабатывает механический термостат, ток подается на управляющую клемму, через которую в свою очередь происходит подключение нагрузки – непосредственно отопительного прибора.

Когда температура воздуха в помещении достигает установленного на терморегуляторе предела, цепь размыкается и пускатель производит отключение отопительного прибора.

Существует несколько схем подключения этих устройств. Выбор той или иной зависит от конкретной ситуации, так как существует множество способов применения механического термостата.

Необходимо отметить, что существует масса разнообразных с технической точки зрения и разных по принципу действия терморегуляторов. Поэтому, какая бы схема не использовалась для организации подключения отопительного электроприбора после монтажа цепочки устройств обеспечивающих их функционирование в заданном режиме необходимо производить калибровку.

Осуществляется она в два этапа. Первоначально производится приблизительная настройка, как говорится «на глазок», а впоследствии уже точная с применением измерительных приборов.

Пример схемы монтажа системы «термореле-пускатель-нагревательный прибор» и ее описание

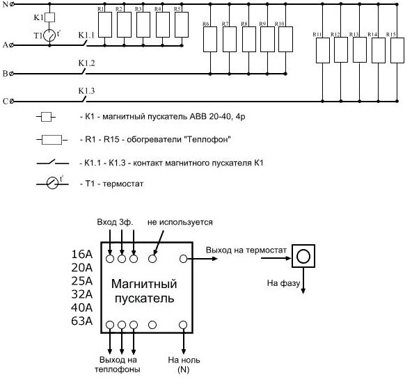
Схема подключения к трехфазной сети системы обогревателей «теплофон»

Между первой фазой и нулевым проводом в последовательном порядке включается терморегулятор и катушка пускателя, на схеме обозначены Т1 и К1 соответственно. Подключение элементов нагревателя осуществляется равномерно между всеми фазами и нулевым проводом через контакты пускателя в разомкнутом состоянии, на схеме отображены - К1.1-К1.3. В этом схематическом примере подключения выбран пускатель марки АВВ 20-40, 4р.

Схема эта работает следующим образом

При приближении уровня температуры в обогреваемом помещении к установленному на терморегуляторе и ориентированному на включение значению, он срабатывает и приводит в действие пускатель, который в свою очередь подключает к электросети нагревательные элементы. После достижения температурой воздуха, в помещении установленного на терморегуляторе верхнего ее значения он выключается, отключая от питания пускатель, после срабатывания, которого происходит обесточивание нагревательных элементов.

Существует большое количество разнообразных терморегуляторов, как больших, так и очень маленьких, но их коммутируемая мощность не превышает двух киловатт. Поэтому самым оптимальным в такой ситуации есть использование в этой цепи устройств, между терморегулятором и пускателем электронного блочка, предназначенного для управления пускателем. Это предоставит возможность подключать к пускателю нагревательные элементы, мощность которых может превышать 1,5 кВт.

Схема такого подключения

-2

Работает такая схемка следующим образом.

Когда срабатывает терморегулятор, электронный сигнал заходит в мощный транзисторный ключ, принцип работы которого основан на биполярных технологиях. При этом в коллекторную цепь включено электронное реле. Для примера, это может быть РЭС-9. Запитывается вся эта схема от нестабилизированного источника, который собран на базе трансформатора Т1 и выпрямителей VD1-VD4.

Собрав блок регулировки–коммутации нужно вначале осуществить проверку правильности монтажа, и только после этого приступать к настройке системы целиком. Если она собрана безошибочно, наладочные работы не потребуются.

Необходимо отметить, что важным при настройке нужно правильно установить опорное напряжение компаратора (это устройство сравнения), которое соответствует желаемой температуре срабатывания.

Пишите комментарии, дополнения к статье, может я что-то пропустил. Загляните на карту сайта Электронщик, буду рад если вы найдете на моем сайте еще что-нибудь полезное.