Найти в Дзене

Насос для повышения давления воды в квартире или частном доме: виды, правила выбора и популярные модели

На высоких этажах часто возникает проблема: снижается напор в трубопроводе или пропадает вода. Если отсутствуют поломки и не ведутся ремонтные работы на объекте, причиной является интенсивная эксплуатация сантехнических приборов разными пользователями. В частных домах тоже возникают перебои в работе системы водоснабжения. Устранить данную проблему может насос для повышения давления воды.
Оглавление

На высоких этажах часто возникает проблема: снижается напор в трубопроводе или пропадает вода. Если отсутствуют поломки и не ведутся ремонтные работы на объекте, причиной является интенсивная эксплуатация сантехнических приборов разными пользователями. В частных домах тоже возникают перебои в работе системы водоснабжения. Устранить данную проблему может насос для повышения давления воды. Благодаря ему водоснабжение функционирует одинаково эффективно в разное время суток.

Если в водопроводе снижается напор воды, рекомендуется установить насос для повышения давления.

Нормативы параметров водоснабжения

Чтобы понимать, насколько сильно изменился напор воды в доме/квартире, следует ориентироваться на показатели, регламентируемые СНиП 2.04.2-84:

  • на первом этаже минимально допустимое давление – 1 бар (атм), за счет чего вода поднимается на 10 м;
  • нормы для многоквартирных домов: по мере увеличения этажности к указанному показателю добавляется 0,4 бар, что позволит дополнительно увеличить вылет струи на 4 м вверх, например, для 5-этажного дома достаточным является давление, соответствующее 3 атм;
  • для частных домов показатели ниже: для одноэтажных построек предусматривается давление 1 бар, т. к. их высота не превышает 10 м, если же дом выше (2, 3 или более этажей), для увеличения напора воды рекомендуется использовать повысительный насос, который будет обеспечивать 2 бара.

Давление в водопроводе не может быть постоянным. По этой причине ориентироваться следует на диапазон допустимых значений данного параметра:

  • для холодной воды: от 0,3 до 6 атм;
  • для горячей воды: 0,3-4,5 атм.

Причины слабого напора

Если сразу после сдачи объекта в эксплуатацию или по мере пользования водой отмечается снижение напора, следует искать вероятный фактор, это:

-2

Причины слабого напора воды.

  • невысокая пропускная способность труб, что может быть обусловлено установкой неподходящих по диаметру коммуникаций или естественными причинами – увеличением толщины нароста внутри труб, за счет чего уменьшается их просвет, в результате понижается давление;
  • загрязнение фильтра, расположенного на вводе в объект, что создает препятствие для тока жидкости по водопроводу;
  • поломка запорной арматуры или же установка бракованных деталей при монтаже трубопровода;
  • появление протечек: вследствие длительной/неправильной эксплуатации или по причине допущения ошибок при монтаже;
  • нарушение норм подачи воды на объект, виной тому халатность компании, обслуживающей водопровод.

Повысительная насосная станция водоснабжения устанавливается только после того, как были исключены все перечисленные факторы, а проблема осталась.

В многоэтажках

Наиболее распространенной причиной снижения давления в данном случае является подключение неучтенных при проектировании системы водоснабжения потребителей. Это происходит, когда в многоквартирном доме переоборудуется жилая квартира в нежилое помещение, чтобы открыть парикмахерскую или реализовать другой проект. В результате возрастает нагрузка на оборудование, которое не рассчитано на более высокое давление. Техника может перегреваться, что приведет к более сложным проблемам. Может потребоваться замена подкачивающего насоса.

-3

В многоэтажных домах причиной является не качественная подготовка воды к потребителю.

Еще одной распространенной причиной снижения давления является недостаточно качественная подготовка воды для подачи к потребителю. В данном случае более активно происходит отложение химических соединений на стенках коммуникаций, что приводит к уменьшению внутреннего просвета. Если другие негативные факторы не были выявлены, предполагается периодическое отключение насосов поставщиком. Это делается с целью снижения расхода воды.

В частном доме

Проблемы в работе системы водоснабжения чаще наблюдаются, если на участке обустроены скважина, колодец. В этом случае причин снижения давления намного больше:

  • засорение фильтра на входе оборудования;
  • произошло заиливание гидротехнического сооружения;
  • насос не соответствует параметрам скважины/колодца;
  • не установлен гидроаккумулятор (данный узел способствует нормализации давления);
  • образовалась течь на одном из участков трубопровода.

Кроме того, снижение давления может происходить вследствие образования воздушной пробки, например, если водяная помпа своевременно не отключилась и продолжала закачивать воздух. При этом вода может перестать подаваться к сантехническим приборам. Ошибки при монтаже трубопровода – еще один негативный фактор. В этом случае трубы укладываются с нарушением уклона.

Какой насос установить

В зависимости от типа объекта (частный дом, многоквартирная постройка) делается выбор оборудования:

-4

Выбор насоса.

  • Техника, встраиваемая в трубу. Такой вариант подойдет для квартиры или коттеджа, когда нужно увеличить напор, если глубинный насос в скважине не справляется со своей задачей, при этом встраиваемый агрегат отличается компактными габаритами, малым весом и влияет на систему водоснабжения не интенсивно.
  • Насосная станция, оснащенная гидроаккумулятором, обратным клапаном, фильтром. Такая разновидность оборудования может применяться для коттеджа, дачи, загородного жилья, устанавливается агрегат неподалеку от гидротехнического сооружения на участке.

При выборе такой техники учитывают ряд параметров:

  • способ установки;
  • уровень шума, что важно для квартиры и частного жилья, например, проточные компактные устройства (для врезки в трубу) работают тихо, тогда как насосные станции функционируют громко;
  • производительность: это наиболее важный параметр, т. к. от него зависит, будет ли оборудование обеспечивать нужды потребителя, например, если приобрести насос, который характеризуется небольшой производительностью, то на верхних этажах частного жилья воды не будет, а в многоквартирных постройках эффект, обеспечиваемый подобными устройствами, тоже останется незамеченным.

Способ управления

Бытовые насосы делятся на 2 типа, отличных по принципу работы:

  • ручное управление;
  • автоматические агрегаты.

Первый из вариантов неудобен при эксплуатации. Такие агрегаты функционируют в течение ограниченного по времени периода. Подходят подобные устройства для случаев, когда вода к потребителю поступает из емкостей. Включаются насосы вручную, затем отключаются. Нужно постоянно следить, чтобы емкость была заполнена. Если устройство будет работать постоянно, есть риск перегрева техники, а дополнительно к тому будет происходить перерасход воды.

-5

Способ управления.

Повысительные насосы работают в автоматическом режиме. Они обеспечивают достаточное давление в системе благодаря различным датчикам. При снижении давления оборудование включается, что приводит к восстановлению основных показателей водоснабжения. Контролировать процесс функционирования этого агрегата не нужно.

Он установлен для поддержания достаточного давления, а когда основные показатели возрастают, например, если перекрывается вся запорная арматура, оборудование отключается, что позволяет избежать поломки.

Различия в конструкции

Для водопровода подбирают нагнетательное насосное оборудование с учетом целевого назначения. Так, для установки в квартире применяют циркуляционные агрегаты. Если необходимо обеспечить подъем воды с глубины скважины, применяют всасывающие устройства. Они достаточно эффективны, чтобы использоваться при обустройстве гидротехнического сооружения.

Основным узлом насосов первой группы является роторная крыльчатка. Подобные агрегаты функционируют по принципу захвата воды лопастями. При этом поток воды набирает скорость, в результате увеличивается проходимость труб, что позволяет изменить давление в большую сторону. Такие насосы работают тихо, что важно при установке оборудования в квартире. Однако их отличает невысокая производительность. Значит, целесообразно устанавливать данную разновидность устройства, если скачки давления небольшие.

Самовсасывающие агрегаты для подъема воды тоже работают на основе двигателя. Чем выше скорость вращения вала, тем больше производительность агрегата. Такие устройства часто используются в составе станций.

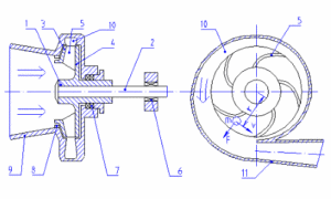
Схема работы всасывающего насоса

-6

Схема работы всасывающего насоса.

В основе работы разных видов агрегатов – способность создавать разрежение воздуха. Причем важно обеспечить необходимые условия в области, где расположен впускной клапан. Так, требуемый эффект достигается благодаря скоростному движению крыльчатки.

За счет вращения рабочего колеса возникает центробежная сила. Она способствует выталкиванию воды от центра камеры к ее периферийным участкам.

В результате создается повышенное давление, способствующее продвижению воды от выпускного клапана по трубе. Когда жидкость попадает в трубопровод, в корпусе давление снижается, что способствует всасыванию воды. Данный процесс развивается непрерывно.

Особенности насосных станций

Так называется комплекс оборудования, куда входит несколько основных узлов: непосредственно насос, система водоочистки, накопительный бак. Последний отличается надежной конструкцией: корпус из нержавейки, внутри пластичная мембрана. Конструкция совершенствуется благодаря датчику давления.

Производительность насосной станции определяется характеристиками гидроаккумулятора, внутри которого в одной из частей содержится газообразная среда. Когда в другую часть поступает вода, мембрана изгибается. Регулировка давления происходит благодаря балансировке разных по структуре сред. Предотвращает возвратное движение жидкости из системы обратный клапан. Управление станцией осуществляется при участии реле давления.

Подбор мощности

-7

Мощность насоса.

Выбранный агрегат должен соответствовать условиям эксплуатации по производительности. Однако важно, чтобы его можно было подключить к источнику питания. В бытовых условиях используются однофазные устройства. Чем больше мощность, тем выше производительность агрегата. В данном случае насос приобретает способность сильнее разгонять рабочий вал, что приведет к увеличению возможностей устройства.

Следует учитывать, что мощность, а вместе с тем и производительность, агрегата зависят от задач, которые планируется решать. Так, если требуется организовать обслуживание разной бытовой техники – стиральной, посудомоечной машин, – понадобится мощная модель. Для подачи воды к минимальному количеству сантехнических приборов достаточно более простого по свойствам устройства.

Установка насоса

В квартире при выборе места для монтажа агрегата учитывают интенсивность шума. Часто установка выполняется внутри кухонного шкафа, например, под мойкой. В ванной тоже может быть расположен такой насос. Его защищают резиновыми прокладками снаружи, если в некоторых местах агрегат соприкасается со стеной, коммуникациями. Это позволит снизить уровень шума.

Монтаж насоса для подачи воды в частный дом выполняется на участке, который располагается как можно ближе к скважине. Оборудование устанавливают в приямке или кессоне (утопленная в грунт площадка в точке выхода обсадной трубы на поверхность земли). Кроме того, есть и другие возможности для монтажа насоса:

-8

Установка насоса.

  • в подвале дома, однако существенное удаление агрегата от гидротехнического сооружения способствует снижению производительности;
  • в отдельной постройке на участке между домом и скважиной.

При монтаже насоса на улице составляется схема прокладки подводящих и отводящих коммуникаций.

Известные модели

Некоторые агрегаты используются чаще прочих, что обусловлено низким уровнем энергопотребления, достаточной производительностью. К таковым относятся:

  • Grundfos UPA 15-90 (N) – повысительный насос, выпускается в корпусе из нержавеющей стали. Преимуществом является невысокий уровень шума, есть возможность менять режимы: ручной, автоматический. Агрегат рекомендован к установке на входе бытовой техники: водонагревателя, стиральной машины и др. Мощность небольшая – 0,11 кВт. Насос может работать с жидкостями, температура которых не превышает +60°С. К положительным качествам можно отнести способность обеспечивать сильный напор при минимальном давлении.
  • Wilo PB-201EA. Это поверхностный центробежный насос. Предназначен для перекачивания чистой воды. Мощность устройства составляет 0,34 кВт. При этом агрегат может поднять воду на 15 м в высоту. Производительность существенная – 3300 л/ч. Недостатком является хрупкий корпус – выполнен из пластика. По уровню шума данная модель несколько уступает выше рассмотренному аналогу.
  • Jeelex Jambo 70/50 Н-50 Н. Это насосная станция. Оснащена гидроаккумулятором объемом 24 л. Функционирует в автоматическом режиме: срабатывает при снижении давления в системе и отключается, когда показатель нормализовался. Производительность – 70 л в минуту. Преимуществом является способность поднять воду с высоты до 50 м. Корпус насоса выполнен из нержавейки, накопительный бак – из углеродистой стали.

Таким образом, при сравнении разных моделей повысительных агрегатов рекомендуется обращать внимание на основные параметры: производительность, мощность. Вместе с тем необходимо узнать, предусмотрена ли защита от сухого хода. Лучше приобретать модели с датчиком потока. Это позволит агрегату работать в автоматическом режиме, а также предотвратить переход на сухой ход.

Источник: https://vodasovet.ru/nasos/nasos-dlya-povysheniya-davleniya-vody