Добавить в корзинуПозвонить
Найти в Дзене
Электронщик

Как правильно установить трансформаторы тока?

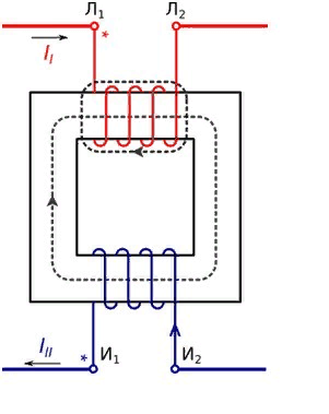
Трансформаторы тока (ТТ) применяются в энергетике, в качестве преобразователей в измерительных схемах и в релейной защите. Гальваническая развязка вторичной и первичной обмотки ТТ позволяет безопасно измерить силу проходящего тока. Рис. 1 Первичная обмотка ТТ включается в разрыв измеряемой линии (Рис. 1). Проходящей по первичной обмотке ток производит магнитный поток, который в свою очередь наводит ток во вторичной. Начало и конец первичной и вторичной обмотки обозначены как Л1, Л2 и И1, И2 соответственно. Величина тока вторичной обмотки определяется коэффициентом трансформации ТТ. Если в первичной обмотке ток течет от начала к концу, то во вторичной направление будет обратным. Нормальным режимом ТТ считается наличие короткого замыкание на вторичной обмотке (подключение реле или измерительного прибора с небольшим внутренним сопротивлением). При разомкнутых выводах, на вторичной обмотке наводится большое опасное напряжение. Также при холостом ходе ТТ, происходит значительный нагрев
Оглавление

Трансформаторы тока (ТТ) применяются в энергетике, в качестве преобразователей в измерительных схемах и в релейной защите.

Гальваническая развязка вторичной и первичной обмотки ТТ позволяет безопасно измерить силу проходящего тока.

Рис. 1

Первичная обмотка ТТ включается в разрыв измеряемой линии (Рис. 1). Проходящей по первичной обмотке ток производит магнитный поток, который в свою очередь наводит ток во вторичной. Начало и конец первичной и вторичной обмотки обозначены как Л1, Л2 и И1, И2 соответственно. Величина тока вторичной обмотки определяется коэффициентом трансформации ТТ. Если в первичной обмотке ток течет от начала к концу, то во вторичной направление будет обратным.

Нормальным режимом ТТ считается наличие короткого замыкание на вторичной обмотке (подключение реле или измерительного прибора с небольшим внутренним сопротивлением). При разомкнутых выводах, на вторичной обмотке наводится большое опасное напряжение. Также при холостом ходе ТТ, происходит значительный нагрев сердечника, приводящий к повреждению изоляции.

Подключение ТТ к линии определяется конструкцией самого измерительного трансформатора.

ТТ с многовитковой первичной обмоткой устанавливаются в рассечку измеряемой линии.

Многовитковые трансформаторы тока делятся на стержневые (представляющие собой «классический» трансформатора с магнитопроводом), петлевые и звеньевые, где первичная обмотка содержит несколько витков внутри катушки вторичной (Рис.2).

-2

Рис. 2

ОдновитковыеТТ подразделяются на трансформаторы без собственной первичной обмотки, в качестве которой используется проводник измеряемой линии, и на ТТ ее имеющие.

В одновитковых ТТ без первичной обмотки, измеряемая линия проходит внутри вторичной (Рис. 3). Конструкция последней бывает не разборной, известной как шинная (Рис. 3, а) и разборной (Рис. 3, б).

-3

Рис. 3

В одновитковых ТТ с первичной обмоткой (Рис. 4)  измеряемая линия подключается к собственной катушке трансформатора выполненной в виде прямого (Рис. 4, а)  или U-образного проводника (Рис. 4, б).

-4

Рис. 4

Схемы подключения ТТ, в зависимости от характера реализуемой релейной защиты бывают нескольких видов.

Соединение вторичных обмоток ТТ в полную звезду применяется для защиты от однофазных и многофазных КЗ (Рис. 5). Допустим в первичной обмотке проходит ток, направленный от начала к концу. Тогда во вторичных обмотках проходят токи обратного направления. В нормальных условиях этот ток не достаточен для срабатывания токовых реле КА1-КА3. Ток, проходящий через реле КА0, определяется как геометрическая сумма токов I2A, I2Bи I2Cи равен нулю. При трехфазном КЗ в условиях симметричного замыкания всех фаз срабатывание реле КА0 также не происходит, реле в каждой фазе вызывает отключение. При двухфазном КЗ ток протекает только через две поврежденные фазы (в неповрежденной фазе тока нет). В идеальном случае при полностью идентичных ТТ ток в реле КА0 равен нулю. При замыкании на землю ток протекает через поврежденную фазу и «нулевое» реле КА0.

-5

Рис. 5

Схема включения в неполную звезду применяется, в основном для защиты от межфазных КЗ в линиях с заземленной нейтралью (Рис. 6).При трехфазном коротком замыкании, через обратный провод также проходит ток. При двухфазном КЗ срабатывают, в зависимости от поврежденных фаз одно или два реле. Если произошло замыкание на землю в фазе B, срабатывание какого-либо реле не происходит. Таким образом соединение ТТ в неполной звезде обеспечивает гарантированную защиту только от многофазных КЗ. В связи с этим схема неполной звезды применяется для маломощных сетей, когда имеются другие, дублирующие виды защиты.

-6

Рис. 6

Смешанное соединение – в полную звезду на вторичной обмотке и соединение треугольником на первичных обмотках ТТ (Рис. 7) применяется в дифференциальной защите трансформаторов при таком же соединении его обмоток.

-7

Рис. 7

Работа на КЗ при смешанном соединении аналогична другим схемам.

-8

Рис. 8

В релейной защите от межфазных КЗ применяется встречное соединение вторичных обмоток ТТ (Рис. 8). Ток, проходящий через обмотку КА равен геометрической сумме токов обмоток трансформаторов тока. Данная схема реагирует на все виды коротких замыканий, кроме замыканий на землю. Применяется для реализации защиты трансформаторов на первичных обмотках.

-9

Рис. 9

Для защиты от одно- и двухфазных замыканий на землю применяют схему, где первичный обмотки ТТ соединены в так называемый фильтр нулевой последовательности (рис. 9).

Трансформаторы тока впервые появились в схемах релейной автоматики, когда основным коммутационным элементом были обычные электромеханические реле. Однако, в современных условиях, для цифровых схем управления, ТТ также широко применяются в виду их простоты конструкции и легкости установки.

Пишите комментарии, дополнения к статье, может я что-то пропустил. Загляните на карту сайта Электронщик, буду рад если вы найдете на моем сайте еще что-нибудь полезное. Делитесь информацией в соцсетях, ставьте лайки, если вам понравилось - это поможет развитию канала.