Добавить в корзинуПозвонить
Найти в Дзене
Электронщик

Принцип работы и виды реле времени

Реле времени широко распространены в современных промышленных энергетических установках. Они позволяют управлять, коммутировать исполнительные цепи для реализации какого-либо алгоритма работы оборудования или срабатывания автоматики.
Реле времени можно классифицировать по элементной базе, с помощью которой обеспечивается задержка времени между подачей управляющего сигнала и срабатывания управляемо
Оглавление

Реле времени широко распространены в современных промышленных энергетических установках. Они позволяют управлять, коммутировать исполнительные цепи для реализации какого-либо алгоритма работы оборудования или срабатывания автоматики.

Реле времени можно классифицировать по элементной базе, с помощью которой обеспечивается задержка времени между подачей управляющего сигнала и срабатывания управляемой цепи.

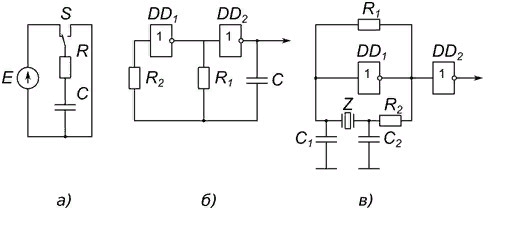
В современных реле времени задержка реализуется таймерами на полупроводниковых элементах. Принцип работы реле заключается в измерении напряжении при заряде конденсатора в RC цепочке (Рис. 1, а).

Рис. 1
Рост напряжения на конденсаторе происходит по экспоненциальному закону и обусловлен величинами сопротивления резистора и конденсатора. Практически, емкость конденсатора не может быть сколько угодно большой, из-за того что также возрастает время разряда, а сопротивление резистора не должно превышать сопротивление печатной платы, т.к. возникает ток утечки увеличивающий нестабильность выдержки интервала времени.

Задержка для одной RC цепочки из-за указанных причин не превышает 25-30 секунд.
Временную задержку также можно получить если подсчитывать импульсы от RC-генератора (частота которого определяется также постоянной времени конденсатора и резистора – Рис.1, б) или от кварцевого генератора (Рис. 1, в). Использования кварцевого генератора предпочтительной по причине высокой стабильности частоты выходного сигнала.

Полупроводниковые реле по количеству циклов работы времязадающей цепочки можно условно разделить на однотактные и многотактные.

-2

Рис. 2
В однотактных реле (Рис. 2), управляющий сигнал преобразуется во входном преобразователе Првх. Преобразование необходимо для согласования уровней напряжения или характера тока (например, если управляющий сигнал переменный, а для запуска реле времени нужен постоянный ток).

Управляющий сигнал запускает блок начальной установки НУ, приводящий исполнительные блоки реле в готовность. Также от блока НУ, осуществляется заряд RC цепочки. Максимальный интервал времени задается переключением одной из многих цепочек на работу в блоке управления диапазоном УД.

Напряжение на конденсаторе сравнивается с опорным в аналоговым компараторе К. При превышение измеряемого напряжения по сравнению с опорным, происходит срабатывание выходного преобразователя ПРвых, запускающего внешние исполнительные силовые цепи. Временный интервал задается в компараторе изменением опорного напряжения.
Как было указано выше однотактные схемы не позволяют получить достаточно большой временной промежуток.
В многотактных схемах используется несколько циклов заряда RC цепочек или тактов работы генератора для задания длительных временных интервалов.

-3

Рис. 3

В многотактных реле времени (Рис. 3) управляющий сигнал от входного преобразователя Првх, поступает на блок сброса Сбр, выполняющий начальную установку цифровых элементов. Генератор Г вырабатывает серию последовательных импульсов, поступающих на блок счетчика Сч. При сравнении количестве импульсов от счетчика с числом, заданным в цифровом компараторе К, происходит срабатывание исполнительной цепи, управляемой выходным преобразователем ПРвых.
Максимальный временный интервал задается изменением частоты генератора, а текущее значение – изменением количества опорного значения в компараторе. Блоки, заключенные в пунктир в микронтроллерных реле времени реализуется программно.
Многотактные реле времени еще не так давно реализовывались на дискретных элементах.

-4

Рис. 4
Упрощенно такое реле включает в себя (Рис. 4) цифровой генератор DT, частота которого задается подключением одной RC-цепочки через переключатель выбора диапазона S1. Импульсы подсчитываются счетчиком СТ. Вместо компаратора в таком реле времени используется многопозиционный переключатель S2, подключающий выводы разрядов от счетчика к управляемой цепи. Начальная установка элементов происходит при подаче сигнала сброса на микросхемы.

Самым распространённым на сегодня типом реле времени в промышленности является реле на микроконтроллере (Рис. 5).

-5

Рис. 5
Алгоритм работы такого реле реализуется программно в центральном узле – микросхеме микронтроллера MCU. Точность работы внутреннего генератора импульсов обеспечивается внешним кварцевым резонатором Z. Блоком кнопок БК, задается управление рабочим процессом микроконтроллера по шине, подключенным к выводам PI0 - PIm, сконфигурированным в программе на вход.

Дисплей индикации ДИ, управляющий ключ К, а через него и реле управления РУ, подключены к выводам, работающим на выход PO1 - PON.

В схемах автоматики, где не требуется высокая точность выдержки по времени, например управление освещением или маломощной нагрузкой, можно применить электромеханические реле времени. Временной промежуток в таком типе реле (Рис. 6) задается с помощью понижения частоты вращения электродвигателя 2 через редуктор 3.

-6

Рис. 6
Сигнал на срабатывание поступает на электромагнит 1, заставляя повернуться планку 4 и через ось 5 произвести сцепления между шестеренками 6. В итоге вращение передается на главную ось 7, на которой расположен диск 8 с упором 9. Расположение упора выбрано так, что через определенный промежуток времени он через кулачок 10 вызывает замыкание контактов исполнительной цепи 11. Точность работы электромеханических реле не превышает 10 – 25 %.


Широкая распространённость реле времени на микроконтроллере, вызывающая вытеснение реле всех других типов обусловлена следующими достоинствами:

  • - низкая цена микросхем микроконтроллеров
  • - возможность изменение алгоритма работы путем обновления управляющий программы, без вмешательства в схему
  • - малые габариты реле
  • - низкое энергопотребление
  • - простое сопряжение с внешними устройствами (реле, полупроводниковыми ключами, устройствами индикации и управления) благодаря цифровым интерфейсам

В будущем следует ожидать повсеместного использования микронтроллеров во всех цепях автоматики в промышленных установках и в бытовом применении.

Пишите комментарии, дополнения к статье, может я что-то пропустил. Загляните на карту сайта Электронщик, буду рад если вы найдете на моем сайте еще что-нибудь полезное. Делитесь информацией в соцсетях, ставьте лайки, если вам понравилось - это поможет развитию канала.