Добавить в корзинуПозвонить
Найти в Дзене
Электронщик

Что внутри у трансформатора

Трансформатор представляет собой устройство для преобразования величины переменного тока или напряжения. В простейшем случае трансформатор состоит из двух гальванически изолированных друг от друга обмоток, помещенных на общий сердечник (Рис.1 ). Обмотка, подключенная к источнику переменного тока называется первичной. Нагрузка подключается к вторичной обмотке трансформатора. Материалом для обмоток служит медные проводники, реже – алюминиевые круглого или прямоугольного сечения. Для трансформаторов, работающих на сетях переменного тока низкой промышленной частоты материалом сердечника служит электротехническая сталь. Рис. 1 Принцип работы трансформатора заключается в том, что проходящий по первичной обмотке ток II создает магнитный поток ФОСН, одинаковый во всем сечении сердечника. Магнитный поток индуцирует во вторичной обмотке токIII и напряжение UII, определяемое соотношением витков в двух обмотках – wIи wII. При прохождении магнитного потока возникают потери в сердечнике на вихре
Оглавление

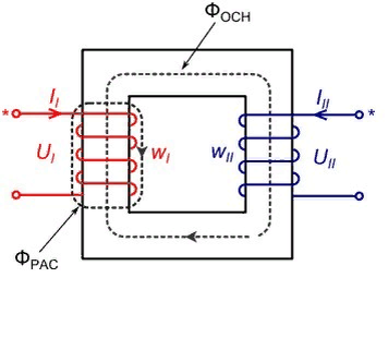
Трансформатор представляет собой устройство для преобразования величины переменного тока или напряжения.

В простейшем случае трансформатор состоит из двух гальванически изолированных друг от друга обмоток, помещенных на общий сердечник (Рис.1 ).

Обмотка, подключенная к источнику переменного тока называется первичной. Нагрузка подключается к вторичной обмотке трансформатора. Материалом для обмоток служит медные проводники, реже – алюминиевые круглого или прямоугольного сечения. Для трансформаторов, работающих на сетях переменного тока низкой промышленной частоты материалом сердечника служит электротехническая сталь.

Рис. 1

Принцип работы трансформатора заключается в том, что проходящий по первичной обмотке ток II создает магнитный поток ФОСН, одинаковый во всем сечении сердечника. Магнитный поток индуцирует во вторичной обмотке токIII и напряжение UII, определяемое соотношением витков в двух обмотках – wIи wII.

При прохождении магнитного потока возникают потери в сердечнике на вихревые токи.

Для их уменьшения магнитопровод собирают из отдельных, изолированных друг от друга пластин с высоким удельным сопротивлением.  Если замыкаются несколько пластин сердечника, вихревые токи приводят к повышению температуры магнитопровода, что может привести к разрушению изоляции обмоток.

Также возникают потери на образовании магнитного поля вне сердечника трансформатора (Рис. 1,ФРАС). Проходящий в первичной обмотке ток вызывает нагрев проводника катушки и снижает КПД работы трансформатора.

Однофазные трансформаторы по типу сердечника разделяются на броневые и стержневые.

На броневых магнитопроводах катушки обмотки установлены на одной оси и закрыты другими полосами сердечника (Рис 2,а).

Такие трансформаторы широко используется при небольшой мощности потребления. В стержневых трансформаторах (Рис 2, б ) катушки охватывают большую часть сердечника. Магнитопроводы трансформатора делают раздельными для уменьшения вихревых токов и стягивают между собой при сборке.

-2

Рис. 2

В зависимости от отношения витков трансформаторы бывают повышающими и понижающими. Также различают сторону подключения высокого и низкого напряжения.

Однофазный трансформатор может работать в режиме холостого хода, короткого замыкания или на нагрузку.

При холостом ходе, вторичная обмотка не подключена, или подключена на нагрузку с большим сопротивлением. Ток в ней равен нулю. Режим холостого хода используется для измерения коэффициента трансформации и величины потерь в магнитопроводе.

Короткое замыкание в трансформаторе получается, если замкнуть выводы вторичной обмотки. При этом возникает падение напряжение в первичной обмотке, а во вторичной напряжение  определяется падением напряжения на сопротивлении обмотки. Режим КЗ используется для измерения величины потерь на обмотках.

Включение трансформатора под нагрузку является рабочим режим трансформатора. При отсутствии перегрузок трансформатор может проработать неограниченно долго.

-3

Рис. 3

Трехфазные трансформаторы можно рассматривать как три отдельных однофазных трансформатора, первичные и вторичные обмотки которых соединены определенным образом – по схеме «звезда» или «треугольник» (Рис 3, первичные обмотки включены «звездой», вторичные – «треугольником»).

Использование соединения «звездой» конструктивно проще и применяется при больших действующих напряжениях при сравнительно малом токе. В обратном случае (при большом токе и малом напряжении) предпочтительней «треугольник». При одинаковой схеме подключения вторичной и первичной обмоток коэффициент трансформации соответствуют коэффициенту одной фазы.

Если используется смешанное подключение коэффициент трансформации будет отличаться от номинального в большую или меньшую сторону, что позволяет изменять напряжение на выводах коммутацией обмоток.

Как правило,трехфазные трансформаторы работают на больших мощностях, что требует дополнительного охлаждения обмоток и сердечника.

-4

Рис. 4

Трехфазный трансформатор (Рис. 4) включает первичные 1 и вторичные обмотки 2, концентрически установленные на общий сердечник. Трансформатор помещен в бак 3, заполненный диэлектрическим охлаждающим маслом. Выводы обмоток изолируются от корпуса бака фарфоровыми изоляторами 4.

Система охлаждения включает в себя несколько труб, соединяющих бак сверху и снизу 5 и расширитель 6. При нагреве трансформатора масло поднимается к верху емкости, охлаждается от окружающей среды и опускается через боковые трубки, вытесняя нагретое масло вверх. Расширитель служит для компенсации повышения объема масла при нагреве. Также на бак трансформатора установлены термометр, а в расширителе  – окно для измерения объема масла.

Трансформаторы широко применяются в современных системах распределения электроэнергии. В бытовом применении, для питания различной электроники, низкочастотные трансформаторы уже почти вытеснены более лучшими высокочастотными.

Пишите комментарии,дополнения к статье, может я что-то пропустил. Загляните на карту сайта Электронщик, буду рад если вы найдете на моем сайте еще что-нибудь полезное.