Найти в Дзене
ДКО Электронщик

Кремниевые фотоэлектронные умножители заменяют традиционные ФЭУ

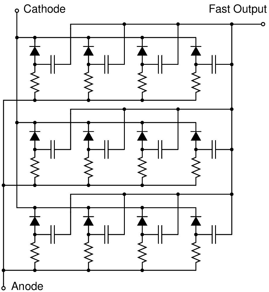
Компания ON Semiconductor предлагает твердотельные кремниевые фотоэлектронные умножители (SiФЭУ) серии C (MicroFC), являющиеся отличной альтернативой традиционным ФЭУ. Новые приборы имеют повышенную механическую прочность, миниатюрные размеры, низкое рабочее напряжение, отличную температурную стабильность, не подвержены влиянию внешних магнитных полей. SiФЭУ представляет собой матрицу фотоприемников на основе p-n-переходов (микроячеек), расположенных на общей подложке и включенных параллельно. Кроме того прибор имеет «быстрый выход» (fast output) к которому подключены все аноды фотодиодов, через емкости и передающий более короткие импульсы, чем снимаемые с нагрузочного резистора в цепи общего анода (рис.1). Твердотельные кремниевые фотоэлектронные умножители MICROFC-30035-SMT-TR1 имеют наибольшую чувствительность синему цвету и перекрывают спектральный диапазон: 300…950 нм (рис. 2). Матрица содержит 4774 микроячеек, которые составляют активную область матрицы размером 3х3 мм. Твердот

Компания ON Semiconductor предлагает твердотельные кремниевые фотоэлектронные умножители (SiФЭУ) серии C (MicroFC), являющиеся отличной альтернативой традиционным ФЭУ. Новые приборы имеют повышенную механическую прочность, миниатюрные размеры, низкое рабочее напряжение, отличную температурную стабильность, не подвержены влиянию внешних магнитных полей.

SiФЭУ представляет собой матрицу фотоприемников на основе p-n-переходов (микроячеек), расположенных на общей подложке и включенных параллельно. Кроме того прибор имеет «быстрый выход» (fast output) к которому подключены все аноды фотодиодов, через емкости и передающий более короткие импульсы, чем снимаемые с нагрузочного резистора в цепи общего анода (рис.1).

Твердотельные кремниевые фотоэлектронные умножители MICROFC-30035-SMT-TR1 имеют наибольшую чувствительность синему цвету и перекрывают спектральный диапазон: 300…950 нм (рис. 2). Матрица содержит 4774 микроячеек, которые составляют активную область матрицы размером 3х3 мм.

Твердотельные кремниевые фотоэлектронные умножители MicroFC найдут применение в рентгеновской технике, ядерной медицине, проборах анализа, биофотонике, физике высоких энергий.

Особенности MICROFC-30035-SMT-TR1:

  • Эффективность регистрации фотонов: 41% при 420 нм;
  • Спектральный диапазон: 300…950 нм;
  • Низкая скорость темнового счета: 300 кГц/мм²;
  • Темновой ток: 154 нА;
  • Высокий коэффициент усиления: 3*106;
  • Температурная стабильность 21.5 мВ/°С;
  • Сверхбыстрое время нарастания 0.6 нс при ширине импульса 1.5 нс на «быстром выходе»;
  • Напряжение пробоя Vbr: 24.2…24.7 В;
  • Напряжение смещения (перенапряжения): 1…5 В;
  • Размер активной области: 3х3 мм;
  • Размер микроячейки: 35 мкм;
  • Количество микроячеек: 4774;
  • Рабочая температура: -40…+85 °С;
  • Корпус для поверхностного монтажа: 4х4 мм

Рис. 1. Упрощенная схема MicroFC-30035
Рис. 1. Упрощенная схема MicroFC-30035

Рис. 2. Спектральная эффективность регистрации фотонов MicroFC-30035
Рис. 2. Спектральная эффективность регистрации фотонов MicroFC-30035

Производители: ON SEMICONDUCTOR

Разделы: Фотоприёмники интегральные