Добавить в корзинуПозвонить
Найти в Дзене
Радист

Радио глушилка для соседа аудиохулигана за 100 рублей

Маленькое устройство, которое помещается на ладони. Достаточно нажать на кнопку, подкрутить подстроечный конденсатор и все радиоприемники в радиусе до 10 метров начинают шипеть! Глушилка будет полезна для тех, кому мешают соседи — радиохулиганы, включающие радиоприемники с утра пораньше на полную громкость. Гарантирую, что себестоимость сборки такой глушилки из россыпи радиодеталей обойдется вам до 100 рублей! Схема глушилки Схема радио глушилки очень проста и содержит минимум радиодеталей. Их потребуется всего четыре! Микросхема К555ЛН1 Самый важный элемент это микросхема К555ЛН1, содержащая шесть логических элементов типа "НЕ". Если не найдете, то можете заменить на КБ555ЛН1-4 или КМ555ЛН1. Так же есть импортный аналог: SN74LS04. Стоимость микросхемы К555ЛН1 на 2019 год составляет всего 22 рубля! Подстроечный конденсатор Подойдет практически любой конденсатор, который сможете найти! Но, нужно экспериментировать, так как именно от диапазона емкостей конденсатора будет зависеть диапаз
Оглавление

Маленькое устройство, которое помещается на ладони. Достаточно нажать на кнопку, подкрутить подстроечный конденсатор и все радиоприемники в радиусе до 10 метров начинают шипеть!

Глушилка будет полезна для тех, кому мешают соседи — радиохулиганы, включающие радиоприемники с утра пораньше на полную громкость.

Гарантирую, что себестоимость сборки такой глушилки из россыпи радиодеталей обойдется вам до 100 рублей!

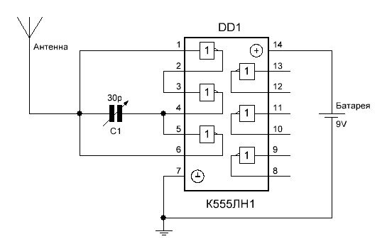
Схема глушилки

Принципиальная схема радиоглушилки на микросхеме К555ЛН1
Принципиальная схема радиоглушилки на микросхеме К555ЛН1

Схема радио глушилки очень проста и содержит минимум радиодеталей. Их потребуется всего четыре!

Микросхема К555ЛН1

Микросхема К555ЛН1. Источник: ЧИП и ДИП
Микросхема К555ЛН1. Источник: ЧИП и ДИП

Самый важный элемент это микросхема К555ЛН1, содержащая шесть логических элементов типа "НЕ". Если не найдете, то можете заменить на КБ555ЛН1-4 или КМ555ЛН1. Так же есть импортный аналог: SN74LS04.

Стоимость микросхемы К555ЛН1 на 2019 год составляет всего 22 рубля!

Подстроечный конденсатор

Подстроечный конденсатор типа КТ4-23. Источник: ЧИП и ДИП
Подстроечный конденсатор типа КТ4-23. Источник: ЧИП и ДИП

Подойдет практически любой конденсатор, который сможете найти! Но, нужно экспериментировать, так как именно от диапазона емкостей конденсатора будет зависеть диапазон генерируемых глушилкой радиочастот.

Я рекомендую конденсатор с емкостями от 3 до 30 пФ. Стоимость конденсатора примерно 30 рублей!

Колодка для батареек

Колодка для батареи типа "Крона". Источник: ЧИП и ДИП
Колодка для батареи типа "Крона". Источник: ЧИП и ДИП

Если вы нашли микросхему К555ЛН1, то ее можно запитать от 9 вольтовой батарейки типа "Крона". Если у вас аналог, например SN74LS04, то питайте ее от 4.5 вольт — 3 батареек типа АА!

Колодка обойдется вам примерно от 12 до 30 рублей!

Батарейка

Элемент питания типа "Крона". Источник: ЧИП и ДИП
Элемент питания типа "Крона". Источник: ЧИП и ДИП

Самая дорогая деталь глушилки, это батарейка! Батарейки желательно использовать не солевые а кислотные (алкалиновые). Стоимость батареек примерно 35 - 60 рублей!

Собираем глушилку

Спаиваем все детали вместе, используя любой изолированный провод, который найдете, но желательно, чтобы это был не тоненький китайский провод. Все соединения старайтесь делать проводом минимально возможной длины.

Вместо антенны используете тот же самый провод, длинной 20 - 30 сантиметров.

Правильно распаянная радио глушилка
Правильно распаянная радио глушилка

Правильно собранная глушилка не требует настройки. Просто подключаете батарейку, включаете ФМ радио и садитесь рядом.

Крутя отверткой подстроечный конденсатор в какой то момент вы услышите, что радио замолкло — значит вы все правильно собрали и глушилка работает!

Если же вы не можете заглушить радио, полностью покрутив туда-сюда подстроечный конденсатор, то сначала проверьте правильность пайки, а затем попробуйте поставить конденсатор на другую емкость.

Оцените статью и подпишитесь на КАНАЛ - ПОДПИСАТЬСЯ

Другие статьи моего блога

Собираем простой металлоискатель для пляжа
Секреты хорошей пайки