Найти в Дзене
Свой Дом

Проект дома 138 кв.м. Перекрытие.

Перекрытие первого этажа выполнено пустотелыми плитами ПК-39 по монолитному поясу (армопоясу), уложенному на последний ряд газобетонных блоков: Проход вентканалов через армопояс: Узлы монолитного пояса МП1, отмеченные на верхнем чертеже: Разрезы по сечениям 1-1 и 2-2 (узлы 3, 4): Ведомость деталей армопояса МП1: В местах, где внутренняя капитальная стена прерывается, плиты опираются на две балки. Балки лежат на закладных в армопоясе и привариваются к ним. Соединяются балки на колонне. Балка 1: Балка 2: На монолитный пояс МП1, он же армопояс, укладываются плиты перекрытия и анкеруются арматурой диаметром 8 мм: Окончание проекта в следующей статье. Начало проекта можно посмотреть здесь: Проект дома площадью 138 квадратных метров, Проект дома 138 кв.м. Второй этаж., Проект дома 138 кв.м. Фундаменты., Проект дома 138 кв.м. Армопояс. Стоимость фундамента. Не забывайте ставить "лайк" и подписываться на канал если вам понравилась статья. Статьи, которые могут быть полезны: Строительная опалуб

Перекрытие первого этажа выполнено пустотелыми плитами ПК-39 по монолитному поясу (армопоясу), уложенному на последний ряд газобетонных блоков:

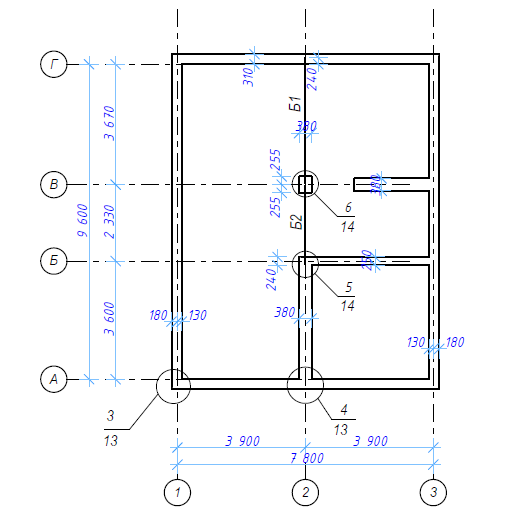
Схема расположения монолитного пояса МП1 и балок на отм. +2,900
Схема расположения монолитного пояса МП1 и балок на отм. +2,900

Проход вентканалов через армопояс:

-2
Спецификация монолитного пояса МП1
Спецификация монолитного пояса МП1

Узлы монолитного пояса МП1, отмеченные на верхнем чертеже:

Узел 3
Узел 3
Узел 4
Узел 4

Разрезы по сечениям 1-1 и 2-2 (узлы 3, 4):

Разрез 1-1
Разрез 1-1
Разрез 2-2
Разрез 2-2

Ведомость деталей армопояса МП1:

-8

В местах, где внутренняя капитальная стена прерывается, плиты опираются на две балки. Балки лежат на закладных в армопоясе и привариваются к ним. Соединяются балки на колонне. Балка 1:

Узел 5 (см. чертеж в начале статьи)
Узел 5 (см. чертеж в начале статьи)
Сечение 1-1 узла 5
Сечение 1-1 узла 5
Балка Б1
Балка Б1
Спецификация на балку Б1 и закладное изделие МН1
Спецификация на балку Б1 и закладное изделие МН1

Балка 2:

Узел 6 (см. чертеж в начале статьи)
Узел 6 (см. чертеж в начале статьи)
Сечение 1-1 узла 6
Сечение 1-1 узла 6
Балка Б2
Балка Б2
Спецификация на балку Б2 и закладное изделие МН2
Спецификация на балку Б2 и закладное изделие МН2
-17

На монолитный пояс МП1, он же армопояс, укладываются плиты перекрытия и анкеруются арматурой диаметром 8 мм:

Схема расположения плит перекрытия на отм. +3,200
Схема расположения плит перекрытия на отм. +3,200
Спецификация к схеме расположения плит
Спецификация к схеме расположения плит

Окончание проекта в следующей статье. Начало проекта можно посмотреть здесь:

Проект дома площадью 138 квадратных метров,

Проект дома 138 кв.м. Второй этаж.,

Проект дома 138 кв.м. Фундаменты.,

Проект дома 138 кв.м. Армопояс. Стоимость фундамента.

Не забывайте ставить "лайк" и подписываться на канал если вам понравилась статья.

Статьи, которые могут быть полезны:

Строительная опалубка

История одной стройки. Как мы строили мансарду.

История одной стройки. Как мы делали проект.