Добавить в корзинуПозвонить
Найти в Дзене
CAD Electric Education

Формирование расчетной схемы выбранного проекта

В качестве примера, для сборки возьмем схему ТЭС с блоками мощьностью 4х300+1х500 МВт (см. рис. 8). Эту же схему будем использовать в последующих видеоуроках по расчету токов короткого замыкания, выбора оборудования и т.д. Исходные данные расматриваемой ТЭС приведены в таблице 1. Теоретическая часть урока была описана в статье: Сборка и формирование расчетной схемы на экране монитора для расчета ТКЗ А теперь давайте соберем полностью схему с самого начала и до момента присваивания номеров узлов с помощью первого практического видеоурока доступного по ссылке ниже "Урок 1 - часть 2. Сборка/формирование расчетной схемы - CAD Electric Education": Ознакомиться со статьей в полном объеме можно на нашем официальном сайте: https://es-cad.ru/short-circuit_current_lesson_1/
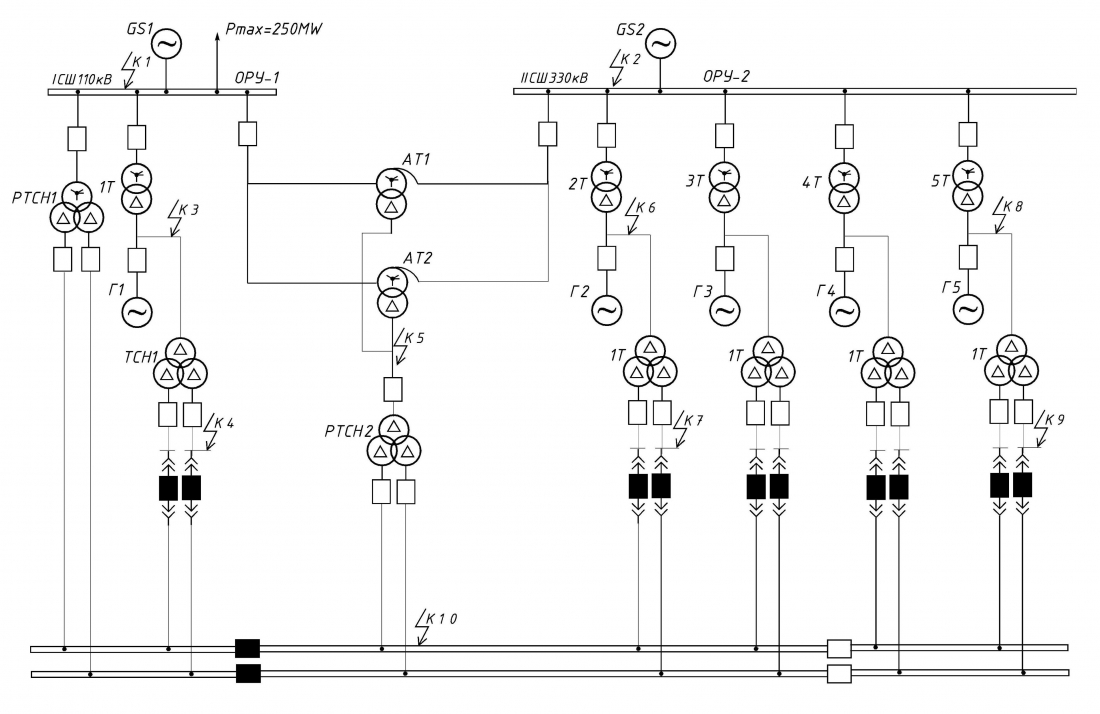
Рис.8.  Схема электрических соединений станции
Рис.8. Схема электрических соединений станции

В качестве примера, для сборки возьмем схему ТЭС с блоками мощьностью 4х300+1х500 МВт (см. рис. 8). Эту же схему будем использовать в последующих видеоуроках по расчету токов короткого замыкания, выбора оборудования и т.д. Исходные данные расматриваемой ТЭС приведены в таблице 1.

Теоретическая часть урока была описана в статье: Сборка и формирование расчетной схемы на экране монитора для расчета ТКЗ

Таблица 1 – Элементы схемы
Таблица 1 – Элементы схемы

А теперь давайте соберем полностью схему с самого начала и до момента присваивания номеров узлов с помощью первого практического видеоурока доступного по ссылке ниже "Урок 1 - часть 2. Сборка/формирование расчетной схемы - CAD Electric Education":

Ознакомиться со статьей в полном объеме можно на нашем официальном сайте: https://es-cad.ru/short-circuit_current_lesson_1/