Добавить в корзинуПозвонить
Найти в Дзене
Вячеслав Калашник

Управляемый мультивибратор на Д-триггере.

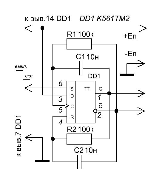
Управляемый мультивибратор на Д-триггере. Существует большое число схем мультивибраторов, но наилучшими параметрами обладают мультивибраторы на основе триггера. Они обладают отличными формами импульсов и небольшой зависимостью изменения частоты от температуры и напряжения питания. Однако такие мультивибраторы начинают работать сразу после подачи напряжения, т.к. не имеют входов управления. Электрическая схема управляемого мультивибратора на Д-триггере представлена на рис.1. Для включения мультивибратора необходимо подать низкий уровень напряжения на выв.6 микросхемы DD1. Для выключения подают высокий уровень напряжения. В исходном состоянии на прямом выходе триггера высокий уровень напряжения, а на инверсном – низкий. Происходит заряд конденсатора С2 через резистор R2, одновременно происходит заряд конденсатора С1 через резистор R1. При достижении напряжения на конденсаторе С2 равного 0,6 Uп триггер переворачивается, в результате на прямом выходе появляется низкий уровень напряже

Управляемый мультивибратор на Д-триггере.

Существует большое число схем мультивибраторов, но наилучшими параметрами обладают мультивибраторы на основе триггера. Они обладают отличными формами импульсов и небольшой зависимостью изменения частоты от температуры и напряжения питания. Однако такие мультивибраторы начинают работать сразу после подачи напряжения, т.к. не имеют входов управления.

Электрическая схема управляемого мультивибратора на Д-триггере представлена на рис.1. Для включения мультивибратора необходимо подать низкий уровень напряжения на выв.6 микросхемы DD1. Для выключения подают высокий уровень напряжения. В исходном состоянии на прямом выходе триггера высокий уровень напряжения, а на инверсном – низкий. Происходит заряд конденсатора С2 через резистор R2, одновременно происходит заряд конденсатора С1 через резистор R1. При достижении напряжения на конденсаторе С2 равного 0,6 Uп триггер переворачивается, в результате на прямом выходе появляется низкий уровень напряжения, а инверсном – высокий. Конденсаторы С1,С2 разряжаются через резисторы R1,R2. Таким образом, цепи заряда и разряда конденсаторов одинаковые (резисторы R1,R2 и выходные сопротивления прямого и инверсного выходов триггера). Когда напряжение на тактовом входе триггера достигает 0,6Uп, высокое напряжение с информационного входа (выв.3) передается на прямой выход триггера, а инверсном выходе – низкий уровень. Далее процесс повторяется. Период и длительность импульсов можно регулировать в широких пределах, изменяя номиналы частотно-задающих цепочек R1C1,R2C2. Если использовать переменные резисторы R1,R2, то мультивибратор будет регулированным. Мультивибратор обладает хорошей стабильностью частоты (не хуже 2% при изменении напряжения питания от 5В до15В). Частота колебаний при напряжении 5В составила 4138Гц, а при напряжении 9В - 4149Гц. Замер частоты производился осциллографом С1-94.