Добавить в корзинуПозвонить
Найти в Дзене

Схемы разводки системы водяного отопления

В настоящее время чаще всего используются следующие виды разводки: • принудительная (насосная) двухтрубная; • лучевая или стояковая (стояковолучевая). В принудительной системе бесперебойное движение теплоносителя обеспечивается использованием циркуляционного насоса, который подключается к обратной магистрали. Вода в схеме с принудительной циркуляцией движется за счет давления, развиваемого циркуляционным насосом. Такие отопительные системы удобно использовать в многоэтажных домах и коттеджах. Для постоянной работы системы необходимо бесперебойное электроснабжение. Преимущества: • большая теплоотдача; • малые потери теплоносителя на испарение • возможность использования труб небольшого диаметра • возможность регулировки температуры воздуха в комнатах, а также мощности работы всей системы. Лучевая или стояковая система отличается от других подводом воды к радиаторам. К каждому прибору отопления протягиваются две трубы для прямого и обратного тока воды. У таких труб нет соединений, но пр

В настоящее время чаще всего используются следующие виды разводки:

• принудительная (насосная) двухтрубная;

• лучевая или стояковая (стояковолучевая).

В принудительной системе бесперебойное движение теплоносителя обеспечивается использованием циркуляционного насоса, который подключается к обратной магистрали. Вода в схеме с принудительной циркуляцией движется за счет давления, развиваемого циркуляционным насосом.

Такие отопительные системы удобно использовать в многоэтажных домах и коттеджах. Для постоянной работы системы необходимо бесперебойное электроснабжение.

Схема водяного отопления с принудительной циркуляцией (верхняя разводка): 1 - котел; 2 - подающая линия; 3 - обратная линия; 4 - подающие стояки; 5 - обратные стояки; 6 - воздушная линия; 7 - воздухосборник; 8 - расширительный бак; 9 - насос; 10 - расширительная труба
Схема водяного отопления с принудительной циркуляцией (верхняя разводка): 1 - котел; 2 - подающая линия; 3 - обратная линия; 4 - подающие стояки; 5 - обратные стояки; 6 - воздушная линия; 7 - воздухосборник; 8 - расширительный бак; 9 - насос; 10 - расширительная труба

Преимущества:

• большая теплоотдача;

• малые потери теплоносителя на испарение

• возможность использования труб небольшого диаметра

• возможность регулировки температуры воздуха в комнатах, а также мощности работы всей системы.

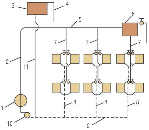
Схема водяного отопления с принудительной циркуляцией (нижняя разводка): 1 - котел; 2 - главный стояк; 3 - расширительный бак; 4 - сигнальная линия; 5 - подающая линия; 6 - воздухосборник; 7 - подающие стояки; 8 - обратные стояки; 9 - обратная линия; 10 - насос; 11 - расширительная труба
Схема водяного отопления с принудительной циркуляцией (нижняя разводка): 1 - котел; 2 - главный стояк; 3 - расширительный бак; 4 - сигнальная линия; 5 - подающая линия; 6 - воздухосборник; 7 - подающие стояки; 8 - обратные стояки; 9 - обратная линия; 10 - насос; 11 - расширительная труба

Лучевая или стояковая система отличается от других подводом воды к радиаторам. К каждому прибору отопления протягиваются две трубы для прямого и обратного тока воды. У таких труб нет соединений, но протяженность их гораздо выше, чем в двухтрубной системе. Лучевая схема требует балансировки перед началом эксплуатации.

Лучевая схема разводки водяного отопления
Лучевая схема разводки водяного отопления