Добавить в корзинуПозвонить
Найти в Дзене
Свой Дом

Проект дома 138 кв.м. Фундаменты.

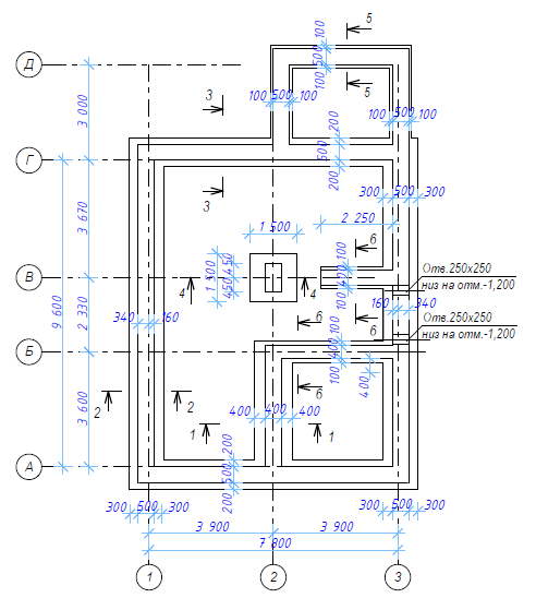
Фундаменты выполнены шириной 500 и 400 мм из бетонных блоков по ленте из монолитного железобетона. На отм. -0,300 выполнена горизонтальная гидроизоляция из слоя цементно-песчаного раствора в соотношении 1:2 толщиной 30 мм. Отверстия 250х250 мм предназначены для ввода в дом труб водопровода и канализации. Под монолитной железобетонной лентой выполняется бетонная подготовка из бетона класса В3,5 толщиной 100 мм. Часто вместо нее применяют песчано-гравийную смесь. Фундаменты,соприкасающиеся с грунтом обмазываются горячим битумом за 2 раза. Фундамент проектировался без проведения геологических изыскательских работ на месте строительства. Запас прочности фундамента приличный, по-моему на нем можно легко возвести пятиэтажку. Сечения фундаментов по линиям, изображенным на схемах (см. выше): На подбетонку монтируется опалубка и арматурные каркасы для формирования монолитный ленты-подушки. Продолжение и стоимость фундамента в следующей статье и далее: "Проект дома 138 кв.м. Перекрытие.", "

Фундаменты выполнены шириной 500 и 400 мм из бетонных блоков по ленте из монолитного железобетона. На отм. -0,300 выполнена горизонтальная гидроизоляция из слоя цементно-песчаного раствора в соотношении 1:2 толщиной 30 мм.

Схема расположения фундамента
Схема расположения фундамента
Спецификация к схеме расположения фундаментов
Спецификация к схеме расположения фундаментов

Отверстия 250х250 мм предназначены для ввода в дом труб водопровода и канализации.

Под монолитной железобетонной лентой выполняется бетонная подготовка из бетона класса В3,5 толщиной 100 мм. Часто вместо нее применяют песчано-гравийную смесь.

Бетонная подготовка "тощим" бетоном
Бетонная подготовка "тощим" бетоном

Фундаменты,соприкасающиеся с грунтом обмазываются горячим битумом за 2 раза.

Фундамент проектировался без проведения геологических изыскательских работ на месте строительства. Запас прочности фундамента приличный, по-моему на нем можно легко возвести пятиэтажку.

Схема раскладки блоков
Схема раскладки блоков
Окончен монтаж фундаментных блоков
Окончен монтаж фундаментных блоков

Сечения фундаментов по линиям, изображенным на схемах (см. выше):

Сечение 1-1
Сечение 1-1
Сечение 2-2
Сечение 2-2
Сечение 3-3
Сечение 3-3
Сечение 4-4
Сечение 4-4
Сечение 5-5
Сечение 5-5
Сечение 6-6
Сечение 6-6

На подбетонку монтируется опалубка и арматурные каркасы для формирования монолитный ленты-подушки.

Продолжение и стоимость фундамента в следующей статье и далее: "Проект дома 138 кв.м. Перекрытие.", "Проект дома 138 кв.м. Крыша. Стоимость коробки.". Начало проекта можно посмотреть здесь: Проект дома площадью 138 квадратных метров и Проект дома 138 кв.м. Второй этаж.

Не забывайте ставить "лайк" и подписываться на канал если вам понравилась статья.

Статьи, которые могут быть полезны:

Строительная опалубка

История одной стройки. Как мы фундамент бетонировали.

История одной стройки. Как мы делали проект.

Свой Дом. Проект.

Свой Дом. Проект. Продолжение.