Найти в Дзене
Вячеслав Калашник

Устройство защиты накала ламп.

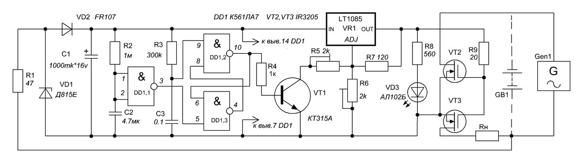
Из электротехники известно, что сопротивление нити накала электровакуумных приборов в холодном состоянии в 10 раз меньше, чем в нагретом. Таким образом, в маленьком объеме нити накала мгновенно выделяется большая тепловая мощность. Это приводит к термонапряжениям в стеклянном баллоне и нити накала. Для увеличения срока службы мощных и дорогостоящих радиоламп, прожекторов, проекционных и прочих ламп используют ступенчатое или плавное включение нити накала на полную мощность. Обычный метод уменьшения бросков тока - это установка мощных низкоомных сопротивлений. Мощные полевые транзисторы позволяют избавится от дорогих, дефицитных низкоомных резисторов. На рис.1 показана принципиальная электрическая устройства позволяющая в две ступени увеличить ток через нить накала. Основой устройства является электронный ключ на полевых транзисторах VT2,VT3 и RS триггер на логических элементах 2И-НЕ (DD1.2,DD1.3). В этом устройстве полевые транзисторы работают как стабилизаторы тока (низкоомные р

Из электротехники известно, что сопротивление нити накала электровакуумных приборов в холодном состоянии в 10 раз меньше, чем в нагретом. Таким образом, в маленьком объеме нити накала мгновенно выделяется большая тепловая мощность. Это приводит к термонапряжениям в стеклянном баллоне и нити накала. Для увеличения срока службы мощных и дорогостоящих радиоламп, прожекторов, проекционных и прочих ламп используют ступенчатое или плавное включение нити накала на полную мощность. Обычный метод уменьшения бросков тока - это установка мощных низкоомных сопротивлений. Мощные полевые транзисторы позволяют избавится от дорогих, дефицитных низкоомных резисторов. На рис.1 показана принципиальная электрическая устройства позволяющая в две ступени увеличить ток через нить накала. Основой устройства является электронный ключ на полевых транзисторах VT2,VT3 и RS триггер на логических элементах 2И-НЕ (DD1.2,DD1.3). В этом устройстве полевые транзисторы работают как стабилизаторы тока (низкоомные резисторы не требуются). Цепочка R3C3 служит для установки RS триггера в исходное состояние при первоначальном запуске. В момент включения устройства (а также при пропадании напряжения накала) на выводе 9 логического элемента DD1.2 появляется уровень нулевого напряжения. Для логического элемента «2И-НЕ» приоритетный сигнал - уровень нуля. Особенностью RS-триггера является то, что он срабатывает от первого нулевого импульса, а на остальные не реагирует. Интегрирующая цепь R2С2 создает временную задержку на включение, порядка 4 сек. В первоначальный момент заряд конденсатора С2 идет через резистор R2,VD2. Таким образом, через 4 сек. на выходе логического элемента DD1.1 появляется уровень нуля. Итак, в исходный момент на выводе 9 DD1.2 уровень нуля, а на выводе 5 DD1.3 уровень единицы. Такому состоянию входных сигналов RS-триггера соответствует то, что на выводе 10 будет уровень единицы, транзистор VT1 открыт. Этот транзистор подключает резистор R5 параллельно резистору R6, в результате чего выходное напряжение стабилизатора VR1 снижается до уровня установленного резисторами R5,R6. Электронный ключ открыт, и напряжение накала поступает на нагрузку через транзисторы VT2,VT3, но ток нагрузки будет ограничен. После заряда конденсатора С3 на выводе 9 DD1.2 присутствует уровень единицы. Единичные сигналы на обоих входах RS-триггера соответствуют режиму хранения информации триггера. Через 4 секунды на выводе 5 DD1.3 появляется уровень нуля, триггер переворачивается и подает низкий уровень на транзистор VT1. Транзистор закрывается, и резистор R5 отключается от резистора R6, выходное напряжение стабилизатора VR1 увеличивается, каналы транзисторов VT2,VT3 полностью открываются (напряжение накала без ограничения тока поступает на нагрузку). В случае кратковременного пропадания напряжения накала на конденсаторе С3 сформируется уровень нуля, триггер вернется в первоначальное состояние и подаст высокий уровень на транзистор VT1 а, следовательно, включит резистор R5 параллельно резистору R6. Выходное напряжение стабилизатора VR1 уменьшится, в результате чего произойдет ограничение тока нагрузки транзисторами VT2.VT3, так как уменьшится управляющее напряжение (между затвором и истоком). По истечению выдержки времени в 4 сек. триггер перевернется и транзисторы VT2,VT3 полностью откроются. Временную задержку можно изменить путем изменения постоянной времени интегрирующей цепи R2C2. Светодиод VD3 осуществляет индикацию работы силового ключа. Если ключ ограничивает ток нагрузки, то светодиод светит тускло, а без ограничения ярко. Устройство работает следующим образом. Учтем, что защитные диоды полевых транзисторов включены катодом к стоку. В исходном состоянии каналы полевых транзисторов закрыты (нет питания). Пусть отрицательная полуволна источника напряжения накала присутствует на стоке транзистора VT2. Ток проходит через защитный диод полевого транзистора VT2, стабилитрон VD1, резистор R1, другой вывод источника переменного напряжения. На стабилитроне VD1 возникает падение напряжения в 12В. Через диод VD2 заряжается конденсатор С1 и микросхемы VR1,DD1 получают питание. При положительной полуволне напряжения на стоке транзистора VT2 устройство не получает питания, так как защитный диод полевого транзистора VT2 закрыт. Диод VD2 предотвращает разряд конденсатора С1. Если устройство будет использоваться только для питания накала ламп от источников постоянного тока, то диод VD2 можно удалить, заменив его перемычкой. Микросхема VR1 представляет собой регулируемый стабилизатор положительного напряжения с малым падением напряжения вход-выход. Она имеет встроенную защиту по току и перегреву. Выходное напряжение может регулироваться в пределах от 1,2 … 34В. Отечественный аналог импортной микросхемы КР142ЕН22. Рассмотрим, как получает питание устройство при открытых каналах транзисторов VT2,VT3. Пусть на стоке транзистора VT2 действует положительная полуволна. Ток проходит через открытый канал транзистора VT2, стабилитрон VD1 (падение напряжение на нем 0,7В), резистор R1, другой вывод источника переменного тока. На стоке транзистора VT2 действует отрицательная полуволна. Ток проходит через открытый канал транзистора VT1 и его открытый защитный диод, стабилитрон VD1 (падение на нем 12В), резистор R1, другой вывод источника переменного тока. Микросхема DD1 может работать от напряжения в 3-15В. Принцип работы электронного ключа на полевых транзисторах заключается в том, изменяя управляющее напряжение между затвором и истоком полевого транзистора, можно установить необходимый ток стока транзистора. Полевые транзисторы VT2,VT3 имеют следующие параметры IRL3205 Uds=55v, Is=110A, R=0.008Om. Рассмотрим, как осуществляется регулировка тока в нагрузке. Выходное напряжение с микросхемы VR1 поступает на затворы полевых транзисторов. Изменяя выходное напряжение микросхемы VR1, мы в свою очередь изменяем управляющее напряжение для полевых транзисторов. Полевые транзисторы с индуцированным затвором при нулевом напряжении между затвором и истоком имеют нулевой ток стока. Появление тока стока в таких транзисторах происходит при напряжении на затворе больше порогового уровня Uпор. Увеличение напряжения на затворе приводит к увеличению тока стока. Обычно пороговое напряжение находится в пределах 4-5В. Но существуют полевые транзисторы, имеющие пороговое напряжение в 2-3В. Фирма IRF добавляет в обозначение таких транзисторов букву L. Выходные характеристики полевых транзисторов, как правило, имеют две области: линейную и насыщения. В линейной области вольтамперные характеристики вплоть до точки перегиба представляют собой прямые линии, наклон которых зависит от напряжения на затворе. В области насыщения вольтамперные характеристики идут практически горизонтально, что позволяет говорить о независимости тока стока от напряжения на стоке. Иногда пороговое напряжение называют напряжением отсечки. Особенности этих характеристик обуславливают области применения этих транзисторов. В линейной области полевой транзистор используется как сопротивление, управляемое напряжением на затворе. Области насыщения и отсечки используют как ключ, управляемый напряжением на затворе. Таким образом, изменяя с помощью резистора R6 величину выходного напряжения стабилизатора VR1, происходит установка тока через электронный ключ. Ключ может коммутировать, регулировать и постоянный ток. К стоку транзистора VT2 необходимо подключить

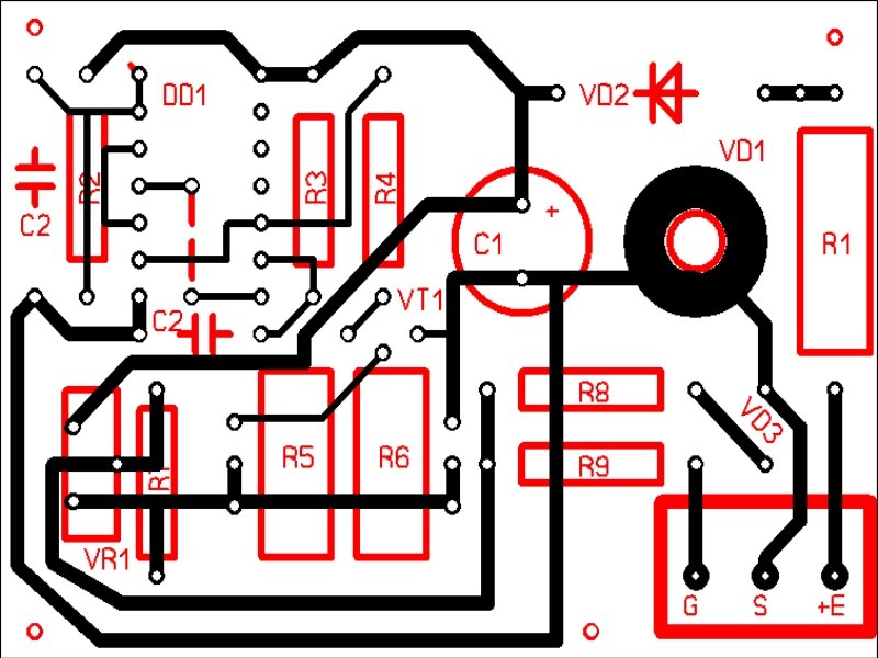
(-)Еп, а к стоку транзистора VT3 подключаем (+)Еп. Величина резистора R1 выбирается в зависимости от приложенного к ключу напряжения (исходя от тока стабилитрона в 30мА). Верхняя граница тока накала определяется величиной резистора R6, а нижняя – величиной параллельного сопротивления резисторов R6//R5. Источник постоянного напряжения накала ламп нужно подключать СТРОГО МИНУСОМ к стоку транзистора VT2. ИСТОЧНИКИ НАКАЛА ламп могут быть напряжением как 6,3В, так и напряжением 12В (любое другое при соответствующем выборе резистора R1 и транзисторов VT2,VT3). Силовые транзисторы расположены на отдельном радиаторе. Если транзисторы обдувать воздухом с помощью вентилятора от компьютера, то габариты радиатора можно существенно уменьшить. Настройка заключается в установке напряжения на выходе стабилизатора. Лучше начать с минимального порогового напряжения для выбранных силовых транзисторов. Справочные данные и выходные характеристики можно найти в интернете. Чтобы точно установить ток используются переменные построечные резисторы СП3-39А с червячным механизмом передвижения ползунка. Печатная плата имеет размеры 64*45мм. Резисторы R5,R6 приклеены к плате вертикально.

-2