Найти в Дзене
Вячеслав Калашник

Индикатор чередования фаз.

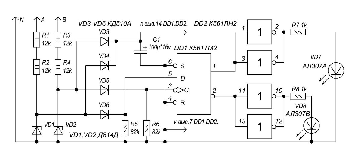
В народном хозяйстве широко применяется оборудование с питанием от трехфазной сети, требующее соблюдения порядка чередования фаз. Обычно это достигается соответствующей коммутацией проводов. Но в ходе ряда ремонтных работ, когда используются дополнительные питающие кабели либо временные распределительные щиты, при переключениях нередко возникает нарушение последовательности фаз, которое может вызвать выход из строя оборудования. Предлагаемый индикатор чередования фаз позволяет быстро определить нарушение, если оно есть. Работает индикатор следующим образом. Положительные полуволны двух любых фаз через ограничительные резисторы R1-R4 действуют на стабилитроны VD1,VD2. Величина напряжения стабилизации их составляет 12В. Это двухфазное напряжение через диоды VD3,VD4 заряжает конденсатор С1 и используется для питания индикатора. Через диоды VD5,VD6 положительные импульсы (ширина импульсов практически равна длительности полупериода напряжения сети) поступают на : от фазы А на информацио

В народном хозяйстве широко применяется оборудование с питанием от трехфазной сети, требующее соблюдения порядка чередования фаз. Обычно это достигается соответствующей коммутацией проводов. Но в ходе ряда ремонтных работ, когда используются дополнительные питающие кабели либо временные распределительные щиты, при переключениях нередко возникает нарушение последовательности фаз, которое может вызвать выход из строя оборудования. Предлагаемый индикатор чередования фаз позволяет быстро определить нарушение, если оно есть. Работает индикатор следующим образом. Положительные полуволны двух любых фаз через ограничительные резисторы R1-R4 действуют на стабилитроны VD1,VD2. Величина напряжения стабилизации их составляет 12В. Это двухфазное напряжение через диоды VD3,VD4 заряжает конденсатор С1 и используется для питания индикатора. Через диоды VD5,VD6 положительные импульсы (ширина импульсов практически равна длительности полупериода напряжения сети) поступают на : от фазы А на информационный вход D, от фазы В на тактовый вход С триггера DD1. Сигнал с информационного входа триггера передается на выход по фронту тактового импульса. Учитывая сдвиг фаз на 120гр. это приведет: в случае правильного чередования фаз на прямом выходе триггера DD1 будет присутствовать высокий уровень, а на инверсном выходе - низкий уровень. Эти уровни напряжения после инверсии логическими элементами DD2 заставляют светиться зеленый светодиод VD8. В случае неправильного чередования фаз на прямом выходе триггера DD1 будет присутствовать низкий уровень, а на инверсном - высокий уровень, что приведет к свечению светодиода VD7.

Работа индикатора показана на временной диаграмме. Объединение логических элементов DD2 необходимо для увеличения выходного тока, что позволяет светодиодам VD7,VD8 ярко светиться. Печатная плата имеет размеры 64*52 мм.

-2
-3