Добавить в корзинуПозвонить
Найти в Дзене
РыбЗащита

Советы по обслуживанию Авто после покупки

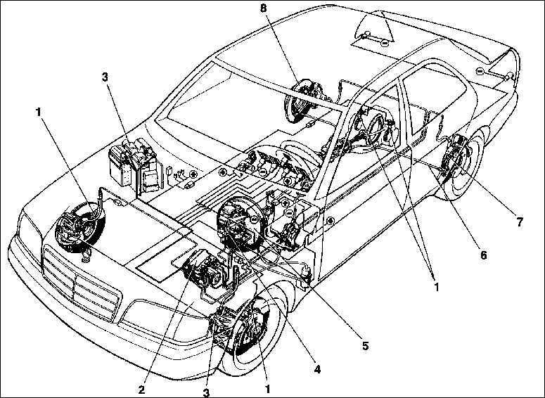
Часто бывает что авто покупают спонтанно без осмотра в СТО или оно достается от родни или близких. Зачастую тачка не исправна и надо делать ремонт. Постараюсь рассказать вам порядок действий ремонта и обслуживания. 1) И так первое что надо обслужить это тормозная система полностью.То есть не просто проверить состояние колодок и дисков но и провести тщательную диагностику тормозной магистрали и систем ABC и ESP. Согласитесь если откажут тормоза то это страшнее чем заклинит двигатель. Двигатель заклинил и все машина не едет, отказали тормоза на ходу это дтп и дай бог чтоб без человеческих жертв, хотя при стоимости запчастей на новый мерс в который прилетит тачка без тормозов значительно выше чем 400 тыщь по ОСАГО и для многих это цена длинною в жизнь. 2)Замените ГРМ(газораспределительный Механизм). Обрыв ремня или перескок цепи приводит к очень дорогому ремонту двигателя, а в некоторых случаях к его замене. Не экономьте на комплектах ГРМ советуйтесь с мастером или изучите форум про ваш

Часто бывает что авто покупают спонтанно без осмотра в СТО или оно достается от родни или близких. Зачастую тачка не исправна и надо делать ремонт. Постараюсь рассказать вам порядок действий ремонта и обслуживания.

1) И так первое что надо обслужить это тормозная система полностью.То есть не просто проверить состояние колодок и дисков но и провести тщательную диагностику тормозной магистрали и систем ABC и ESP. Согласитесь если откажут тормоза то это страшнее чем заклинит двигатель. Двигатель заклинил и все машина не едет, отказали тормоза на ходу это дтп и дай бог чтоб без человеческих жертв, хотя при стоимости запчастей на новый мерс в который прилетит тачка без тормозов значительно выше чем 400 тыщь по ОСАГО и для многих это цена длинною в жизнь.

2)Замените ГРМ(газораспределительный Механизм). Обрыв ремня или перескок цепи приводит к очень дорогому ремонту двигателя, а в некоторых случаях к его замене. Не экономьте на комплектах ГРМ советуйтесь с мастером или изучите форум про ваш авто.

-2

3) Проверьте Электро проводку вашего автомобиля. Мало приятного если с утра вы выйдете к обугленным остаткам кузова вашего железного коня.

-3

Спасибо за внимание

P.S. Не ошибается тот, кто ничего не делает.