Добавить в корзинуПозвонить
Найти в Дзене

ИНДИКАТОР ВЧ ПОЛЯ

Прибор понадобится при обнаружении радиосмога от различных источников радиоволн-МИКРОВОЛНОВКИ,СОТОВЫЕ ТЕЛЕФОНЫ и Т,Д, Как работает схема индикатора ВЧ поля ВЧ сигнал поступает на антенну, селектируется на катушке L , выпрямляется диодом 1SS86 и через конденсатор емкостью 1000 пФ выпрямленный сигнал поступает на усилитель сигнала на трех транзисторах 8050. Нагрузкой усилителя является светодиод. Схема питается напряжением 3-12 вольт. Автор для контроля правильности работы индикатора ВЧ поля сначала собрал схему на макетной плате. Далее все детали, кроме антенны и батареи питания размещаются на печатной плате размером 2.2 см × 2.8 см. Пайка осуществляется своими руками и не должна вызвать сложностей. Расшифровка цветовой кодировки резисторов приведена на фото. На чувствительность индикатора поля в конкретном диапазоне частот будут влиять параметры катушки L. Автор для катушки намотал 6 витков провода на толстый стержень шариковой ручки. Производитель рекомендует 5-10 витков для кату

Прибор понадобится при обнаружении радиосмога от различных источников радиоволн-МИКРОВОЛНОВКИ,СОТОВЫЕ ТЕЛЕФОНЫ и Т,Д,

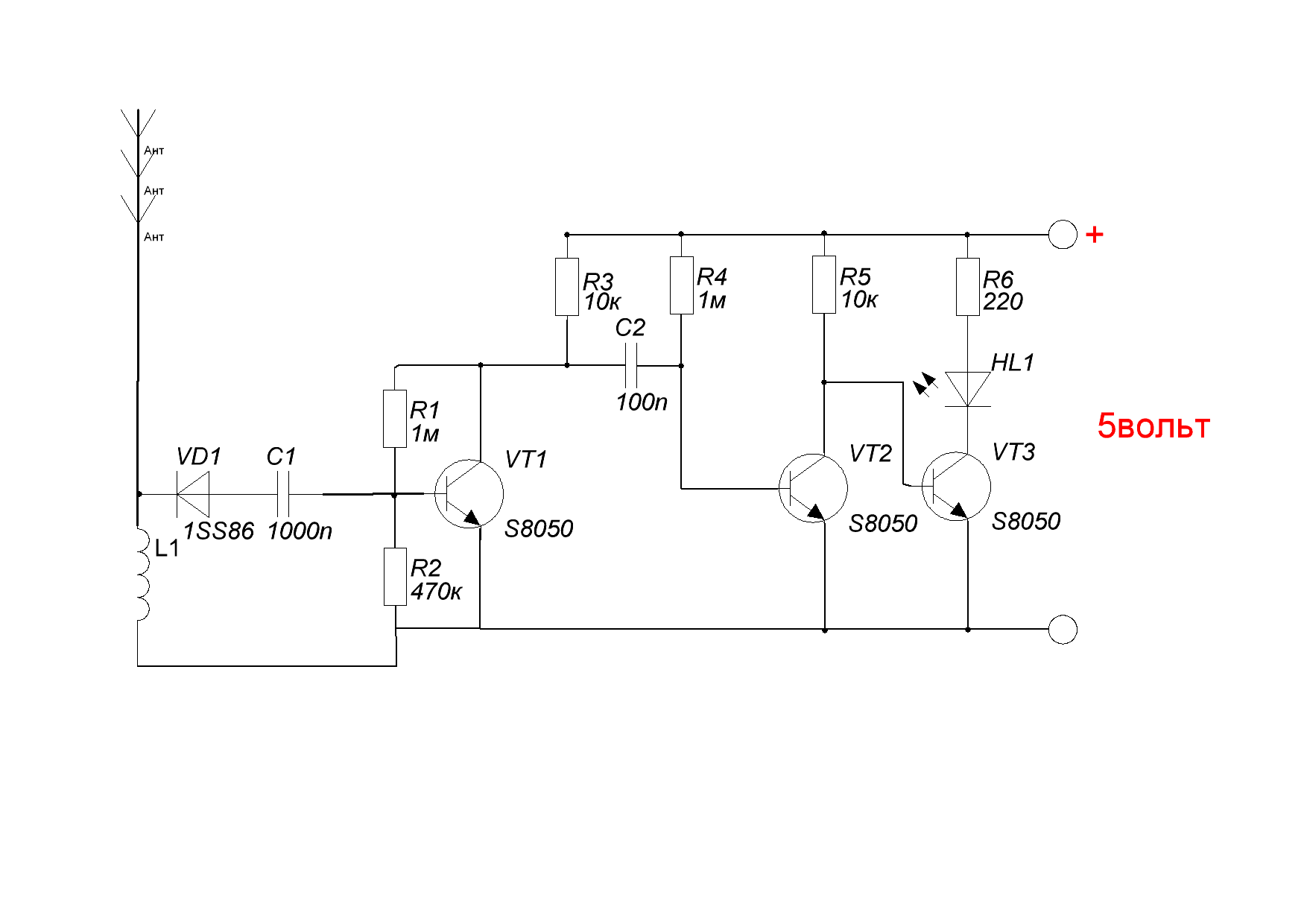
Схема индикатора ВЧ поля
Схема индикатора ВЧ поля

Как работает схема индикатора ВЧ поля

ВЧ сигнал поступает на антенну, селектируется на катушке L , выпрямляется диодом 1SS86 и через конденсатор емкостью 1000 пФ выпрямленный сигнал поступает на усилитель сигнала на трех транзисторах 8050. Нагрузкой усилителя является светодиод. Схема питается напряжением 3-12 вольт.

Автор для контроля правильности работы индикатора ВЧ поля сначала собрал схему на макетной плате. Далее все детали, кроме антенны и батареи питания размещаются на печатной плате размером 2.2 см × 2.8 см. Пайка осуществляется своими руками и не должна вызвать сложностей. Расшифровка цветовой кодировки резисторов приведена на фото. На чувствительность индикатора поля в конкретном диапазоне частот будут влиять параметры катушки L. Автор для катушки намотал 6 витков провода на толстый стержень шариковой ручки. Производитель рекомендует 5-10 витков для катушки. Также сильное влияние на работу индикатора будет оказывать длина антенны. Длина антенны определяется опытным путем. В сильных ВЧ загрязнениях светодиод будет гореть постоянно и укорочение длины антенны станет единственным способом корректной работы индикатора.

Удачи всем!

СПАСИБО!