Найти в Дзене
СтройМетПроект

Как правильно подключить двойной выключатель?

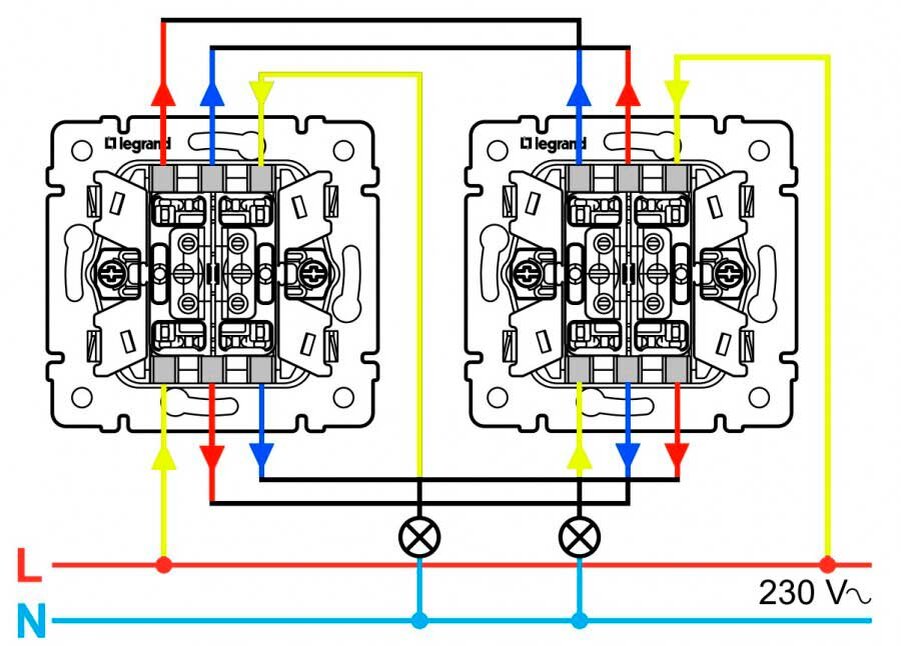
Для большинства мужчин мелкий домашний ремонт не доставляет проблем. Практически все знают, как поменять патрон в люстре или как правильно подключить двойной выключатель. Хотя иногда подключение выключателя ставит в тупик неопытных хозяев. Поэтому если вы сомневаетесь в своих силах, тогда стоит доверить электромонтаж подрядчикам, выполняющим все на профессиональном уровне в кратчайшие сроки. Что же потребуется для подключения двойного выключателя? Во-первых, потребуется обесточить электропроводку в квартире. В противном случае не избежать поражения током. Это условие обязательно при любых работах, связанных с электрикой. Во-вторых, понадобится отвертка, индикатор и кусачки. Из расходных материалов, возможно, потребуются алебастр или шпаклевка, если выключатель потайного типа, или небольшой фрагмент негорючего диэлектрического материала по размеру выключателя, если тот будет устанавливаться открытым методом. Если предстоит просто заменить старый выключатель на новый, то в этом случае до
Оглавление

Для большинства мужчин мелкий домашний ремонт не доставляет проблем. Практически все знают, как поменять патрон в люстре или как правильно подключить двойной выключатель. Хотя иногда подключение выключателя ставит в тупик неопытных хозяев. Поэтому если вы сомневаетесь в своих силах, тогда стоит доверить электромонтаж подрядчикам, выполняющим все на профессиональном уровне в кратчайшие сроки.

Что же потребуется для подключения двойного выключателя?

Во-первых, потребуется обесточить электропроводку в квартире. В противном случае не избежать поражения током. Это условие обязательно при любых работах, связанных с электрикой. Во-вторых, понадобится отвертка, индикатор и кусачки. Из расходных материалов, возможно, потребуются алебастр или шпаклевка, если выключатель потайного типа, или небольшой фрагмент негорючего диэлектрического материала по размеру выключателя, если тот будет устанавливаться открытым методом.

Если предстоит просто заменить старый выключатель на новый, то в этом случае достаточно будет снять отработавший свое выключатель и правильно выполнить монтаж нового. К конструкции подводятся два или четыре провода. Каждый провод подсоединяется к клеммам выключателя. Ничего сложного в этой работе нет. Достаточно ослабить винтовой зажим, вставить провод и затянуть винт. К двойному выключателю, как правило, подводятся либо два осветительных прибора, либо две группы приборов. Каждая клавиша в этом случае включает и отключает свою группу.

Если выключатель устанавливается заново, то в этом случае следует помнить, что это устройство нужно поместить в разрыв фазного провода, идущего к осветительному прибору. Для этого индикатором нужно определить фазу. При прикосновении к ней прибора, должна загореться контрольная лампочка. На нулевом проводе лампочка не горит.

-2

Для потайной установки выключателя придется высверливать коронкой отверстие в стене. Размер отверстия должен соответствовать диаметру коробки, в которую будет устанавливаться выключатель. Далее при монтаже потребуются хотя бы начальные знания по электротехнике. В выключателе имеются три клеммы. К одной клемме подводится фазный провод, а к двум другим – отводящие провода от групп осветительных приборов.

Как подключить двухклавишный выключатель

Источник: stroymetproekt.ru