Найти в Дзене
Рома Васильивич

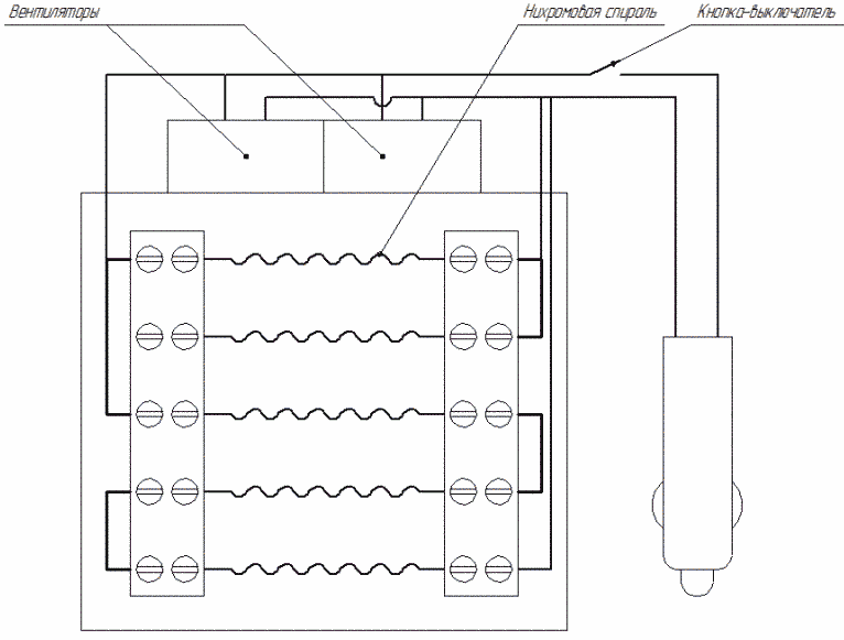
Как с помощью вентилятор сделать мини обогреватель(ЧИСТО МОЙ ПРОЕКТ)

у меня лежал вентилятор
я добавил нихром. проволку и на 3д принтере напичатал корпус
и получилось
макетка

у меня лежал вентилятор

я добавил нихром. проволку и на 3д принтере напичатал корпус

и получилось

макетка
макетка
-3

вот что получилось!!!