Добавить в корзинуПозвонить
Найти в Дзене
Про технику

Ремонт, восстановление и доработка Snoppa Atom (repairs & recovery) Что делать если сломался трехосевой электронный стабилизатор

(UPD. Проблема моргающего красно-зеленого светодиода найдена. В конце статьи дополнение.) Snoppa Atom до ноября 20 года работал хорошо, даже пережил одно сильнейшее падение на асфальт. Ни одной царапины. Но всё приходит внезапно. Обычная попытка включить - не включается. Даже диодом не моргает. Пояснение и далее по тексту: АКБ - аккумулятор Snoppa Atom состоящий из двух аккумуляторов (ячеек sp26350, ссылка на АКБ ниже). АКБ1 - верхний (первый) аккумулятор Snoppa Atom, если смотреть на вертикально стоящее устройство. Расположен ближе к клемме "+". АКБ2 - нижний (второй) аккумулятор. BAT-, BAT+ пины для подключения аккумулятора к плате TP4056A OUT-, OUT+ пины выхода напряжения на плате TP4056A Подключаю зарядник к устройству - вываливается в ошибку, мигает диодом, заряд не принимает. Ток потребления околонулевой. Явная проблема с зарядкой, аккумуляторы используются формфактора 26350. Курю форумы. Совет везде простой - потыкайте зарядку с зажатой кнопкой меню. Но что странно, данная пробл

(UPD. Проблема моргающего красно-зеленого светодиода найдена. В конце статьи дополнение.)

Snoppa Atom до ноября 20 года работал хорошо, даже пережил одно сильнейшее падение на асфальт. Ни одной царапины.

Но всё приходит внезапно. Обычная попытка включить - не включается. Даже диодом не моргает.

Пояснение и далее по тексту:
АКБ - аккумулятор Snoppa Atom состоящий из двух аккумуляторов (ячеек sp26350, ссылка на АКБ ниже).
АКБ1 - верхний (первый) аккумулятор Snoppa Atom, если смотреть на вертикально стоящее устройство. Расположен ближе к клемме "+".
АКБ2 - нижний (второй) аккумулятор.
BAT-, BAT+ пины для подключения аккумулятора к плате TP4056A
OUT-, OUT+ пины выхода напряжения на плате TP4056A

Подключаю зарядник к устройству - вываливается в ошибку, мигает диодом, заряд не принимает. Ток потребления околонулевой. Явная проблема с зарядкой, аккумуляторы используются формфактора 26350.

Курю форумы. Совет везде простой - потыкайте зарядку с зажатой кнопкой меню. Но что странно, данная проблема проявляется у всех внезапно при заряженных АКБ, значит проблема системная и кнопка - это лишь костыль.

Эта процедура с зажатой кнопкой действительно должна был помочь в случае полного разряда АКБ в нормальных условиях. Через кнопку кратковременно подается питание на "разблокировку" защиты АКБ, после чего через полевики подается напряжение на АКБ, так называемый некий bootstrap для батареи, и контролер заряда начинает работу.

Но у меня возник вопрос, а с чего это он решил разрядиться в ноль, будучи полностью заряженным? Я всегда его держу готовым к работе в любой момент.

Как итог - никакие шаманские танцы с зажатием кнопок не помогают. Принял решение разбирать.

Прежде чем приступить к разборке, прочитайте всю статью и посмотрите все фото конструкции корпуса, это спасет от случайных поломок

Процесс не самый сложный, но и неприятный. Ведь пластик очень плотный, зазоров нет, свободного хода нет, а значит аккуратно без следов располовинить почти невозможно.

Снимаю все резиновые наклейки и заглушки с рукоятки, откручиваю шурупчик. Сбоку маленькая резинка, спереди длинная узкая (да её тоже обязательно) и овальная резинка снизу.

Разделить корпус на две части как обычно помогла пластиковая карта, сим карта, резец, и пара отверток. Всё держится очень крепко на защелках.

Сначала поддевайте плоской отверткой или чем то тонким и прочным место около задней кнопки. Только там приличная щель, куда можно стартово подобраться. Аккуратно, не сломайте её. Кнопку нельзя перекашивать большими усилиями, которые могут появиться при проворачивании резца (отвертки). Листайте всю галерею разборки:

Корпус открыт, внутри всё максимально аккуратно и красиво, как будто это не Китай, а Германия. Листаем фото:

В Snoppa Atom установлены два редких Li-ion аккумулятора ICR26350 2000mAh в собственной оболочке и собственной маркировкой SP26350.

ФирмА!

Замеряю общее напряжение на АКБ... и... вместо 8,4 вольт получаю 5.6 в. Но замерив напряжения на каждой банке выдало - 4.15в и 1.47в. Странно, вам не кажется?

Этот мультиметр на заводе откалиброван очень точно. Имеет цифровую калибровку и реальную точность 0.0001 Вольт. Кто делает точные замеры на литии - это маст хэв.

А теперь подробнее.

Система заряда не совсем стандартная. Используется step up преобразование встроенное в контроллер заряда от 5 вольт USB до 8,4 вольт. Всё работает на базе контроллера с маркировкой AWFBRD.

Смотрим, что у Snoppa Atom внутри. Много макро фото:

Система защиты построена на микросхеме sot23-6 с маркировкой 20NB и логотипом Hycon, это микросхема для двухбаночной защиты перезаряда/переразряда HY2120-NB. Управляет двумя сдвоенными полевиками BLM8205A на заряд и разряд каждый, спаяны в параллель. Пропускная способность по току получается 8 ампер (китайцы перестраховались не там где надо).

HY2120-NB отслеживает напряжение на каждой банке. Общее напряжение в теории тоже должно отслеживаться. Или не должно? Пытаюсь разобраться, что же произошло.

При 2,80в на банку должна срабатывать защита. В идеале 5,6 вольт общее. Но контроллер HY2120-NB судя по всему немного сошел с ума и начал через резистор разряжать одну банку на себя, и судя по всему делал это, пока не достигло общее напряжение 5,6 вольт (2,8в на банку). Далее сработала общая защита и разряд прекратился.

Напомню, аналогичные однобаночные контроллеры данного производителя встраивают в BMS электровелосипедов и электросамокатов в количестве 10-13s. Микросхема (или ее мозг) однозначно не совершенна.

По итогу, контроллер, задача которого защищать, сделал всё наоборот.

При данном глюке не захотел открывать зарядный мосфет, от чего ток зарядки не шел на АКБ.

Забегая наперед скажу, я вручную дозарядил второй АКБ и поставил обратно в Сноппу. Контроллер сбросил глюк и начал принимать заряд. Т.е. пока не достанете АКБ, проблему не решить.

Snoppa фракенштейн
Snoppa фракенштейн

Стало понятно, глюк обязательно повторится, а значит систему нужно менять.

Покупать новый стабилизатор нет смысла - проблема повторится. Покупать что-то другое, тоже кот в мешке.

Поэтому решение - делать для себя, чтобы стаб всегда был готов к работе.

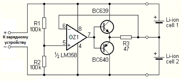
Идея пришла таковой: электронный балансир+система защиты на каждый аккумулятор раздельно. От пассивного балансира в данной схеме пришлось отказаться, так как их надежность и принцип работы тоже под сомнением (знаю по электровелосипеду).

Балансир решено было делать на операционном усилителе с транзисторами под каждый АКБ. Усилитель сравнивает напряжение на каждой банке, и там где напряжение выше, стравливает низким током напряжение уравнивая с соседней банкой. Таким образом в системе всегда идеально отбалансированы оба АКБ с точностью 0.001 вольт и самая слабая банка будет "помогать" высаживать более сильную. Для меня это не проблема.

Схема:

Схема балансира на 8.4 вольт
Схема балансира на 8.4 вольт

Транзисторы заменил на КТ972/973. Схему долго тестировал и она проявляла себя каждый раз идеально. Ток холостого хода = току ОУ. За 2 месяца разряд АКБ небольшой. Главный недостаток в линейности схемы - имеем низкий ток балансировки на сближающихся напряжениях.

Схему тестировал так:

А таким получился балансир в готовом виде, чтобы его можно было легко спрятать в корпусе Сноппы:

Максимальный ток установил в 160 мА (на сколько помню) подбором резистора R3. Но даже такой ток ни к чему в нормально работающей схеме, перестраховался, если вдруг вторая банка АКБ заметно испортится от глубокого разряда и будет заряжаться/разряжаться быстрее, заметно отдаляясь от напряжения первой банки с каждым циклом.

Для улучшения работы схемы рекомендуется использовать Rail-to-Rail усилители.

Схему защиты решил использовать от китайских плат заряда лития TP4056A.

Платы большие по размеру и на них много для нас лишнего, поэтому отпиливаем по максимуму.

TP4056A mod
TP4056A mod

Примеряем во все возможные места. По длине подходит в аккурат. Но со вставленными АКБ всё не так радужно, мешают проводам многочисленные перегородки, а делать надпилы и ослаблять корпус не хотелось.

TP4056a DW01
TP4056a DW01

Дело в том, что из-за применения раздельной защиты под каждую банку, необходимо изолировать 2 АКБ между собой. А также отпаять минусовой белый провод идущий от маленькой платки с USB-C разъемом к основной плате в разъем. В разрыв нужно подключить плату защиты, белый провод будет впаиваться в OUT- платы защиты, а провод от минуса АКБ2 в BAT-. Центральный контакт-пластину полностью отпаиваем с проводом (этот провод использоваться больше не будет, отрезаем, изолируем), а вместо металлической пластины вырезаем из тонкого двухстороннего фольгированного текстолита аналогичную по форме пластинку, со всеми пропилами с помощью надфиля:

Модернизация и доработка Snoppa Atom
Модернизация и доработка Snoppa Atom

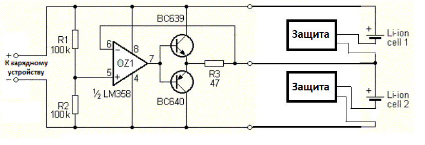
Схема подключения к АКБ будет такой:

Доработанная схема BMS 2s
Доработанная схема BMS 2s

Внимание. Далее весь текст ниже описан максимально сложно и местами глупо, с целью минимизации косяков!

Теперь нужно полностью отключить систему защиты на основной плате Snoppa. Т.к. контроллер защиты может вести себя неадекватно, высаживая АКБ и потребляя лишний ток, то полностью отключим ее от питания. Для этого аккуратно перережем 2 тонкие дорожки идущие к 20NB, а также закоротим жирной соплёй из олова шестиногие мосфеты (красная жирная линия), предварительно зачистив плату от лака в этих местах:

Разрезать дорожки справа и сделать перемычку слева
Разрезать дорожки справа и сделать перемычку слева

С основной платой покончено. Т.к. на платах защиты у нас стоят не сдвоенные, а одиночные мосфеты, то падение напряжения на них может немного увеличится, хотя они не греются и нормально держат ток. Если на включенной Сноппе установить тяжелый смартфон весом 200 грамм и пытаться делать резкие движения и блокировать руками в обратную сторону все три оси одновременно, то максимальный потребляемый ток не превысит 3 ампер, что достаточно для этих плат защиты. Ничего не греется и не отключается. А при обычной эксплуатации ток редко превышает 0,5 А.

Правило №1 - к самим АКБ напрямую ничего не паяем! Не нужно их греть лишний раз.

Ну а теперь доля юмора от моего произведения в Paint:

Схема доработки Snoppa Atom
Схема доработки Snoppa Atom

С этими платами защиты немного увеличивается общая длина проводов, из-за разделения АКБ текстолитом в середине. Поэтому я припаивал максимально толстые провода к Bat- и Out- для уменьшения потерь. От BAT+ к АКБ1 паяем тонким проводом, на клемму с пружиной"+" к красному проводу идущему от разъема основной платы (выход "+" первого (верхнего) аккумулятора).

Заметьте, что пины BAT+ и OUT+ на платке закорочены полигоном, поэтому нам не нужно использовать OUT+ как силовой выход, в нашем случае BAT+ это лишь слаботочное питание для микросхемы защиты. Большой ток с клеммы "+" мы продолжаем снимать штатным красным проводом штатно припаянным к клемме, минуя лишние паразитные просадки напряжений через OUT+.

Я случайно удалил это страшное непонятное фото, как припаивается с двух сторон к текстолиту плата защиты верхнего АКБ1. Нам нужно, чтобы минус АКБ1 приходил на BAT-, но при этом напрямую к АКБ1 ничего не паяем, только к самодельной текстолитовой платке, она уже будет контачить с минусом АКБ1 и с плюсом АКБ2 через плату защиты.

Паяем BAT- к одной стороне текстолита, а выход с платки OUT- паяем к другой стороне, на которую будет опираться + АКБ2. Туда же паяем центральную точку балансира, от резистора R3.

Теперь всё это утрамбовываем в корпус. Важно уложить все штатные провода на место и не помешать закрытию корпуса проводами от плат защиты. Хотел заменить штатный белый провод от минуса (OUT- АКБ2) на более толстый, но ничего не получилось, корпус не закрывался. Решение пришло само собой. Так как мы перемкнули мосфет на основной плате стэдика, то теперь белый отпаянный провод замкнулся с черным проводом ведущим к G (GND) разъема. А это значит, что теперь выход с платки OUT- можно подпаять напрямую к черному проводу на маленькую плату с разъемом USB-C, и туда же припаять белый провод. Тем самым у нас в 2 раза увеличилось сечение минусового провода, уменьшилась просадка по напряжению.

Всё очень предельно с трудом помещается, заметьте, как точно в колодцах корпуса поместились платки защиты, там ничего не замыкает и не перетирается, платы не болтаются по корпусу:

Всё провеяем, можно оставить на сутки для проверки балансировки. И уже окончательно собираем, защелкиваем корпус.

По итогу эта балалайка в данном моде работает уде полгода, делал в ноябре 2020, поэтому результат проверен временем и всё отлично.

Вот такой смартфон Xiaomi Mi9T весом в 200 грамм держит отлично моторы не перегреваются, защита в норме:

Xiaomi mi9t + Snoppa Atom
Xiaomi mi9t + Snoppa Atom

UPD. 19.07.2024 Повтор ситуации. Проблема решена только отчасти. Балансир хорошо помогает. Но. Когда стабилизатор пролежал без заряда 3 месяца, он высадил оба АКБ до напряжения 2.8 вольт. После чего контроллеры защиты отключили всю нагрузку и далее разряд шел токами микроампер, потребляемыми контроллером защиты. При попытке подключения зарядного устройства никакой адекватной работы не было. Изучив подробно поведение этого зверя пришел к выводам:

1) Контроллер заряда (и питания) с маркировкой AWFBRD абсолютно не умеет работать с микросхемами защиты Li батарей. Когда микросхемы разрывают цепь, контроллер перестает видеть входное напряжение с АКБ и это порождает вторую проблему - перестает подаваться "буст" напряжения от step-up преобразователя контроллера заряда. Он должен бустить до 8.4 вольт, подавая их на АКБ для заряда.

2) Контроллер заряда не работает и ни при каких обстоятельствах не заработает, пока не будет достигнуто напряжение разрешения заряда АКБ на микросхеме защиты (voltage release) = 3.0 вольт, как только будет достигнуто такое напряжение, контроллер защиты включит подачу питания на нагрузку (на сноппу). Контроллера защиты у нас два, и они работают не одновременно вместе, из-за перекосов напряжений в зависимости от степени разряженности каждого АКБ раньше или позже срабатывают Overdischarge detection и Overdischarge release.

3) При подключении зарядного устройства к стабилизатору в USB-C разъем, туповатый контроллер заряда не дает буст до 8.4 вольт, а пропускает через себя напряжение поданное на USB за вычетом напряжения падения на встроенном в нем диоде Шоттки. Т.е. например, на USB разъем приходит 5.0 вольт, то на два аккумулятора вместо 8.4 и 5 вольт придет лишь примерно 4.6 вольт. У нас 2 АКБ, значит на каждый АКБ приходится максимум 2.3 вольт. Этого попросту недостаточно, чтобы запустить контроллеры защиты на включение нагрузки (Overdischarge release), т.к. они срабатывают от 3 вольт.

4) Если мы сделаем финт с ушами и на USB разъем подадим не 5 вольт, а 6 вольт, что сделал я, то медленно но верно аккумуляторы будут подзаряжаться током около 60 мА и в течении 10 секунд по непонятным причинам падать до 20мА. Возможно это некий режим предзаряда и он начинает работать лишь отчасти. Сноппа от 6 вольт не сдох, но на самом деле и этого недостаточно, т.к. на АКБ приходит лишь 5.6 вольт (2.8 вольт на банку). Больше подавать напряжение я не рискнул, т.к. я не знаю что это вприницпе за микросхема заряда AWFBRD, на нее нет даташита, я и не уверен, идет ли также перенапряжение на основной микроконтроллер сноппы.

6) В моем случае из двух микросхем защиты заработала только одна, вторая "не проснулась". Но я закоротил вывод B- и OUT- микросхемы защиты и подключил сноппу к зарядному устройству. В этот момент контроллер заряда AWFBRD увидел подключенный аккумулятор, проснулся и запустил ток заряда 1.2 ампера. Стабилизатор ожил. Но вопросы к нему всё также остались.

Какой вывод? Нужно либо просверлить отверстия в корпусе и подавать напряжение предзаряда до достижения 3 вольт вручную на каждый АКБ, либо ставить сдвоенный переключатель, который при включении закорачивал бы каждый контроллер защиты, и тогда при любых условиях запускался бы режим обычной зарядки от USB.

В целом, это болезнь контроллера. Возможно, если был бы даташит, то можно было бы какими то резисторами или перемычками задать правильный режим работы контроллера. В данной же ситуации никаких других решений нет и быть не может. Это заводская ошибка в разработке.

UPD 28.02.2025 (с объяснением алгоритма работы системы зарядки стабилизатора)

Это последнее дополнение про решение проблемы моргающего попеременно красного и зеленого светодиода при подключении зарядки. Зарядка в этот момент не идет. Стабилизатор не включается.

Итак. Это снова случилось. Давно не заряжал стабилизатор и когда он понадобился - он не включился. Как я писал выше - у меня установлен самодельный балансир на 2S. Он помогает решать задачу неравномерного напряжения на банках. но при этом сам потребляет ток и высаживает АКБ. Требуется подзарядка каждые 2-3 мес.

Если АКБ не заряжать, то сработает самодельная побаночная защита на одном из аккумуляторов, после этого одна банка отключится и вероятно в этот момент идет небольшое потребление тока балансиром от второй банки. Она тоже разряжается до срабатывания защиты на втором АКБ. Далее потребление тока падает до единиц микроампер. Потребление идет контроллером защиты и в целом с таким напряжением банка достаточно долго не снижает напряжение, держа его на уровне 2.8 вольт.

Зачем я поставил самодельный балансир и побаночную защиту - хотел победить проблему на корню. Но есть но и об этом дальше.

Т.к. оригинальная штатная защита от разряда в данном стабилизаторе используется общая на напряжение 8.4 вольт, то адекватно подключить балансир невозможно, он обязательно высадить аккумуляторы полностью при такой системе. А при использовании независимого контроллера защиты на каждый АКБ, питание отключается так, что оно полностью перестает подаваться на балансир. И время показало - это работает, но проблему устройства не решает.

Моргающий красно-зеленый светодиод на языке производителя означает - несите стабилизатор в сервис. Это ошибка говорит о том, что процессор не видит подключенного АКБ, нет напряжения идущего с него. Диагностику на подключение АКБ процессор делает постоянно после примерно 5 сек включения. Если заряд пойдет, то красно-зеленый светодиод перестанет моргать и заработает нормальная индикация заряда с медленным миганием зеленого светодиода.

Как правило до состояния нормального заряда дело никогда не дойдет. Всё дело в том, что процессор стабилизатора не контролирует систему защиты. Она обособлена и работает независимо, собрана на обычных распространенных компонентах, которые используются во многих BMS (две запараллеленных микросборки мосфетов и контроллер защиты).

Есть вторая система защиты встроенная в сам процессор. Её алгоритм в целом понятен. Если общее напряжение на батарее ниже 6 вольт (3 вольт на банку), то процессор не включает стабилизатор и не моргает светодиодами. Вот именно о решении данной проблемы расписаны всевозможные паблики и форумы, где решением является зажатие кнопки М+кнопка со значком фотоаппарата, либо кнопки меню. На самом деле тут особо без разницы что нажимать. В моем случае есть еще один сброс, если примерно 10-13 раз очень быстро нажать на кнопку вызова меню (верхняя круглая кнопка с иконкой полосочек), то срабатывает перезагрузка устройства. Зашит алгоритм аппаратного сброса устройства, чтобы при подключении к зарядке он сбросил свой статус и вышел из "глубокой спячки" (из режима защиты), подавая ток заряда. Но этот режим защиты софтовый и работает до тех пор, пока напряжение не упадет еще ниже, до ~2.75 вольт. Тогда сработает уже аппаратная защита и это означает лишь одно - зарядка не пойдет ни при каком раскладе.

Между двумя этими режимами защиты есть еще одна особенность. Если общее напряжение батареи ниже 6 вольт, может гдето 5.8, то зарядка тоже не пойдет. не смотря на то, что аппаратная защита еще не сработала. При этом может нормально медленно моргать зеленый светодиод, показывая якобы работу зарядки, а может и вывалиться в ошибку (красно-зеленый). Короче это софтовая ошибка разработчиков, которая не дает заряд, если общее напряжение на АКБ ниже зашитой в него нормы. Т.е. аппаратная защита еще не сработала, но и софтовая не хочет подавать ток заряда. Я это выяснил в процессе экспериментов.

С другой стороны, а ошибка ли это?

Вся проблема заключается в чем - если одна банка выходит из строя, как в моем случае, напряжение упало ниже 2 вольт, то аппаратная защита HY2120-NB отключает нагрузку. По какой причине одна банка быстро разряжается - неизвестно. Возможна проблема в химии АКБ, а возможно проблема в HY2120-NB, которая своим резистором разряжает один АКБ. Этот резистор подключается в среднюю точку между двумя АКБ для замера напряжения на первом АКБ (если вы поняли о чем я говорю). Но не в этом суть.

Так почему начинает моргать красно-зеленый светодиод и зарядка никогда не начнется? Это защита от возгорания, от взрыва. Это нам прямо говорит о том - разберите устройство и выньте АКБ.

Объясню смысл этого действия.

Допустим, контроллер заряда разрешит подачу тока и при подключении к USB 5 вольт начнет работать Step-up DC-DC преобразователь заряда на 8.4 вольта. Что произойдет? Одна заряженная банка (на ней в моем случае было кажется 4.13 вольт) начнет заряжаться быстрее и достигнет значения 4.25 вольт, где сработает аппаратная защита по перезаряду на HY2120-NB. Что имеем? Один АКБ будет перезаряжен, а второй едва будет заряжен до напряжения 3.6 вольт, т.к. не успел зарядиться, а заряд прекратила аппаратная система защиты. Вы включите стабилизатор, он у вас проработает 5 минут и снова отключится, т.к. вторая банка получила мало заряда и быстро сядет до срабатывания аппаратной защиты по разряду 2.75 вольт. При этом общее напряжение на АКБ будет в районе 4+2.75=6.75 вольт. Устройство даже не будет знать, что идет огромный перекос на банках, ведь для него 6.75, это 3.37 вольт на банку.

Аккумуляторы при такой системе более никогда нормально заряжаться не будут, т.к. в стабилизаторе отсутствует балансир. Хуже того, даже если поставить обычный пассивный балансир с гасящим резистором, то он вообще никак не поможет, т.к. ток заряда будет идти примерно 1,3 ампера. Балансир работает на токах окончания заряда (когда на обеих банках около 4.2 вольт), что в районе 60-100 мА тока зарядки. И это дает возможность не перезарядить одну из банок, а стравливать весь поступаемый излишек в тепло на резисторе, не давая перезаряд.

Поэтому когда устройство сигнализирует нам красно-зеленым светодиодом, просто бесполезны любые манипуляции. Нужно разбирать устройство и доставать аккумуляторы, балансировать их вручную или вообще заменить на новые, предварительно отбалансировав (зарядив полностью каждый отдельно).

Я делал массу попыток подачи предварительного тока заряда, чтобы напряжение превысило 3 вольт на банку. Пытался подавать 6 вольт по USB. Если подавать более 6 вольт, то срабатывает софтовая защита в контроллере, и ток вообще никак не потребляется контроллером, моргая лишь красно-зеленым светодиодом.

При подаче через USB 6 вольт, до АКБ доходит 5.4 вольт (2.7 в на банку) из-за паразитного диода в DC-DC контроллере заряда, и этого не хватает для отключения аппаратной защиты АКБ, чтобы подать начальное напряжение предзаряда. Защита отключается при напряжении >3 вольт на банке. Если подавать не 6 вольт, а скажем, 6.3, то уже срабатывает защита в процессоре, и там судя по всему установлен силовой защитный мосфет, который вообще отключает подачу тока на преобразователь и вообще через выпрямительный диод DC DC. Т.е. грубо говоря в контроллере заряда установлено два силовых мосфета, один защитный, другой для управления переключением дросселя на повышение напряжение до 8.4 вольт.

-20

А теперь самое странное. Я взял 6 pin кнопку без фиксации, и припаял ее к самодельным контроллерам защиты. Чтобы при нажатии на кнопку ток шел напрямую на АКБ, минуя защиту. Этакий bypass. В моем случае это позволительно, т.к. установлен балансир и напряжение на обеих банках одинаковое, перезаряда одной банки не произвойдет. Таким образом я хотел победить систему и подавать ток предзаряда напрямую, для "разблокировки" защиты. Но не тут то было. Стабилизатор начинает медленно моргать зеленым светодиодом, говоря нам о нормальном процессе зарядки. Вот только ток заряда равен нулю. И вместо этого аккумуляторы продолжают БЫСТРО разряжаться, причем разряжает их сам DC DC контроллер, слегка греясь. Не чудо ли это?

Т.е. ПОКА НАПРЯЖЕНИЕ НЕ ДОСТИГНЕТ 6 вольт, процессор не включит заряд и точка.

Попытка припаять резистор напрямую к контакту +5v USB ничего не дало. Это лишь сымитировало ситуацию, будто АКБ в норме, при подключении зарядки он якобы видится и начинается моргание зеленым светодиодом.. но никакого заряда через резистор не идет. Весь ток идущий через резистор от USB + ток от аккумуляторов продолжает разряжаться в самом DC DC преобразователе заряда. Т.е. стабилизатор сам себя садит.

Плюнув на все эти бестолковые эксперименты пришел к выводу - сверлю 4 маленьких отверстия в корпусе стабилизатора (фото ниже). И если проблема с АКБ вновь повторится, то буду через эти отверстия подавать тонкие проводочки до каждой банки АКБ и вручную их подзаряжать по отдельности до 3 вольт, а далее зарядка стандартным кабелем USB. Проводочки припаяны к плате зарядки TP4056. Проба прошла успешно и данный тест показал это самым эффективным и быстрым решением. 10 секунд ручной зарядки каждого АКБ и проблема решена. Но если у вас нет самодельного или активного балансира внутри стабилизатора, то можно даже не пытаться всё это делать. Доставайте АКБ, без этого проблему решить невозможно.

-21
-22
-23

Если не хотите паять балансир вручную - сейчас продаются готовые мини платки активных конденсаторных балансиров. Вероятно такая платка поместится внутрь корпуса. Также существуют отдельные мини платки заряда для 2S сборок, но от напряжения 5 вольт. Т.е. такую плату паяем напрямую к гнезду USB-C, отпаиваем провода идущие на процессор от гнезда USB-C. Зарядка будет независимой для каждого АКБ. Минусы - не будет индикации заряда и сам заряд долгим. Ток заряда около 500 мА (250 мА на каждую банку).

Итак. Кратко. Мигающий красно-зеленый светодиод означает, что у вас сработала аппаратная система защиты, проблема с балансировкой АКБ, либо АКБ неисправен. Решить проблему без вскрытия устройства, без дальнейшей балансировки АКБ (зарядка каждого АКБ отдельно до полного) или без замены АКБ с предварительной балансировкой - НЕВОЗМОЖНО физически. Точка.