Добавить в корзинуПозвонить
Найти в Дзене
Сергей Гайдук

Амперметр для поиска неисправностей в цепях стартера и генератора в автомашине.

Дорогие друзья автолюбители и любители электроники с автолюбительским уклоном! Оказывается проблема стартера и генератора в подержанном автомобиле встречается чаще, чем я мог предположить… И заключается она именно в измерительных приборах применяемых при поисках.
Сразу хочу остановить тех, кто напишет, что сейчас в Китае делают массу измерительных приборов на любые случае жизни… Согласен! Есть

Дорогие друзья автолюбители и любители электроники с автолюбительским уклоном! Оказывается проблема стартера и генератора в подержанном автомобиле встречается чаще, чем я мог предположить… И заключается она именно в измерительных приборах применяемых при поисках.

Сразу хочу остановить тех, кто напишет, что сейчас в Китае делают массу измерительных приборов на любые случае жизни… Согласен! Есть много приборов для измерения тока, напряжения и сопротивлений. Есть токовые клещи для измерения постоянного тока ( даже очень большого ) !

Очень хорошо что есть такие приборы! Согласен! Но они все с цифровым отображением информации и вот при определённых измерениях стрелочка прибора даёт более чёткую информацию об измеряемом параметре. И ещё немаловажные параметры - цена прибора и удобство пользования при измерении.

Простите за столь долгое вступление, но надеюсь оно поможет Вам понять суть прибора, предлагаемого для повторения.

Схема не моя, но я очень благодарен автору, что эта конструкция из журнала РАДИО своевременно оказалась в поле моего зрения.

И вот теперь о самой схеме:

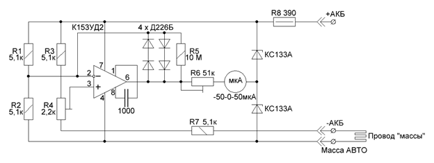
Схема прибора.
Схема прибора.

Очень простая схема, минимум деталей, но она может измерять ток в цепи АКБ ( и разрядный, и зарядный) от самого маленького – 1 Ампер, до большого – 500 Ампер. Конструкция может быть выполнена в стационарном варианте и встроено в приборную панель автомобиля ( но это подходит в стареньких авто, в современных только испортит внешний вид), а может быть выполнено в виде переносного прибора и применяться для поиска неисправностей не только в своей машине, но и в машинах друзей.

Самой дефицитной деталью является измерительная головка -50-0-50мкА, но можно её заменить на -2-0-2мА, но придется незначительно доработать схему.

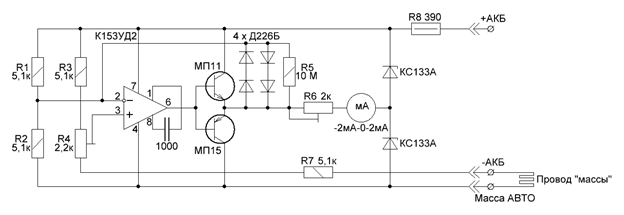
Доработанная схема.
Доработанная схема.

И здесь появляется дефицит – два германиевых транзистора, к сожалению, кремниевые имеют ступеньку на вольт-амперной характеристике и придется устанавливать ещё резисторы между базой и коллектором на каждом транзисторе и регулировать смещение. Легче найти два транзистора!!!

Теперь пару слов, про ПРОВОД «МАССЫ». Это очень важный элемент измерительного прибора. Провод массы является шунтом амперметра ( этот прибор и есть амперметр ) и выполнен в виде жгута гибких проводов, сплетенных между собой любых способов. Он устанавливается вместо штатного провода автомобиля и крепится в той точке, куда был закреплен штатный провод. Это очень важно при поиске неисправностей стартера, генератора или токов утечки. Для себя я сделал косичку из трех антенных канатиков диаметром 4 мм и длиной 60 см. С одной стороны на «косичке» припаяна клемма под болт и радом с ней плоская кабельная клемма, а с другой стороны припаяна минусовая клемма для подключения для установке на АКБ и рядом с ней так же припаяна плоская клемма. Подключение к плюсовой клемме АКБ любым способом. Чтобы клемму не трогать, можно подключаться зажимом типа «крокодил».

Теперь о наладке ( настройке ) прибора.

При выключенном ключе зажигания, меняем штатный провод массы на приборный. Операция очень простая, но требует знания электрической схемы автомобиля, а точнее, как себя поведут энергопотребляющие приборы, допускают они отключение питания в спящем режиме или сбрасывают параметры. Поэтом при выполнении данной операции надо хорошо всё продумать, вплоть до подключения параллельно штатной АКБ на время замены провода массы.

Все, провод заменили, подключаем прибор! Первым делом устанавливаем стрелку прибора на нулевую отметку потенциометром R4. Далее, подключаем любую лампу 12 Вольт и мощностью 60 Ватт. Лампу подключаем на плюсовую клемму АКБ и на массу автомобиля и потенциометром с реостатным включением R6 устанавливаем стрелку прибора на первое большое деление шкалы, Всё!!! Наладка закончена!!! Теперь первое деление в любую сторону отклонения – 5 Ампер, второе деление – 50 Ампер и третье деление – 500 Ампер!!!

Проверяем работу прибора. Отключаем лампу 60 Ватт. Просим помощника сесть за руль и включить замок зажигания, а далее заводим стартером двигатель и видим, как прибор показывает ток стартера, а как только двигатель завелся, видим, как стрелка перейдя через нулевую отметку, начинает показывать ток зарядки. В начальный момент он будет примерно 15 Ампер или даже 20, а потом постепенно снизится до 2-х – 3-х Ампер.

И ещё одно дополнение – прибор не боится переполюсовки!

Желаю всем удачи на дорогах!!! Творческих успехов!!! И отменного здоровья в это трудное время!!!