Найти в Дзене

Приставка автомат к зарядному устройству

Доброго дня дорогие читатели!
Сегодня я хочу рассказать о моей схеме приставки к зарядному устройству для автомобильных аккумуляторов.
Приставка автомат имеет два режима работы которые переключаются с помощью кнопки.
Автоматический режим: отключение заряда при достижении 14,4 в и включении заряда если напряжение ниже 13,2 в. (В зависимости от настройки опорного напряжения на компараторе). С

Доброго дня дорогие читатели!

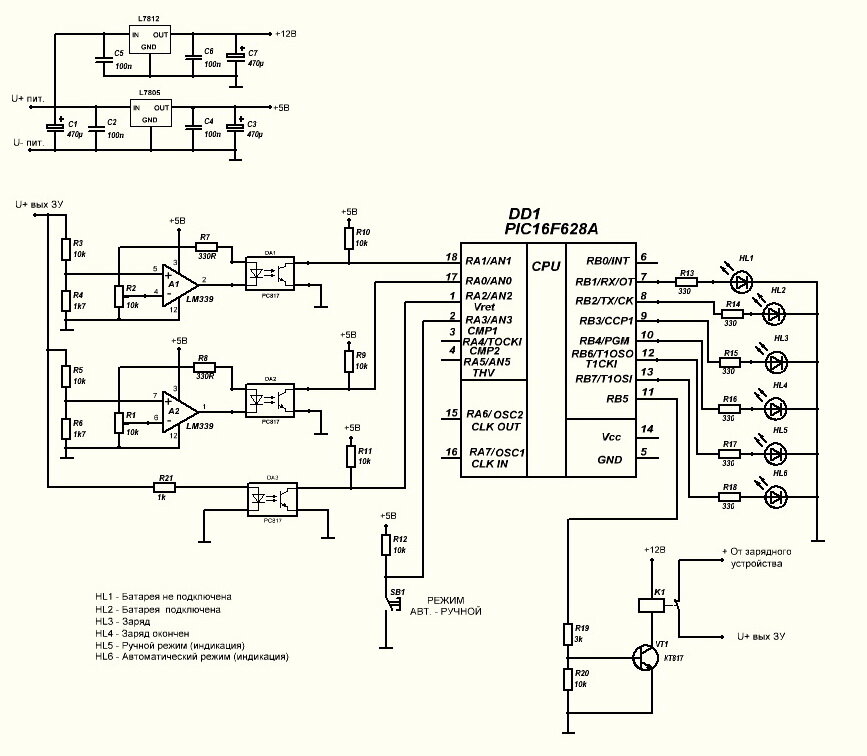
Сегодня я хочу рассказать о моей схеме приставки к зарядному устройству для автомобильных аккумуляторов.

Приставка автомат имеет два режима работы которые переключаются с помощью кнопки.

Автоматический режим: отключение заряда при достижении 14,4 в и включении заряда если напряжение ниже 13,2 в. (В зависимости от настройки опорного напряжения на компараторе). С засвечиванием соответствующего светодиода на лицевой панели.

схема устройства
схема устройства

Ручной режим: постоянная зарядка.

Так же реализовано, в случае отключения АКБ или плохого контакта зарядка прекращается, только в режиме автомат

Контроль подключения батареи (если батарея не подключена, заряд не начнется).

Уставки по напряжению начала и окончания заряда регулируются с помощью двух подстрочных резисторов R1 порог включения заряда и R2 порог выключения заряда.

Этими регулировками меняется опорное напряжение для компараторах.

Для зарядки автомобильного аккумулятора с включением при 13.2 и отключении 14.4 регулируем подстроечные резисторы так что бы на входа компаратора поступало с R1 = 1.9 вольта, а с R2 =2.05 вольта

-3

Сигналы на включение или отключение заряда поступают с компаратора LM339 на оптопары pc817 и на микроконтроллер. Контроллер выполняя программу отслеживает поступление сигнала на включение или отключение заряда. Исходя из того на кокой порт придет сигнал программа включает или отключает реле.

Приставка надежно работает уже третий год.

-4

ссылка на скачивание архива со схемами и прошивкой для контроллера https://yadi.sk/d/ZZWsw9yH3YvxYn