Найти в Дзене
Электроника, AVR, STM, PIC

Регулятор оборотов кулера своими руками за 20 минут

Это устройство будет полезно как обычным людям, так и специалистам по ремонту и обслуживанию ПК. Часто производители компонентов компьютерного оборудования подключают питание к кулеру, который непосредственно охлаждает процессор или материнскую плату.
Из-за этого устройство непрерывно вращается с максимальной скоростью, несмотря на то, что ПК простаивает. Установив самодельный автоматический

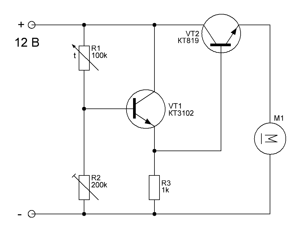
Это устройство будет полезно как обычным людям, так и специалистам по ремонту и обслуживанию ПК. Часто производители компонентов компьютерного оборудования подключают питание к кулеру, который непосредственно охлаждает процессор или материнскую плату.

Из-за этого устройство непрерывно вращается с максимальной скоростью, несмотря на то, что ПК простаивает. Установив самодельный автоматический контроллер, вам не придется беспокоиться о температуре процессора, потому что датчик автоматически включит охлаждение, когда это действительно необходимо.

Сделать его можно на основе двух транзисторов, резистора и термистора.

Регулятор оборотов не только увеличит срок службы кулера, но и снизит громкость шумов в помещении.