Найти в Дзене
ASUTPP

Устройство и принцип работы датчика движения для включения света простым языком

В современном мире человек стремится автоматизировать любые процессы, включая свои повседневные действия. Именно поэтому в быту все чаще устанавливают датчик движения для включения света. Как он устроен и что необходимо знать для выбора конкретной модели, мы рассмотрим в данной статье.
Оглавление

В современном мире человек стремится автоматизировать любые процессы, включая свои повседневные действия. Именно поэтому в быту все чаще устанавливают датчик движения для включения света. Как он устроен и что необходимо знать для выбора конкретной модели, мы рассмотрим в данной статье.

Устройство и принцип работы

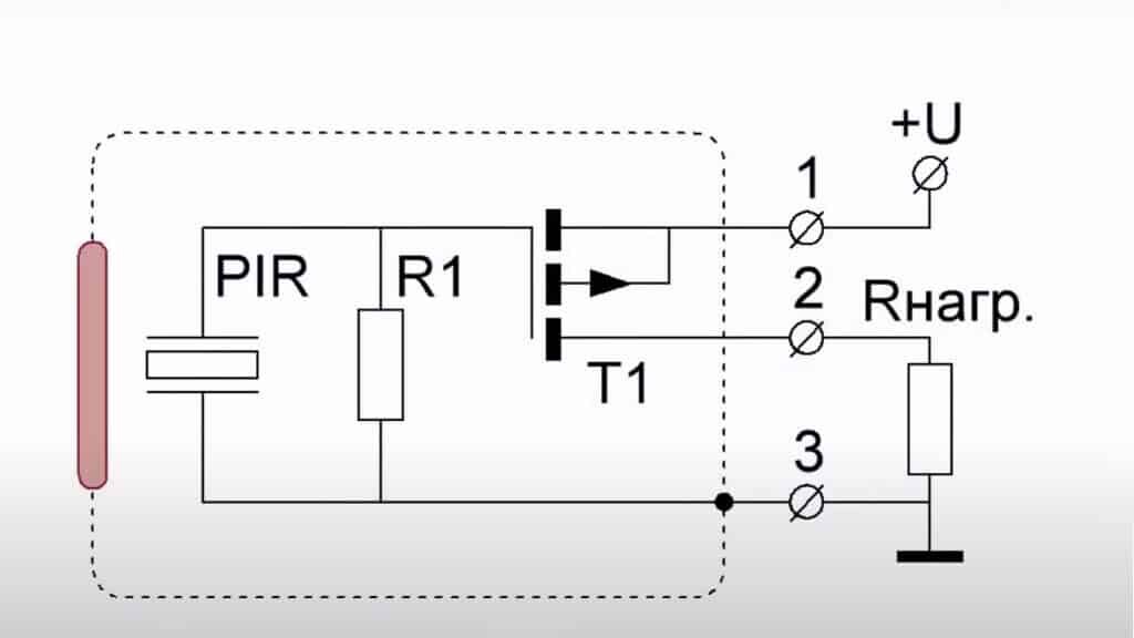
Конструктивно датчик движения содержит несколько составляющих элементов, которые будут отличаться в зависимости от типа.

Устройство датчика движения
Устройство датчика движения

Для примера рассмотрим устройство инфракрасного сенсора, который состоит из:

  • пироэлемента PIR, реагирующего на изменение физических параметров окружающей среды;
  • полевого транзистора T1, выступающего в роли электронного ключа;
  • шунтирующего резистора R1, подключенного параллельно к пироэлементу.

Принцип действия заключается в способности пироматериала изменять собственные характеристики в зависимости от степени теплового излучения, попадающего на него. Световой поток уменьшает сопротивление пироэлемента PIR и через него приходит сигнал на открытие полевого транзистора. В таком состоянии ток будет протекать через нагрузку, в роли которой может выступать катушка реле или другой логический элемент. В случае появления человека или другого объекта в области действия датчика, световой поток прервется и перестанет воздействовать на пироэлемент, сработает автоматика, выдающая соответствующий сигнал о возникновении движения.

Разновидности

Разделение датчиков движения для включения света на виды осуществляется по нескольким критериям. По принципу действия их можно разделить на:

  • Инфракрасные – основаны на измерении величины температуры предметов, попадающих в зону охвата датчика движения. Основным недостатком является ложная реакция на элементы системы отопления или лампы накаливания, расположенные в непосредственной близи.
Инфракрасный датчик
Инфракрасный датчик
  • Ультразвуковые – функционируют на основе эффекта Доплера. Излучаемая волна звука в диапазоне частот от 20 до 60 кГц не слышима человеческим ухом в соответствии с п.2.1.1.3 ГОСТ Р 50030.5.2-99. Сталкиваясь с препятствием, ультразвук отражается и возвращается к приемнику, о чем передается сигнал на электронный ключ или реле.

Ультразвуковой датчик
Ультразвуковой датчик
  • Микроволновые – используют специальную антенну, посылающую высокочастотный сигнал в окружающее пространство. При столкновении сигнала с движущимся предметом возникает отраженный сигнал, который возвращается к датчику. На сегодняшний день это самые чувствительные, но и самые дорогие модели для включения света.

Микроволновой датчик
Микроволновой датчик
  • Лазерные – состоят, как правило, из светодиода и фотодиода, монтируемых в контролируемой области. Светодиод излучает сигнал, который распространяется в окружающее пространство. Как только в области действия возникает объект, преграждающий световой поток, он отражается и воспринимается фотодиодом. С которого сигнал подается на исполнительный орган датчика движения.
  • Томографические – используют радиоволны для диагностики пространства. В отличии от других моделей способны проникать за стены, конструктивные элементы и прочие преграды. Используются для включения освещения на больших площадях, в торговых центрах и т.д.

В зависимости от способа взаимодействия с движущимися объектами датчики движения могут быть активными, пассивными или комбинированными. Активные самостоятельно излучают измеряемые сигналы, а после их воспринимают. Пассивные ориентированы на собственные излучения человеческого организма или отталкиваются от их взаимодействия с окружающей средой.  Комбинированные состоят из активного излучателя, установленного с одной стороны и пассивного приемника, расположенного с другой стороны.

В зависимости от места установки датчики движения подразделяются на устройства наружного и внутреннего применения. Первые предназначены для использования под открытым небом. Вторые используются для размещения в помещениях, иногда под навесами, на верандах, крытых террасах и патио.