Добавить в корзинуПозвонить
Найти в Дзене

Типовой металлоискатель с двумя генераторами - «биенщик»

Существующие в настоящее время варианты металлоискателей имеют схемы построения, основанные на различных принципах обнаружения металлов. В частности, очень распространённой является схема сравнения двух частот: «образцового» генератора, работающего на определённой, постоянной частоте и генератора, частота которого изменяется в зависимости от присутствия металла вблизи поисковой катушки.
В

Существующие в настоящее время варианты металлоискателей имеют схемы построения, основанные на различных принципах обнаружения металлов. В частности, очень распространённой является схема сравнения двух частот: «образцового» генератора, работающего на определённой, постоянной частоте и генератора, частота которого изменяется в зависимости от присутствия металла вблизи поисковой катушки.

В данной статье будет рассмотрен принцип построения и дана одна из возможных принципиальных схем подобного прибора "начального" уровня.

Следует заметить, что эта статья не содержит в себе каких-то «уникальных, никому не ведомых» сведений и описывает лишь общие принципы построения подобных приборов, принципиальные схемы которых давно известны и имеются в свободном доступе. Здесь преследовалась лишь цель — описать принцип действия такого типа металлоискателей для общего понимания методики их изготовления. Тем не менее, схемы, приведённые в статье являются реальными и полностью работоспособными, что не один раз было проверено на практике.

Принцип действия такого металлоискателя прост: генератор G2 выдаёт «образцовую» частоту постоянного значения. Частота же генератора G1 в «нормальных» условиях выдаёт ту же частоту, что и G2, но эта частота меняется, если в поле действия поисковой катушки L1 попадает какой-либо металлический предмет. В результате возникает некая разница частот, которая тем больше, чем больше размеры предмета и меньше расстояние до него.

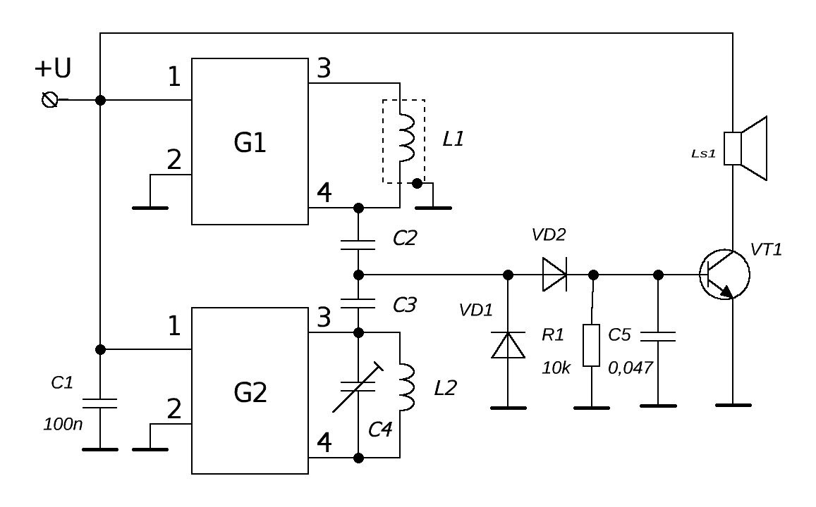
На рис.1 приведена типовая структурная схема самого простого и распространённого варианта такого металлоискателя:

Здесь и далее схемы нарисованы автором
Здесь и далее схемы нарисованы автором

Выходные сигналы с генераторов G1 и G2 через конденсаторы С2 и СЗ подаются на смеситель, выделяющий «разностную частоту». Этот смеситель выполнен на диодах VD1 , VD2 (германиевые, типа Д2, Д9, Д18). Выделенный низкочастотный сигнал через усилительный каскад на транзисторе VT1 поступает на акустический излучатель (динамик, наушники), являющий звуковым «индикатором» наличия металла. Конденсатор C1 нужен для дополнительной фильтрации напряжения питания (+U = 4,5...12 V), резистор R1 является нагрузкой смесителя, С5 — отфильтровывает ВЧ-составляющую звукового сигнала. Транзистор может быть типа КТ315, КТ503 или другой аналогичный, малой или средней мощности, в зависимости от мощности нагрузки (звукового излучателя). Желательно выбрать его с как можно бОльшим коэффициентом усиления.

Катушка L1 - «поисковая». Обычно её наматывают на каркасе (оправке) диаметром 15-25 см. Она может содержать порядка 50...250 витков медного обмоточного провода типа ПЭЛ(ПЭВ)0,4…0,7 мм.кв. От диаметра каркаса, сечения провода и количества витков катушки будет зависеть рабочая частота генератора.

Катушка L2 должна иметь индуктивность, примерно равную индуктивности L1. Её можно рассчитать и намотать, например, на каркасе небольшой катушки от радиоприёмников, имеющих подвижный (или фиксированный) сердечник из феррита, на "броневом" сердечнике, или даже на небольшом отрезке ферритового стержня от магнитной антенны приёмника . Способы расчёта такой катушки и её намотки можно найти в специализированной литературе или просто — в интернете, на тематических сайтах

Возможные типы  каркасов и вид катушки  L2
Возможные типы каркасов и вид катушки L2

В процессе настройки частота генератора (G2) устанавливается равной частоте G1 c помощью подбора количества витков катушки L2 или положением её сердечника. А непосредственно в в процессе поиска металлоискатель настраивается в реальных условиях по минимуму «биений» (частоты звука в наушниках/динамике) с помощью конденсатора С4 переменной ёмкости. Его ёмкость должна регулироваться в пределах от десятков до сотен пикофарад.

Сами схемы генераторов G1 и G2 — одинаковы. Они могут быть выполнены, например, по типовой общеизвестной схеме «ёмкостной трехточки»:

Схемы  генераторов  G1 и G2 - одинаковы
Схемы генераторов G1 и G2 - одинаковы

Здесь транзистор может быть типа КТ315, КТ3102 или любой подобный импортный, маломощный, подбором сопротивления R3 устанавливают его оптимальный рабочий режим . Подбором ёмкостей С2 и С3 устанавливается точное значение рабочей частоты каскада при настройке. Эти генераторы можно собрать и по другим схемам, в частности - на цифровых интегральных микросхемах.

Это основная, базовая информация для общего понимания принципов изготовления и работы металлоискателей на биениях.В следующей статье будет показан пример полной принципиальной схемы и конструкции металлоискателя, построенного на данном принципе работы, с более конкретным указанием номиналов всех элементов и намоточными данными катушек. Также возможны схемы металлоискателей, основанные на других принципах работы. Следите за публикациями, высказывайте свои пожелания (и претензии :-))

А на данном этапе благодарю всех за внимание!

Прошу оставлять свои лайки, дизлайки и замечания. Это не способ потешить самолюбие автора, а непосредственная возможность увеличить количества показов статьи в Ленте, ибо эти вещи связаны между собой напрямую и дают стимул для дальнейших публикаций на темы, которые могут быть интересны "творческим людям" (в данном случае - начинающим радиолюбителям)