Добавить в корзинуПозвонить
Найти в Дзене
Radio-любитель

Регулируемый электронный предохранитель

Всем здравствуйте. Предлагается схема и описание электронного предохранителя. Обычный предохранитель вряд ли практичен для защиты от чрезмерного потребления тока, так как требует замены после срабатывания, говоря простым языком просто перегорает.
Представленная схема выполняет ту же функцию - она отключает электропитание после превышения установленного значения тока, но позволяет легко вернутся в

Всем здравствуйте. Предлагается схема и описание электронного предохранителя. Обычный предохранитель вряд ли практичен для защиты от чрезмерного потребления тока, так как требует замены после срабатывания, говоря простым языком просто перегорает.

Представленная схема выполняет ту же функцию - она отключает электропитание после превышения установленного значения тока, но позволяет легко вернутся в рабочее состояние. Порог срабатывания может быть выбран в диапазоне от 0,25 А до 3 А.

Схема работает как миниатюрный автоматический выключатель - после превышения установленного значения потребляемого тока отключает источник питания и сигнализирует об этом путем индикации светодиодом. Восстановление подачи питания так же просто, нажатием кнопки.

Схема идеально подходит для мониторинга рабочего состояния устройств, которые могут быть легко перегружены, например, с двигателями постоянного тока, или для защиты при лабораторных испытаниях от выхода из строя настраиваемых схем. Принципиальная схема устройства приведена на рисунке.

Силовой ключ и усилитель напряжения
Силовой ключ и усилитель напряжения

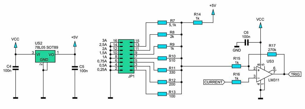
Компаратор и линейка резистивных делителей выбора ограничения тока
Компаратор и линейка резистивных делителей выбора ограничения тока

Генератор отрицательного напряжения
Генератор отрицательного напряжения

Схема не содержит микроконтроллеров, и работа основана на нескольких распространенных элементах, поэтому анализ их работы будет простым даже для начинающих. Контролируемая нагрузка подключается к клеммам разъема J1. Затем ток будет течь через транзистор T1 и резистор R1, который используется для измерения тока. После закрытия транзистора ток перестанет течь. Цепь затвора T1 защищена стабилитроном D1, так что не происходит случайного пробоя затвора, для которого максимальное напряжение источника затвора составляет 16В.

Резистор R2 разряжает емкость затвора, поэтому случайно накопленные электростатические заряды не откроют его. Резистор R3 ограничивает ток, протекающий через цепь управления затвором, если это происходит, например, из-за неожиданного повышения напряжения питания выше 15В. Выбор транзистора не был случайным. Сопротивление канала в открытом состоянии Rси вкл. (Max) при Rds (on) 0.01 ом при 46A, 10в. Это означает, что при токе 3 А (максимальное регулируемое значение) транзистор будет выдавать мощность всего 90 мВт, которая может рассеиваться без какого-либо радиатора.

Конечно, падение напряжения на резисторе R1 снижает эффективное напряжение затвор - источник, транзистора Т1 в открытом состоянии. Это так и есть, но на резисторе R1 не должно быть больше 0,3В (3 А · 0,1 ом), что из-за напряжения затвора около 10В является совершенно незначительным значением.

Вместо этого было упрощено измерение тока, которое сводится на измерении падения напряжения на резисторе. Напряжение с резистора должно быть повышено для корректной работы компаратора. Усилитель должен иметь низкое значение дисбаланса напряжения, поэтому выбор пал на популярный прецизионный операционный усилитель, которым является OP07. К сожалению, в отличие от микросхемы LM358, он не может должным образом обрабатывать напряжения, близкие к потенциалу цепей питания, поэтому необходимо добавить простой генератор отрицательного напряжения.

Резистор R4 компенсирует влияние токов смещения входов усилителя, таким образом, не создается дополнительная нежелательная составляющая постоянного тока выходного напряжения. Конденсатор С3 ограничивает верхнюю граничную частоту всего 10 Гц. Это, в свою очередь, означает максимальное время нарастания 35 мс - короткие всплески пикового характера, возникающие, например, в результате зарядки конденсаторов внутри схемы и не отключат ее.

Напряжение, которое управляется с помощью компаратора обеспечивается стабилизатором 78L05. Точность не высокая, но достаточная для такой простой схемы. Преимущество его использования - низкая цена и высокая эффективность по току. Результирующее напряжение 5 В делится с помощью делителя напряжения, который образует резистор R14 и одним из резисторов R7 ... R13. В таблице приведены полученные таким образом напряжения, подаваемые на неинвертирующий вход, и соответствующие значения токов отключения.

Напряжения при соответствующем делителе
Напряжения при соответствующем делителе

Сигнал от усилителя поступает на инвертирующий вход, что означает, превышение допустимого тока будет быстро насыщать его выходной транзистор, то есть уменьшение выходного потенциала. Чтобы минимизировать риск скачков и колебаний на пороге переключения, был введен небольшой гистерезис, который реализуется резистором R17. Система должна иметь одно битовую «память», которая позволит выходному транзистору оставаться полностью открытым или закрытым без ограничений по времени. Это позволило упростить схему за счет исключения резисторов, ограничивающих базовые токи.

Триггер, полученный таким образом, используется для запоминания состояния системы в целом. Пользователь, замыкая контакты S1, может включить транзистор T2, одновременно выключив T3. Конденсатор C7 также делает то же самое, что образует короткое замыкание на мгновение после включения схемы. Это гарантирует, что система всегда будет запускаться в одном и том же состоянии, при включенной нагрузке. Резистор R18 ограничивает ток перезарядки этого конденсатора.

Когда потенциал стока Т3 высок, почти равен напряжению питания, то выходной транзистор Т1 открыт. Он включается через повторитель напряжения, который реализован на транзисторе Т4. Это ускоряет процесс переключения, и в то же время сток транзистора Т3 не нагружен дополнительным током. Потенциал затвора Т1 будет ниже напряжения питания примерно на 2В, но этого достаточно, чтобы полностью открыть его. В то же время диод LED1 включен, а LED2 выключен.

Изменение состояния этого триггера на противоположное возможно только путем насыщения выходного транзистора в компараторе US3, потому что тогда транзистор T2 блокируется, а T3 открывается. Потенциал стока Т2 увеличивается при зарядке конденсатора С7, который одновременно открывает транзистор Т3. Инвертор напряжения закрыт и транзистор T1 также в закрытом состоянии, светодиод LED1 гаснет, а LED2 загорается. Это сигнализирует о чрезмерном потреблении тока.

Очень простая схема используется для создания отрицательного напряжения на микросхеме 555. Его выходное напряжение составляет около –10В, и оно не стабилизировано, потому что в этом нет необходимости - параметр PSRR системы с питанием (US1) составляет всего 5 мВ /В, и влияние любых колебаний напряжения будет незначительным.

Схема была собрана на двухсторонней печатной плате 50 × 65 мм, вид возможного варианта исполнения показан на рисунке.

Возможное расположение компонентов на печатной плате
Возможное расположение компонентов на печатной плате

Большинство элементов установленных на плате, и все они находятся на верхней стороне. Транзистор T1 расположен на краю платы, но он используется без дополнительного охлаждения. Если используется транзистор другого типа с более высоким сопротивлением открытого канала, то, возможно, ему придется добавить радиатор при необходимости. Правильно собранная схема не требует каких-либо настроек за исключением установки требуемых токов ограничения. Она готова к работе после подключения к источнику питания с напряжением около 12В.

Вы также должны выбрать желаемое значение максимального тока, установив перемычку на соответствующие клеммы JP 1. Электронный предохранитель должен быть подключен к контролируемой цепи, как показано на рисунке, помня, что массы обоих источников питания подключены к плате. Максимальное напряжение, которое может подаваться на контролируемое устройство, составляет 50В.

Когда система включена (подается на клеммы разъема J2), светодиод LED1 включается, а светодиод 2 остается выключенным. Это означает, что ток может протекать между клеммами разъема J1, поскольку транзистор T1 открыт. После превышения максимального тока диоды переключаются, и питание отключается. Восстановление работы возможно после кратковременного нажатия кнопки S1.

-6