Добавить в корзинуПозвонить
Найти в Дзене
Электрик со стажем.

Электропроводка на потолке сидя на табуретке

В одном из гаражей потребовалось перенести точки освещения со стен на потолок и установить несколько дополнительных розеток.
Такая работа предусматривает следующие этапы – это закрепить провода к потолку, присоединить к ней патроны (заказчик решил, что патроны с лампами накаливания стоят дешевле, чем потолочные светильники), выполнить соединения проводов в распредкоробках.
Для того, что

В одном из гаражей потребовалось перенести точки освещения со стен на потолок и установить несколько дополнительных розеток.

Такая работа предусматривает следующие этапы – это закрепить провода к потолку, присоединить к ней патроны (заказчик решил, что патроны с лампами накаливания стоят дешевле, чем потолочные светильники), выполнить соединения проводов в распредкоробках.

Для того, что бы упростить себе работу – соединение проводов в распредкоробках и подключение патронов решил выполнить на полу, а затем полностью собранную проводку закрепить на потолке. С розетками немного проще – распредкоробки будут на стенах, а провода будут крепиться к уже имеющейся проводке при помощи хомутов-стяжек.

Здравствуйте уважаемые подписчики и читатели моего канала.

Вот такой гараж.

Те провода на патроны, которые уже есть – короткие. Их пришлось бы наращивать, или менять, поэтому решил их не трогать, оставить как есть, а выполнить новую проводку и присоединить её к уже имеющейся.

(Для «простоты» изложения слово «провод» и «кабель» будем считать словами синонимами).

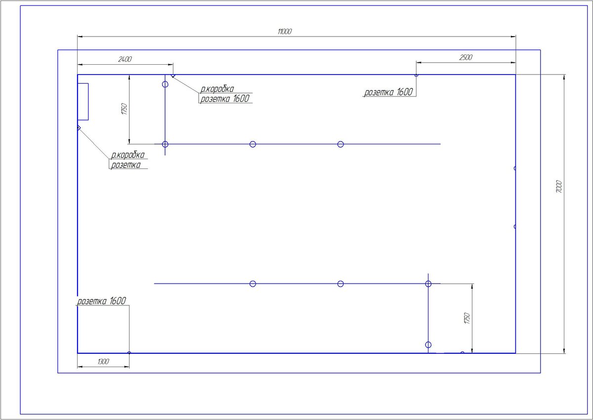
Для того, что бы представить, как это будет выполнено и сколько для этого потребуется купить материалов – был выполнен чертёж.

-2

По этому чертежу и работал. На полу разметил расположение распредкоробок и патронов, и на полу же собрал две части будущей проводки. Работал – сидя на табуретке. Правда с обычной табуретке работать было бы не удобно, но у меня есть своя, невысокая, которую я привёз с собой.

Монтаж проводки на полу
Монтаж проводки на полу

Для того, что бы провода не смещались, придавил их тем – что оказалось под рукой.

Как легко и просто изготовить такую табуретку из того, что есть – прочитаете здесь.

После того, как проводка была собрана – нужно проверить её на работоспособность, перед тем, как крепить к потолку. Для проверки я использовал шнур от старого телевизора с клеммами ваго.

Подключение проводки для проверки
Подключение проводки для проверки
Проверка проводки на работоспособность
Проверка проводки на работоспособность

Где и для чего я применяю клеммы ваго – прочитаете здесь.

Проводка работает, можно крепить её на потолок. Для этого к потолку была прикреплена проволока, которая теперь (на потолке) называется «струна».

Как выполнить проводку на «струне» - более подробно прочитаете здесь.

Крепление проводки к потолку
Крепление проводки к потолку

К «струне» проводка прикреплена стяжками-хомутами.

-7
Проводка закреплена на потолке
Проводка закреплена на потолке

После того, как все провода были закреплены, новая проводка была подключена к «старым» проводам освещения. Старая проводка осталась на стенах, при необходимости её можно будет использовать.

-9

Всё работает, в гараже стало намного светлее.

Если статья была для Вас полезной или интересной, ставьте лайки и подписывайтесь на мой канал.

Задавайте вопросы и оставляйте комментарии, вступайте в дискуссию. До следующих встреч.

Много полезных статей Вы можете найти здесь.