Добавить в корзинуПозвонить
Найти в Дзене
СамЭлектрик.ру

Проверка реле времени

По приведенным схемам можно проверить и исследовать работу любых таймеров - и электронных, и электропневматических.
Вот пример применения реле времени в схеме Звезда-треугольник - статья на Дзене.
А вот пример применения такого таймера в токарном станке. Там рассказан, зачем в станке нужен таймер, и почему его всегда убирают.
Оглавление

Проверка работы ПВЛ

Эта статья - продолжение статьи про реле выдержки времени на примере приставок ПВЛ.

По схемам, приведенным в этой статье, можно проверить и исследовать работу любых таймеров (реле выдержки времени) - и электронных, и электропневматических.

Вот пример применения реле времени в схеме Звезда-треугольник - статья на Дзене.

А вот пример применения такого таймера в токарном станке. Там рассказан, зачем в станке нужен таймер, и почему его всегда убирают.

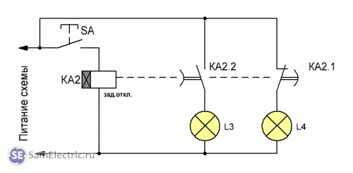
Проверить пневматическую временную приставку ПВЛ с задержкой включения и глубже исследовать её принципы действия можно, собрав такую испытательную схему:

Проверка ПВЛ-1. Реальная схема включения
Проверка ПВЛ-1. Реальная схема включения

Временная диаграмма работы схемы будет такой:

Временная диаграмма ПВЛ-1
Временная диаграмма ПВЛ-1

Лампа L2 горит. Кнопкой SA1 включается пускатель КА1, и через время t  лампа L2 выключается, а L1 включается. После выключения пускателя КА1 контакты и лампы переходят мгновенно в нормальное состояние.

Схема включения для проверки пневматической приставки ПВЛ-2:

Проверка ПВЛ-2
Проверка ПВЛ-2

Тут работа схемы отличается тем, что в нормальное состояние контакты переходят не мгновенно, как в ПВЛ-1, а через установленное время задержки.

Временная диаграмма ПВЛ-2
Временная диаграмма ПВЛ-2

Можно и не собирать схему, а проверить работу в тихом помещении. Для этого надо одеть ПВЛ на контактор, и нажать на рычаг сбоку (справа). Через установленное время ПВЛ щёлкнет, это будет хорошо слышно. А перед нажатием и после щелчка можно померить сопротивление контактов, которое должно быть в замкнутом состоянии не более 2 Ом.

Источник статьи

Если интересны темы канала, заходите также на мой сайт - https://samelectric.ru/ и в группу ВК - https://vk.com/samelectric

Не забываем подписываться и ставить лайки, впереди много интересного!

Обращение к хейтерам: за оскорбление Автора и Читателей канала - отправляю в баню.