Добавить в корзинуПозвонить
Найти в Дзене
Старый радиолюбитель

LC-генераторы на логике.

Собираясь поэкспериментировать с ключевыми смесителями и SDR, я решил в первую очередь озаботиться изготовлением гетеродина.

Собираясь поэкспериментировать с ключевыми смесителями и SDR, я решил в первую очередь озаботиться изготовлением гетеродина. И, насмотревшись в схемах SDR - приемников схем гетеродинов на триггерах, я решил проверить их работоспособность.

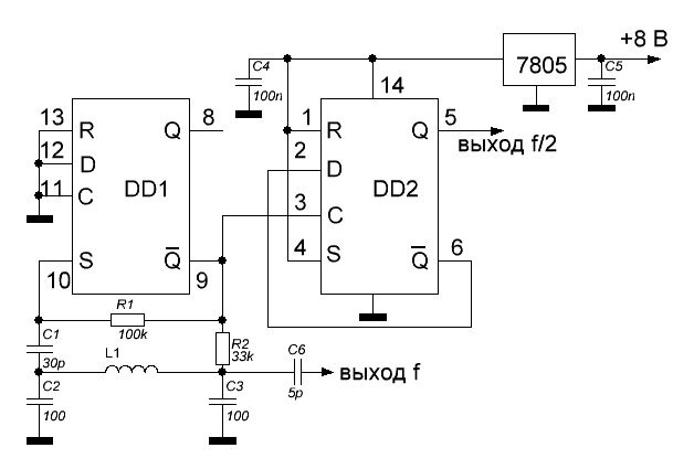
Для эксперимента я взял микросхему 74АС74, которая включает в себя два D-триггера. Схему взял отсюда http://www.cqham.ru/kds.htm. Там приведена схема приемника:

Рис. 1. Схема SDR- приемника.
Рис. 1. Схема SDR- приемника.

Меня интересовала максимальная частота на которой будет работать генератор совместно с делителем. К сожалению, у меня не нашлось 74АС74 в диповском корпусе. а только sop14. Пришлось рисовать и травить плату.

Рис. 2. Схема испытательного стенда.
Рис. 2. Схема испытательного стенда.
Рис. 3. Плата с подключенной катушкой.
Рис. 3. Плата с подключенной катушкой.

При первом включении генератор не завелся. Стал смотреть на исходную схему (рис.1). Вызвало недоумение емкость конденсатора С1 - 22n. А ведь это конденсатор положительной обратной связи. Наверно это опечатка, нужно 22р. Исправил - заработал генератор первом триггере.

Рис. 4. Сигнал на выходе генератора (выход f на рис. 2). Включен делитель 1:10.
Рис. 4. Сигнал на выходе генератора (выход f на рис. 2). Включен делитель 1:10.

Подключил другую катушку, чтобы повысить частоту.

Рис. 5.  Катушка диапазона УКВ.
Рис. 5. Катушка диапазона УКВ.
Рис.6. Сигнал с катушкой УКВ.
Рис.6. Сигнал с катушкой УКВ.

Частота сигнала - более 71 МГц, амплитуда - 2,5 В.

Подключил второй триггер - все умерло. Подумал, что второй триггер создает слишком большую нагрузку на генератор. Хотя и серия КМОП. Решил сделать развязку на полевом транзисторе, благо КП313 перед глазами маячил. Кроме того, вместо 74АС74 использовал 74НС74, ну и катушку поменял.

Рис. 6. Схема с полевым транзистором КП313.
Рис. 6. Схема с полевым транзистором КП313.
Рис. 7. Плата генератора с микросхемой 74НС74 и транзистором КП313 (красный, как КТ315).
Рис. 7. Плата генератора с микросхемой 74НС74 и транзистором КП313 (красный, как КТ315).

Подобрал R3, чтобы на стоке напряжение было равно примерно половине напряжения питания.

Рис. 8. Форма сигнала на затворе КП313.
Рис. 8. Форма сигнала на затворе КП313.
Рис. 9. Форма сигнала на стоке КП313.
Рис. 9. Форма сигнала на стоке КП313.

Но делитель так и не завелся. Подумал, что может на R и S нужно низкий уровень подавать, посмотрел даташит.

-11

Нет, все правильно, нужен высокий уровень. Но пока делитель не работает.

Ну а другая микросхема не пойдет ли? Например 2И-НЕ? У меня была 1533ЛА3.

Рис. 10. Схема LC-генератора на элементах  2И-НЕ.
Рис. 10. Схема LC-генератора на элементах 2И-НЕ.

Этот генератор завелся сразу.

Рис. 11. Сигнал при емкости контура около 40 пФ.
Рис. 11. Сигнал при емкости контура около 40 пФ.

Этот генератор выдает бОльший сигнал, чем генератор на триггере. Амплитуда - почти 4 В при частоте более 51 МГц. Попробовал уменьшить емкость. Частота росла, но начала уменьшаться амплитуда.

Рис. 12. Сигнал при емкости 25 пФ.
Рис. 12. Сигнал при емкости 25 пФ.

Устойчивая работа сохранилась до 57 МГц, а далее генерация начинала срываться при частоте более 60 МГц.

Завтра подключу к этому генератору делитель и посмотрю на его стабильность.

Всем здоровья и успехов!