Найти в Дзене
СамЭлектрик.ру

Проточный нагреватель изнутри

Всё очень просто – вода, проходя через нагревательный элемент, нагревается, её температура зависит от мощности нагревательного элемента (ТЭНа) и от скорости потока воды. Это – основной принцип работы проточного водонагревателя.
Очевидно, что чем больше мощность нагревателей и меньше скорость течения воды, тем сильнее она нагреется.
Основной минус
Оглавление

Рассмотрим устройство проточного водонагревателя.

Всё очень просто – вода, проходя через нагревательный элемент, нагревается, её температура зависит от мощности нагревательного элемента (ТЭНа) и от скорости потока воды. Это – основной принцип работы проточного водонагревателя.

Очевидно, что чем больше мощность нагревателей и меньше скорость течения воды, тем сильнее она нагреется.

Основной минус его – это, пожалуй, самое неэкономное устройство в доме. Газовые водонагреватели гораздо экономичнее.

Но, как обычно, сначала немного теории. А что касается того, как установить и отремонтировать водонагреватель – у меня есть статья Установка и ремонт проточных водонагревателей.

Ссылки на статьи на Дзене - в конце статьи.

Отличие проточных водонагревателей от накопительных

Отличие видно сразу, из названия – вода протекает или накапливается. Плюсы и минусы (или отличия) этих двух типов водонагревателей перечислены ниже.

Характеристики электрических водонагревателей

  1. Размеры и масса нагревателя. У проточного размеры гораздо меньше, его можно вообще спрятать под раковиной или например в шкафчике рядом, вес его около 1 кг. Накопительный представляет собой большой бак емкостью около 200 литров, соответственно и вес его в “заряженном” состоянии – более 200 кг. Накопительные водонагреватели емкостью более 200 литров устанавливаются, как правило, в напольном варианте.
  2. Потребляемая мощность. Этот параметр очень важен с точки зрения электрики, далее в статье ему будет уделено большое внимание. У проточного нагревателя она очень большая, и может быть сравнима с мощностью, которую потребляет вся квартира – 7 кВт и выше. Накопительный нагреватель потребляет электроэнергии меньше – 1,5…3 кВт в час
  3. Скорость нагрева воды. Главный плюс проточного водонагревателя – скорость работы. Открыл краник – и уже через пару секунд “тёпленькая пошла”. Накопительный же греет сразу весь объем, и для нагрева воды до нормальной температуры может понадобиться до часа времени.
  4. Цена. Тут разница ощутима, для проточных цена составляет 2500-4000 руб., цена накопительных – в 2-3 раза выше. “Нормальный” накопительный водонагреватель начинается с цены 7000, но опять же, всё сильно зависит от желаемых параметров.
  5. Проточные я бы ещё разделил на 2 группы по конструкции. Есть такие, у которых есть просто выход под полдюймовую трубу (шланг), и дальше его можно подключать куда хочешь. А есть такие, у которых в конструкции предусмотрен кран или шланг с душем.

Какой водонагреватель выбрать – накопительный или проточный?

Если к вопросу нагрева воды вы решили подойти основательно, то лучше пойти на затраты и выбрать накопительный водонагреватель.

Запланировали через час покупаться и помыть посуду – включили его, помылись-побрились, и выключили. И вода ещё долго (несколько часов) будет остывать, её можно использовать, не расходуя электричество.

Если же нужна горячая вода здесь и сейчас, или ограничены в средствах, или некуда ставить этот огромный бак – то конечно, лучше выбрать компактный, проточный водонагреватель. Но тут надо особо подойти к электропитанию, о чём будет сказано ниже.

Схема и устройство проточного водонагревателя

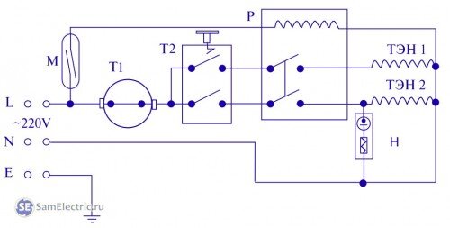
Электрическая принципиальная схема проточного водонагревателя Termex System приведена ниже. Схема взята из инструкции, которую можно будет скачать в конце статьи.

Схема проточного водонагревателя Termex System
Схема проточного водонагревателя Termex System

Итак, что “под капотом” у этого водонагревателя и как работает его электросхема?

  • М — датчик протока, который замыкает свои контакты, если только есть достаточный поток воды. То есть, если вода течет слабо либо её совсем нет, он не включится, и схема работать не будет.
  • Р — реле управления мощностью, включается от датчика протока М. Это реле своими контактами включает питание ТЭНов.
  • Т1 – температурный датчик, Т2 – температурный датчик с механическим включением, служат для предотвращения перегрева нагревательных элементов. Если эти датчики сработали, ТЭНы уже не включатся. В случае срабатывание датчика Т2 его можно после остывания включить вручную.
  • ТЭН1, ТЭН2 – электронагревательные элементы, в данном приборе включаются одновременно.
  • Н — неоновый индикатор, на передней панели.
  • L – Фаза, Line
  • N – Ноль, Neutral
  • Е — Земля, Earth

Устройство реального проточного нагревателя воды рассмотрим на фотографии:

Проточный водонагреватель Termex System – устройство и принцип действия
Проточный водонагреватель Termex System – устройство и принцип действия

Как видим, датчик перегрева – один (Т1, у него один контакт, через который питаются оба ТЭНа). Производитель в инструкции предупреждает, что может менять схему и конструкцию на своё усмотрение.

На фото не видно, как отдельно питаются два ТЭНа.

Проточный водонагреватель Termex System – устройство поближе
Проточный водонагреватель Termex System – устройство поближе

Тут стрелкой показана пимпочка (Сброс), на которую надо нажать, если сработал датчик перегрева .

А вот фото, на котором видны параметры реле:

Реле, включающее ТЭНы
Реле, включающее ТЭНы

Устройство и схема водонагревателя Thermex Stream

Термекс Стрим устроен попроще, вот фото его внутренностей:

Termex Stream внутреннее устройство
Termex Stream внутреннее устройство

В Стриме схема упрощена – нет реле. Датчик наличия потока воды (датчик протока, датчик давления) как обычно предохраняет от сухого хода, термореле – от перегрева.

Вот схема водонагревателя из инструкции:

Схема проточного водонагревателя Termex 500 700 Stream
Схема проточного водонагревателя Termex 500 700 Stream

Инструкции к проточным водонагревателям

Ниже привожу инструкции к нагревателям, о которых идет речь в статье. Перед началом использования их надо внимательно прочитать. Особенно разделы, где написано как включать-выключать воду и электропитание.

THERMEX_System_manual / Проточный электрический водонагреватель THERMEX System. Руководство по эксплуатации. Назначение, технические характеристики, комплект поставки, описание и принцип действия, эксплуатация, схема электрическая., pdf, 4.66 MB, скачан: 4476 раз./

THERMEX_Stream_manual / Проточный электрический водонагреватель THERMEX Stream. Руководство по эксплуатации. Назначение, технические характеристики, комплект поставки, описание и принцип действия, эксплуатация, схема электрическая., pdf, 6.58 MB, скачан: 3989 раз./

THERMEX_Combi_manual / Проточный электрический водонагреватель THERMEX Combi. Руководство по эксплуатации. Назначение, технические характеристики, комплект поставки, описание и принцип действия, эксплуатация, схема электрическая., pdf, 6.89 MB, скачан: 2825 раз./

На этом всё, вопросы по устройству и схеме проточных водонагревателей прошу задавать в комментарии!

Статьи по теме электрического нагрева на Дзене:

Источник статьи

Если интересны темы канала, заходите также на мой сайт - https://samelectric.ru/ и в группу ВК - https://vk.com/samelectric

Не забываем подписываться и ставить лайки, впереди много интересного!

Обращение к хейтерам: за оскорбление Автора и Читателей канала - отправляю в баню.