Найти в Дзене
We

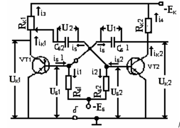
Мультивибратор с КБ емкостными связями и дополнительным источником смещения

Рисунок 1 - Схема мультивибратора с КБ емкостными связями и дополнительным источником смещения
Зачем нужен резистор Rk1?
Резистор Rk1 в данной схеме (рисунок 1) является потенциометром и предназначен для регулирования временем зарядки конденсатора.
Транзисторы муль­тивибратора VT1 и VT2 поочередно закрываются и открываются. Допустим при t=t0 VTI закрылся, a VT2- от­крылся.
Рисунок 1 - Схема мультивибратора с КБ емкостными связями и дополнительным источником смещения
Рисунок 1 - Схема мультивибратора с КБ емкостными связями и дополнительным источником смещения

Зачем нужен резистор Rk1?

Резистор Rk1 в данной схеме (рисунок 1) является потенциометром и предназначен для регулирования временем зарядки конденсатора.


Транзисторы муль­тивибратора VT1 и VT2 поочередно закрываются и открываются. Допустим при t=t0 VTI закрылся, a VT2- от­крылся.

Зарядка конденсатора Сб2 начинается от источника Ек и идет через Rk1, по мере заряда конденсатора Сб2, ток протекающий по сопротивлению Rk1 уменьшается. Вследствие этого коллекторное напряжение зависит от величины Rk1 и изменяется по формуле:

Uk1 = -Ek+i3*Rk1.

Так же, Rk1 влияет на постоянную времени цепи заряда.

Итог: резистор Rk1 предназначен для уменьшения времени заряда и увеличения времени разряда конденсатора.