Найти в Дзене
ВЛАДИМИР ЛЕБЕДЕВ

Воля Народа может быть права только в случае совпадения этой воли с требованиями объективных законов природы и их следствий.

Надо знать не знающим, что и Воля даже Народа никогда не  изменит ВЕЧНО действующие законы природы и их следствия
(которая сейчас воля, а затем  по неким  причинам  и воля исчезает или даже  меняет знак на противоположный)
и  СУБЪЕКТИВНА,
Юридические законы (пусть некая воля  народа), принятые законодательным органом управления государства  и  властями государства, не могут отменить

Надо знать не знающим, что и Воля даже Народа никогда не  изменит ВЕЧНО действующие законы природы и их следствия

(которая сейчас воля, а затем  по неким  причинам  и воля исчезает или даже  меняет знак на противоположный)

и  СУБЪЕКТИВНА,

Юридические законы (пусть некая воля  народа), принятые законодательным органом управления государства  и  властями государства, не могут отменить объективных законов природы и их следствий и  поэтому  не могут отменить

ВЕЧНО

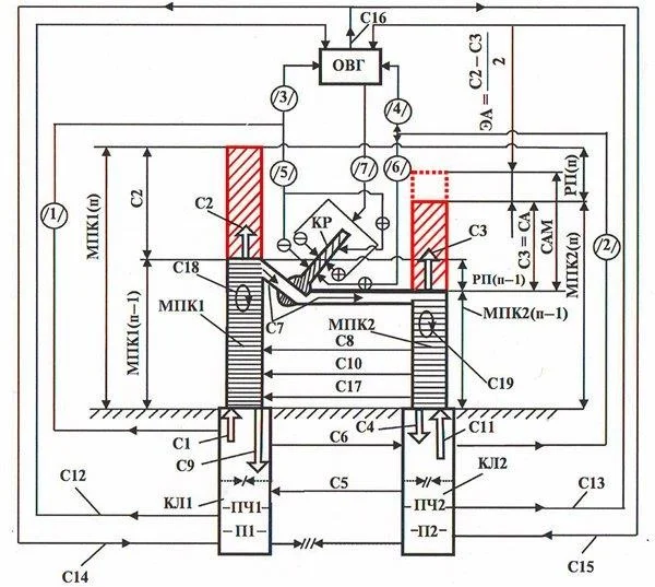
ТРЕБУЕМУЮ   СТРУКТУРУ  ПОСТРОЕНИЯ  общественной системы,  которая приведена  на Рис. 1, которая фундаментально соответствует  требованиям  объективных законам природы и их следствиям - положениям диалектики, законам диамата.

В   схеме им. В Н ЛЕБЕДЕВА (см. ниже)  фундаментально строго  учтен  реальный  механизм самовозрастания капитала и учтены  все  связанные с этим структурные сложности)

Рис.1 - Схема движения, дележа и роста материального потенциала в Общественной Системе общество государство (схема им. Лебедева) : схема системы общество государство для рыночных ОЭФ.

В приведенной схеме на рис.1, отражен постоянно проходящий  в общественной  системе,  в практике реальной жизни "ежесекундный" процесс движения, изменения и дележа материального потенциала  (МПК1 и  МПК2),  то есть   это  :

–  производство (С1, С11);

–  распределение (С7);

–  потребление (С4, С9);

– прирост накопления  или прирост богатства (С2, С3).

МПК1 — материальный потенциал (накопления, богатство) собственников средств производства  в денежных единицах,

МПК1= капитал + личная собственность.

МПК2 — материальный потенциал (накопления, богатство) не собственников средств производств в денежных единицах, МПК2 = личная собственность.

Из приведенного  понятно, что не только  МПК1, (включающий  капитал),  но и  МПК2  (личная собственность  - КЛ2 ) определяет политэкономический процесс в общественной системе, что  не учтено в  марксизме и  м – л.

«Схема» на рис. 1, это «оболочка», которая вмещает, охватывает все (без исключения) бесконечное многообразие процессов, происходящих  в  общественной  системе, обществе,  государстве,  при этом, естественно,  действуют все,  природой  созданные закономерности и взаимосвязи, в том числе и обратные связи.

Объективный макропроцесс в общественной системе есть обобщающий результат разнонаправленных устремлений всех многих групп и множества людей, при этом, все множество людей в обществе четко и однозначно делится ныне на собственников средств производства (КЛ1) и не собственников средств производства (КЛ2).

При ГАРМОНИЗМЕ, то есть  при отсутствии эксплуатации в общественной системе, в ней создано оптимальное диалектическое противоречие, которое соответствует оптимально требуемым и взаимоувязанным  параметрам  производства, распределения, потребления,  накопления, что означает  наличие  в общественной системе объективного  баланса между производством, распределением, потреблением, накоплением, который объективен для имеющегося уровня развития экономики государства.

Достаточно просветить население страны, в том что такое ГАРМОНИЗМ и почему Гармонизм есть объективно справедливая общественная система, после чего ПАРТИЯ, это сделавшая, победит на выборах всех уровней и придет к власти, после чего законодательно проведет некие корректировки законов через думу, направленные на увеличение ПРИРОСТА НАКОПЛЕНИЙ (С3) у НЕ собственников частных средств производства и постепенного (недопустимо слишком быстрое увеличение – С3, так как это приведет к недопустимому - С2<C3) достижения равенства приростов накоплений (приростов богатств) - С2=С3 у, соответственно, классов собственников и НЕ собственников частных средств производства.

Равенство С2=С3 соответствует оптимальному диалектическому противоречию (интегральному) «единство и борьба», соответствующему - РП= МПК1 – МПК2 = постоянный параметр, в котором отсутствует антагонистическая составляющая «классовой борьбы» и которое (равенство С2=С3), соответствует границе между положениями C2>C3 и С2<С3, при этом, при С2=С3, обеспечивается работодателям объективно им необходимая ПРИБЫЛЬ, в которой не будет ни копейки, недоплаченной в зарплату наемных работников, то есть не будет ни копейки, сворованной из объективной зарплаты наемного работника, что и  есть наличие отсутствия ЭКСПЛУАТАЦИИ.

ГАРМОНИЗМ есть фундаментально справедливая общественная система, представляющая каждому члену общественной системы жизнь без ЭКСПЛУАТАЦИИ и всем предоставляющая ОБЪЕКТИВНО полностью реализовать свои возможности и желания, ограниченными ОБЪЕКТИВНО только рамками ОБЪЕКТИВНЫХ возможностей каждого,

то есть если не достиг желаемого, то виноват сам , по причине отсутствия ОБЪЕКТИВНЫХ ПРИЧИН, препятствующих достижений желаемого при построенном ГАРМОНИЗМЕ - фундаментально объективно справедливой общественной системе.

Примечание. 1. Определение "объективно" определяет фундаментальное соответствие объективным законам природы (ОЗП) и их следствиям - положениям диалектики, законам диамата, поэтому понятие - " объективная справедливость общественной системы, общества" надо не путать с пониманием понятия "справедливость" субъективным сознанием того человека, который не соизмеряет свои субъективные желания и ощущения с требованиями ОЗП и их следствиями.

Народовластие ,  Народоправие (механизм народной власти,  форма --  артельная, кооперативная, колхозная, акционерная) ЗАПРЕЩЕНЫ потому, что Народные предприятия и Государствоправие  НЕ РАЗДВАИВАЮТ общественную систему, а  наоборот УНИЧТОЖАЮТ ....УСТРАНЯЮТ   диалектические противоположности -- Классы,  между которыми должно быть диалектическое противоречие  "единство и борьба" -- разность потенциалов,

так как все люди  в Народных предприятиях  являются одновременно и собственниками и не собственниками  средств производства, поэтому и народовластие, народоправие  ЗАПРЕЩЕНО к образованию общественной системы объективными законами природы и их следствиями –положениями диалектики, законами диамата,

а Государствоправие  ЗАПРЕЩЕНО  к образованию общественной системы,

так  как при Государствоправии все люди не являются  собственниками частных средств производства  и  также  не образуют диалектические противоположности - КЛАССЫ в общественной системе,  раздваивающие  систему,

между которыми должно быть диалектическое противоречие  "единство и борьба" -- разность потенциалов, что требуется  объективными законами природы и их следствиями –положениями диалектики, законами диамата,

ГАРМОНИЗМ  это, объективно неизбежно  идущая на смену капитализма общественная система,  постепенно и неуклонно реформируя капитализм  в ГАРМОНИЗМ.

Этот процесс, реформации капитализма в  ГАРМОНИЗМ, уже ныне проявляется и происходит  стихийно, как тенденция, в развитых странах капитализма, примеры  начала  появления  тренда  к  равенству – С2=С3 см. 1, 2, 3.

Процесс построения -- ГАРМОНИЗМА это не "нажать включатель", а это естественный временной процесс, в течении которого на макроуровне - ГОСУДАРСТВО рыночными методами выдерживает  тренд к равенству прироста богатств - С2=С3 и далее,  планово – рыночно, поддерживает само равенство – С2=С3, определяющее  оптимальное диалектическое противоречие в каждой точке общественной системы, то есть в каждой точке общественной системы ,

каждый получает объективно им заработанное и заслуженное (заслуженное, получаемое в области соцобепечения), наемный работник  получает объективную величину зарплаты за результаты труда, работодатель  оптимально требуемую прибыль для ведения  экономической деятельности накопления и  личного потребления, без «копейки», сворованной у наемного работника из его зарплаты.

Один человек не может быть никогда одновременно противоположностями в одной паре диалектических противоположностей, например пары раздваивающей единую систему,  так как каждый человек  может принадлежать только к одной диалектической противоположности -КЛАССУ,

что есть следствие требования, о раздвоении единой системы полюсной парой диалектических противоположностей - классов, это требование ЯДРА диалектики и диамата и закон объективный природы для протекания любого материального процесса.

Проявление Самоуправления, Народовластия, Прямой демократии возможны как локальные, не масштабные проявления, в связи с тем, что в масштабе всей общественной системы - государства это  ЗАПРЕЩЕНО,

так как  при народовластии  человек есть  и собственник и  НЕ собственник средств частных средств  производства, то есть нет  РАЗДВОЕНИЯ системы на диалектические противоположности - КЛАССЫ ,  требуемые  объективными законами природы , положениями  диалектики, законами  диамата.

Это  ЗАПРЕЩЕНИЕ  известно  ныне  и как факт в практике  жизни общественной системы :

---уничтоженные Ганзея (Ганза), Новгород, Псков на Руси

неэффективные ныне кибуци,  кооперативы типа чаяновского и федотовского, уничтоженные чуть - ли не  кровавой  войной членов кооперативов за   собственность кооперативов , после смерти лидеров, которые и были практически руководителями , решавшими все вопросы как собственники  средств производства.

Объективно справедливая общественная система – ГАРМОНИЗМ, то есть при оптимальном диалектическом противоречии, соответствующем - С2=С3 (при эксплуатации = 0), соответствует объективно правильно отрегулированному уровню свобод и демократии, так как иначе обществу и государству может быть плохо как при сильной зависимости власти от мнения народа, так и при слабой зависимости власти от мнения народа, то есть при отсутствия правильного соответствия между ними . {7}

Надо знать, что и Воля даже Народа никогда не  изменит ВЕЧНО действующие законы природы и их следствия (которая сейчас воля, а затем  по неким  причинам  и воля исчезает или даже  меняет знак на противоположный) и  СУБЪЕКТИВНА.

Материальная общественная система зависит только от объективных требований законов природы и их следствий,
поэтому
и геополитические проблемы не определяют и не могут ОТРИЦАТЬ объективные законы природы и их следствия,
поэтому в общественной системе ДИАЛЕКТИЧЕСКИЕ ПРОТИВОПОЛОЖНОСТИ (состоящие из людей системы) --
КЛАССЫ , ВЕЧНО НЕОБХОДИМЫ и их уничтожение ВЕЧНО ЗАПРЕЩЕНО.

Общественная система появилась и образовалась только с появлением  диалектических противоположностей   (состоящих из людей системы), названных КЛАССАМИ и если уничтожить классы --диалектические противоположности то  общественная система  будет  УНИЧТОЖЕНА , в соответствии с требованиями объективных законов природы и их следствиями --положениями диалектики  и законами диамата.

КЛАСС это ВЕЧНО необходимая диалектическая противоположность ,являющаяся обязательным СТРУКТУРНЫМ ЭЛЕМЕНТОМ любой общественной системы.

«История всех до сих пор существовавших обществ была историей борьбы классов». К. Маркс, Ф. Энгельс, изд. 2, т. 4, стр. 424.

Воля Народа может быть права только в случае совпадения этой воли с требованиями объективных законов природы и их следствий, которые и определяют при, построенной общественной системе - ГАРМОНИЗМ (при С2=С3), объективно требуемую Демократию, которая объективна, так как соответствует, построенному в общественной системе ГАРМОНИЗМ, ОПТИМАЛЬНОМУ диалектическому противоречию (при эксплуатации = НУЛЮ) на всех уровнях и иерархиях общественной системы.

1. Лебедев В. Н. Необходимость смены идеологии построения объективно справедливой общественной системы. Путь построения объективно оптимальной экономической модели развития страны. Путь борьбы за идеалы социального государства (междисциплинарный подход)  – СПб. : ПОЛИТЕХ-ПРЕСС, 2020. – 127 с.  ISBN 978-5-7422-6829-1 http://lebedev-v-n.narod.ru/pages/25/

2. В Н Лебедев. Борьба за идеалы социального государства. Гармонизм– общество без эксплуатации. Новая политэкономия (междисциплинарный подход)/ В. Н. Лебедев. – СПб.: ПОЛИТЕХ-ПРЕСС, 2019г. http://www.lebedev-v-n.narod.ru/pages/24/

3. Лебедев В.Н. "Критерий определения справедливого общества". СПб.; Химиздат, 2004. ISBN 5-93808-059-2. http://www.lebedev-v-n.narod.ru/pages/1/1.html

4. В Н Лебедев "Начала новой политэкономии". Издательство Политехнического университета СПБ, ISBN 978-7422-4424-0 , 2014г http://www.lebedev-v-n.narod.ru/pages/11/p2.htm

5. В. Н Лебедев . Инновационный Новый Политический Концепт. Начала Новой Политэкономии. Гармонизм (от слова «гармония») – общественная система. Комплексно-Факторная Теория Стоимости (КФТС)(междисциплинарный подход), ISBN 978-5-7422-5038-8, СПб. Изд-во Политехн. ун-та, 2015. http://www.lebedev-vn.narod.ru/pages/14/index.html

6. © Copyright: Лебедев Владимир, "О Народовластии , Народоправии (механизм народной власти) и Государствоправии." 2020 Свидетельство о публикации №220042100955 https://proza.ru/2020/04/21/955

7. Лебедев В.Н. «О некоторых закономерностях развития общества : --- Критерий определения справедливого общества, --- КОМПЬЮТЕРНАЯ демократия или Демократия должна быть, ,управляемой, --- Критерий определения действия отрицания — отрицания закона» СПб.: Изд-во Политехнического ун-та, 2006. ISBN 5-7422-1188-0
http://lebedev-v-n.narod.ru/pages/3/3.html http://lebedev-v-n.narod.ru/pages/3/3.2.html