Добавить в корзинуПозвонить
Найти в Дзене
technomaniac48

DDS генератор сигналов на Atmega 16

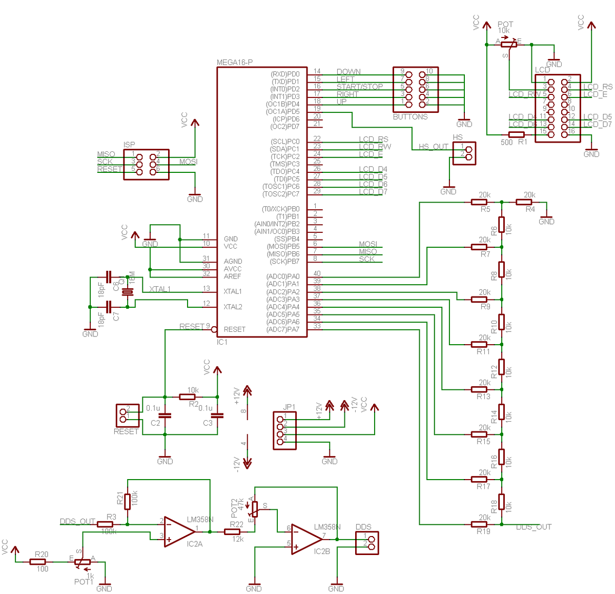
Генератор сигналов на микроконтроллере Atmega 16. Печатная плата была разработана мной по схеме из интернета : https://www.rlocman.ru/
Печатная плата была разработана с учетом мох потребностей.
Травление в растворе перекиси водорода, соли и лимонной кислоты.
Готовая плата

Генератор сигналов на микроконтроллере Atmega 16. Печатная плата была разработана мной по схеме из интернета : https://www.rlocman.ru/

Печатная плата была разработана с учетом мох потребностей.

Травление в растворе перекиси водорода, соли и лимонной кислоты.
Травление в растворе перекиси водорода, соли и лимонной кислоты.
Готовая плата
Готовая плата
-4
Тест прошитого контроллера
Тест прошитого контроллера
-6

Прошивал контроллер по SPI через ардуино UNO. Прошивку брал на том же сайте.

-7
-8
-9
-10

Тест генератора на максимальной частоте. Небольшие искажения из за использованного низкокачественного операционного усилителя. При установке более качественного сигнал без искажений.

-11
-12

Корпус использован от неисправного транзистор-тестера Tesla. В последствии мой генератор и приобрел название бывшего прибора.