Добавить в корзинуПозвонить
Найти в Дзене
Сергей Гайдук

Мощный регулятор напряжения.

Здравствуйте дорогие друзья! Как и обещал, пишу чем я занимался пока ждал посылку из Китая. В этом материале и в следующем расскажу коротко об этом.
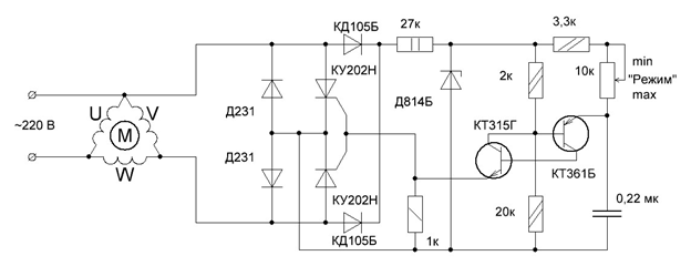
Речь пойдет о статье «Устройство запуска трехфазных электродвигателей» в журнале РАДИО 1996 №6 стр.69, автор В. Голик.
Схема устройства запуска.
По словам автора, устройство позволяет запускать и обеспечивать работу электродвигателей вместо

Здравствуйте дорогие друзья! Как и обещал, пишу чем я занимался пока ждал посылку из Китая. В этом материале и в следующем расскажу коротко об этом.

Речь пойдет о статье «Устройство запуска трехфазных электродвигателей» в журнале РАДИО 1996 №6 стр.69, автор В. Голик.

Схема устройства запуска.
Схема устройства запуска.

По словам автора, устройство позволяет запускать и обеспечивать работу электродвигателей вместо конденсаторов. Обмотки включены треугольником, двигатель до 1500 об/мин, мощность до 3000 Ватт.

Схема заинтересовала и через определенный промежуток времени была проверена в работе. Результат оправдал ожидание, но применить не мог из-за присутствия везде трехфазной сети.

А вот через два года возникла очень интересная проблема, надо было запитать нихромовую спираль от низковольтного трансформатора. Обязательное условие: спираль может быть выполнена нихромой проволкой диаметром от 0,8 мм до 2,0 мм, напряжение должно плавно регулироваться от «мин» до «мах». Почему возникла такая проблема? Просто потребовался ЛАТР ( лабораторный автотрансформатор ) для другого устройства, но о нём в следующем материале.

Делать низковольтный регулятор напряжения низковольтной спирал показалась нереальной. Конечно, сейчас мне возразят мои читатели: так это же элементарно, десять минут работы!!! Но тогда не было транзисторов с большим током при минимальном падении напряжения. Вернее они были, но найти их было ещё проблематично!

И тут возникла идея применить регулятор В. Голика! Спасибо ему!!!

За 10 минут не получилось, но несколько дней потребовалось. В итоге получилось вот такое устройство.

Итоговая схема устройства.
Итоговая схема устройства.

В итоге блок дождался своего применения и показал отличные результаты! А так как блок был готов, осталось только все собрать в виде законченного устройства. Но это было в 1998 году, а весной 2020 года потребовалось такое же второе устройство, одного уже не хватало, да 22 года солидный срок бесперебойной работы.

Схематично устройство было повторено один к одному, это требование – ремонтопригодность и надежность! Внешне они отличаются. Посмотрите как выполнена конструкция.

Нихромовая спираль.
Нихромовая спираль.
Общий вид.
Общий вид.

В заключение, могу добавить, что устройство В. Голика можно применять для регулировки нагрева других нагревательных устройств. Сам принцип регулировки по высокой стороне очень часто оправдывает себя по сравнению с регуляторами по низкой стороне.

Вот такое получилось устройство.

Пишите Ваши вопросы, если они появились! Всегда рад ответить!