Найти в Дзене
0x41lex

Индикатор тлеющего разряда ИН-7, ИН-7А, ИН-7Б

ИН-7, ИН-7А, ИН-7Б
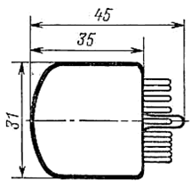
Индикатор тлеющего разряда для работы в качестве визуального знакового индикатора электрических сигналов. Катоды — в форме знаков и букв. Высота знака 16 мм. Индикация производится через купол баллона. Оформление — стеклянное, (РШ 31). Масса 30 г.
Выводы электродов:
При исполнении ИН-7

ИН-7, ИН-7А, ИН-7Б

Индикатор тлеющего разряда для работы в качестве визуального знакового индикатора электрических сигналов. Катоды — в форме знаков и букв. Высота знака 16 мм. Индикация производится через купол баллона. Оформление — стеклянное, (РШ 31). Масса 30 г.

Изображение лампы из советского datasheet
Изображение лампы из советского datasheet

Изображение РШ-31 из советского datasheet
Изображение РШ-31 из советского datasheet

Выводы электродов:

Изображение из советского datasheet
Изображение из советского datasheet

При исполнении ИН-7

Изображение из советского datasheet
Изображение из советского datasheet

1 — буква n; 2 — анод; 3 — не подключен; 4 — знак «+» (плюс); 5 — буква m; 6 — буква А; 7 — буква V; 8 — не подключен; 9 — буква М; 10 — не подключен; 11 — буква Ω; 12 — знак ~; буква — К; 14 — знак «-» (минус).

При исполнении ИН-7А

Изображение ИН-7А из советского datasheet
Изображение ИН-7А из советского datasheet

1 — буква М; 2 — анод; 3 — не подключен; 4 — знак «+» (плюс); 5 — буква m; 6 — знак %; 7 и 8 — не подключены; 9 — буква μ; 10 — не подключен; 11 — знак «-» (минус); 12 — буква К; 13 — буква П; 14 — не подключен.

При исполнении ИН-7Б

Изображение ИН-7Б из советского datasheet
Изображение ИН-7Б из советского datasheet

1, 3, 6, 7, 8, 10, 11, 13, 14 — не подключены; 2 — анод; 4 — буква S; 5 — буква Hz; 9 — буква V; 12 — буква Ω.

Основные параметры

  • Напряжение зажигания промежутка анод – катод ≤170 В
  • Время запаздывания зажигания разряда на свету (не менее 40лк) ≤1 с
  • Падение напряжения между анодом и катодом ≤160 В
  • Ток индикации ≤2,5 мА
  • Долговечность:
  • для ИН7 ≥1000 ч
  • для ИН-7А ≥800 ч
  • для ИН-7Б ≥400 ч

Предельные эксплуатационные данные

  • Напряжение питающей сети, В min 200 max –
  • Рабочий ток постоянный, мА min 3,5 max 4
  • Рабочий ток пульсирующий (среднее значение), мА min 1 max 1,5
  • Рабочая температура окружающей среды, ° С min -60 max +85
  • Ток перегрузки, мА не более 5
  • Время перегрузки, мин не более 30
  • Гарантийный срок хранения 4 года

Указания по эксплуатации

  1. Применение и эксплуатация индикаторов по ОСТ 11.339.003-75
  2. Для исключения влияния условий хранения на параметры индикаторов рекомендуется за минуту до установления рабочего режима произвести их тренировку номинальным током в течении времени не менее 1 мин по каждому катоду.

Рекомендуется питание индикаторов однополупериодным выпрямленным напряжением сети (без фильтра). При этом средний ток не должен превышать 1,5 мА.

Рекомендуемая величина питающего напряжения при работе на постоянном токе – 250 В.

Драгоценных металлов не содержит.

Индикатор соответствует техническим условиям 3.341.017 ТУ, 0.334.010 ТУ (ред. 1974 г.)

Подписывайтесь, ставьте лайки и просто поддержите.

Ваш 0x41lex