Найти в Дзене
Акум Эксперт

Простое и дешевое автоматическое зарядное для герметичной свинцово-кислотной АКБ

Несложное зарядное устройство для кислотно-свинцового аккумулятора, описание, принцип дейтсвия, настройка.
Оглавление

Эта статья рассказывает от том, как самостоятельно изготовить автоматическое ЗУ для 12 В свинцово-кислотного аккумулятора. Процесс зарядки происходит в соответствии со всеми рекомендациями компаний производителей АКБ.

Алгоритм зарядки

Зарядка батарей происходит в три этапа.

  1. В начале первого этапа аккумулятор разряжен. Его зарядка должна производиться током 0,1С, где С – это значение емкости батареи, выраженное в ампер-часах. В процессе зарядки напряжение на АКБ растет и когда оно достигает значения 14,4 … 14,6 В первый этап можно считать завершенным.
  2. На втором этапе напряжение должно быть стабильным, а ток уменьшается. Когда ток уменьшится до значения 0,02С уровень заряда батареи будет равен или выше 80%. После этого можно переходить к третьему этапу.
  3. На третьем этапе напряжение необходимо уменьшить до 13,8 В, а ток уменьшается до 0,001 до 0,002С и остается постоянным. Эта величина тока не опасна для АКБ и компенсирует саморазряд. Уровень напряжения на данном этапе предотвращает перезаряд. При этих значениях тока и напряжения аккумулятор может находиться постоянно без вреда для себя и будет готов к работе в любое время.
Внимание! Во время зарядки к аккумулятору не должна быть подключена нагрузка.

Схема и принцип работы зарядного устройства

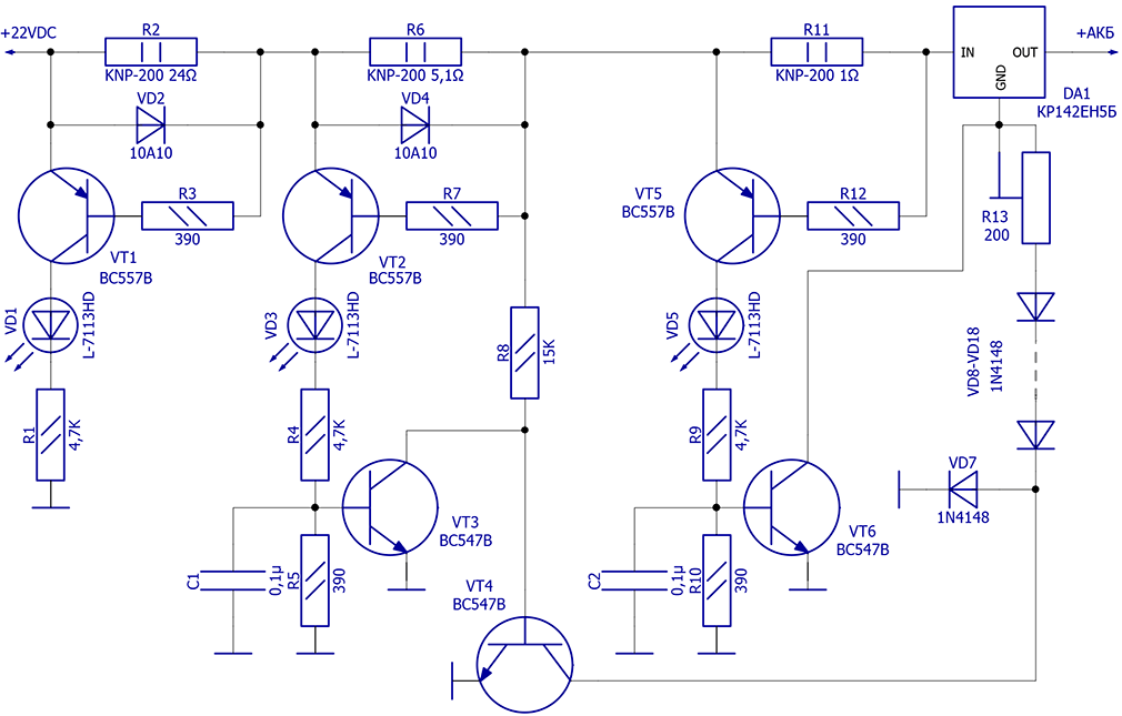
Предлагаемое зарядное устройство состоит из стабилизатора напряжения и тока. Зарядка АКБ осуществляется через микросхему стабилизатора DA1. Выходное напряжение устанавливается подстроечным резистором R13 и зависит от сопротивления цепи диодов VD7 - VD18.

Электрическая схема предлагаемого устройства
Электрическая схема предлагаемого устройства

Во время первого этапа зарядки ток, текущий через резисторы R2, R6 и R11, создает на них разность потенциалов, достаточную для открытия транзисторов VT1, VT2, VT3, VT5 и VT6. Светодиоды VD1, VD3 и VD5 светятся. Микросхема DA1, совместно с транзисторами VT5 и VT6 стабилизируют ток на выходе. Зарядка аккумулятора вызывает увеличение напряжения на нем и уменьшение тока. Когда ток уменьшится, и станет ниже пороговой величины, транзисторы VT5 и VT6 закроются и диод VD5 перестанет светиться. На этом первый этап завершается.

Во время второго этапа транзисторы VT1, VT2 и VT3 открыты, а VT4, VT5 и VT6 закрыты. АКБ заряжается стабильным напряжением, равным разности потенциалов на микросхеме DA1, подстроечном резистора R13 и диодах VD7 … VD18. Оно должно находиться в пределах от 14,4 до 14,6 В. На этом этапе ток зарядки постепенно уменьшается. В конце этапа величина тока становится ниже критической, и напряжение на резисторе R6 становится недостаточным, для поддержания VT2 в открытом состоянии. Транзисторы VT2 и VT3 закрываются, светодиод VD3 тухнет. Транзистор VT4 открывается.

На протяжении третьего этапа транзистор VT4 шунтирует диод VD7. Напряжение на выходе стабилизатора уменьшается на величину разности потенциалов на переходе этого диода и не превышает 13,8 В. При этом величина зарядного тока также уменьшается. В какой-то момент она становится недостаточной, для поддержания транзистора VT1 в открытом состоянии. VT1 закрывается, светодиод VD1 перестает светить. На этом зарядка заканчивается.

Печатная плата зарядного устройства
Печатная плата зарядного устройства

Диоды VD2 и VD4 нужны для ограничения напряжения на резисторах R2 и R6.

Напряжение источника питания должно находиться в пределах от 22 до 25 В.

В качестве диодов входящих в цепь VD7…VD18 можно использовать любые кремниевые, например Д220, Д223, КД 522, КД103.

Резисторы R6, R2 и R11 можно сделать самостоятельно из нихромовой проволоки, толщиной 1 мм, ее длину следует подобрать в процессе налаживания.

Площадь теплоотвода, на котором устанавливается микросхема DA1, определяется из расчета 20 кв. см. на 1 Вт мощности.

Наладка

Перед тем, как начать наладку, к выходу устройства подключаются переменное сопротивление и амперметр, включенные последовательно.

Настройку начинают с подбора величины сопротивления резистора R11, который должен обеспечить ток стабилизации равный 0,1С.

На втором этапе подбираем резистор R6. Чтобы предотвратить скачок тока, возникающий при открытии VT4, между его базой и эмиттером устанавливаем перемычку. Величину сопротивления R6 нужно подобрать таким образом, чтобы при токе равном 0,02С загорался диод VD3.

Важно! После подбора сопротивления R6 не забудьте снять перемычку, установленную между базой и эмиттером VT4.

Сопротивление R2 подбирают так, чтобы VD1 загорался при токе 0,04С.

На схеме указаны величины сопротивлений R2, R6 и R11 для батареи емкостью 7,5 ач.

После этого устанавливаются значения напряжения стабилизации, действующие во время второго (14,4 … 14,6 В) и третьего (13,8 В) этапов зарядки. Для этого к выходу рассматриваемого устройства необходимо подключить нагрузочное сопротивление (сопротивление 180 … 200 Ом, мощность 2 Вт) и вольтметр. При этом светиться должен единственный светодиод VD1. Напряжение регулируется подстроечным резистором R13, его значение должно находиться в диапазоне от 13,7 до 13,8 В.

Теперь нужно проверить напряжение, действующее на втором этапе. Для этого подключаем на выходе устройства нагрузочный резистор со следующими параметрами: сопротивление от 30 до 50 Ом, мощность 10 Вт. Проверяем напряжение, оно должно быть в пределах от 14,4 до 14,6 В.