Добавить в корзинуПозвонить
Найти в Дзене
TehnoPanda

Горелки UNIGAS промышленные типа Р

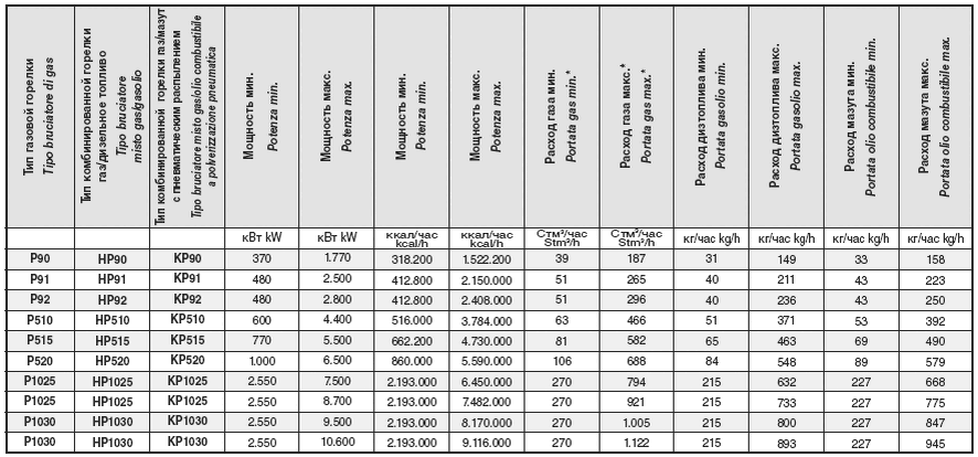
Гамма промышленных горелок включает в себя мощности от 1770 кВт до 70 МВт. При изготовлении этих горелок используются разные конструктивные методы, в зависимости от типологии конечной системы и потребностей клиента. Для более низких мощностей (до 10,6 МВт) предпочтение отдается алюминиевому литью и, наоборот, для больших мощностей применяются стальные конструкции.
Оглавление

Материал технического паспорта взят из Базы данных промышленного оборудования "АИСТ".

В базе данных АИСТ содержится свыше 85 тысяч технических паспортов. При нынешнем темпе размещения в Яндекс.Дзен этого хватит на 170 лет..

Гамма промышленных горелок включает в себя мощности от 1770 кВт до 70 МВт. При изготовлении этих горелок используются разные конструктивные методы, в зависимости от типологии конечной системы и потребностей клиента. Для более низких мощностей (до 10,6 МВт) предпочтение отдается алюминиевому литью и, наоборот, для больших мощностей применяются стальные конструкции.

Проект промышленных горелок был разработан для получения максимальной гибкости в изготовлении горелок, направленной на достижение целей, поставленных Клиентом, принимая на вооружение самые разнообразные методики. Например, можно поставлять головки с поступлением воздуха сверху вниз относительно топки, с осевым потоком воздуха или касательным, с регулированием турболентности и т.д. Благодаря этим возможностям, горелки можно индивидуализировать, одновременно выдерживая размеры и эксплуатационные качества, которые в промышленном секторе, очень часто, отличаются друг от друга. Естествено, что головки сгорания имеются в исполнении с жидкими видами топлива, газовыми и смешанными. Индивидуализация, в таких случаях, обязательна и возможна, только благодаря нашей гамме, поэтому особые требования со стороны клиента рассматриваются по отдельности в каждом конкретном случае.

Кроме того, в зависимости от комплектующих, системы уже различаются между собой:

  • встроенный или отдельный электрощит (в виде пюпитра);
  • механическое или электронное регулирование;
  • контроль кислорода;
  • рециркуляция уходящих газов;
  • воздух горения, доведенный до температуры 200°С;
  • насосная группа подачи мазутного топлива;
  • группа подогрева мазутного топлива.

ГОРЕЛКИ ТИПА Р

Горелка с корпусом из алюминиевого литья

Установка на фланце котла

Воздух горения от встроенного вентилятора

Трубопровод подачи газа на фланце коллектора

Фурма подачи жидкого топлива

Снятие головки сгорания через верхнюю крышку

 Значения относятся к стандартным условиям: 15 °C и 1013 мбар
Значения относятся к стандартным условиям: 15 °C и 1013 мбар

Моноблочная горелка на газотрубном котле

Моноблочная горелка на газотрубном котле

-4

ГАЗОВЫЕ РАМПЫ

  1. Горелка
  2. Блок контроля герметичности
  3. Газовый клапан со стабилизатором давления
  4. Предохранительный газовый клапан
  5. Реле минимального давления газа
  6. Газовый фильтр
  7. Стабилизатор давления газа со встроенным фильтром
  8. Реле давления для контроля утечек газа
  9. Антивибрационная муфта
  10. Газовый байпасный клапан
  11. Газовый клапан запальника
  12. Реле максимального давления газа
  13. Ручной отсечной кран
  14. Двойной клапан VGD
  15. Клапанная группа DMV-DLE
  16. Моторизированный газовый клапан
  17. Дроссельный клапан

НАСОСНАЯ ГРУППА

-6

Для промышленных горелок группа нагнетания топлива изготавливается на отдельной стальной раме. Для этой цели выбираются объемные насосы с регулируемым в соответствующем диапазоне давлением. Они могут быть повышенной мощности во избежание остановки системы в связи с выходом из строя или обслуживанию. Фильтрация предназначена удалять именно те примеси, которые содержатся в топливе, подлежащем сжиганию. Можно установить поддон для сбора топлива, чтобы не загрязнять землю.

ПОДОГРЕВАЮЩИЕ АГРЕГАТЫ

-7

Подогревающие агрегаты можно изготовить с помощью теплообменников, которые используют в качестве теплоносителя пар, электричесво или же диатермическое масло.

Регулирование температуры осуществляется с помощью термостатов и/или модулирующих клапанов. Предусмотрены байпасные клапаны на случай ремонта регулировочных или для применения на стадии пуска.

Конденсатные горшки, отсечные краны, электрощиты и другие аксессуары входят в состав стандартной оснастки.

РЕГУЛИРОВОЧНАЯ ГРУППА

Это группа выполняет регулирование топлива перед его подачей на сопло. Отсечные клапаны мазутного топлива пневматического или электрического действия. В зависимости от схемы, подлежащей реализации, могут быть использованы регуляторы расхода, давления, бай-пасс, обратные клапаны и т.д. В этом случае также манометры, термометры, реле давления и термостаты являются неотъемлемой частью этих групп.

Все группы могут быть индивидуализированы в соответствии с технической спецификацией.

-8

ГИДРАВЛИЧЕСКИЕ СХЕМЫ

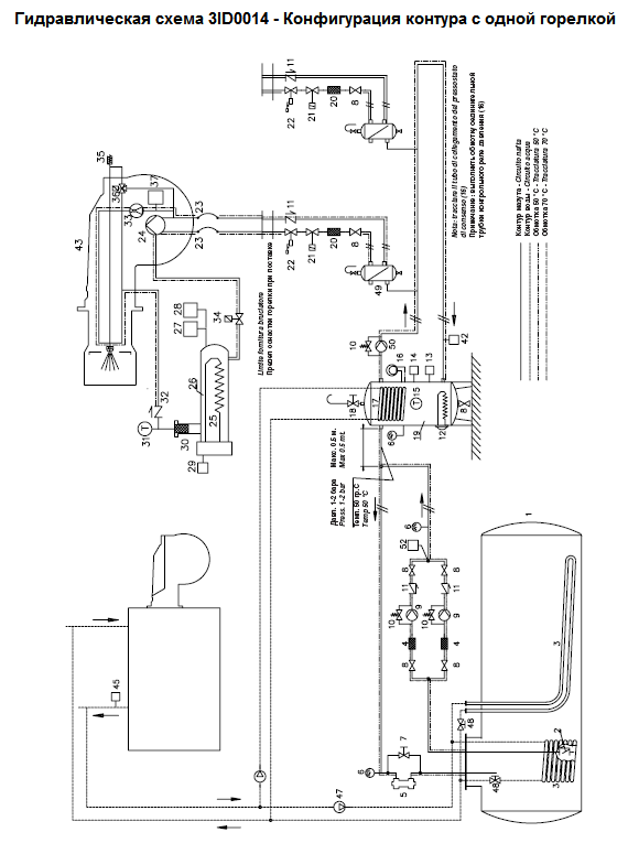
ПРИМЕЧАНИЕ:
На данной схеме изображен кольцевой контур подготовки топлива в полной комплектации. По требованию, топливный контур может быть упрощен, в зависимости от потребностей клиента.

Гидравлическая схема 3ID0014

1 - Цистерна мазута

2 - Донный клапан

3 - Нагревательный змеевик цистерны

4 - Фильтр на линии

5 - Регулятор давления системы мазута

6 - Манометр

7 - Байпасный клапан для регулирования давления

8 -Ручной запорный клапан

9 - Насос мазута

10 - Регулятор давления насоса

11 - Обратный клапан

12 - Нагревательный элемент рабочего бака

13 - Термостат нагр. элемента рабочего бака

14 - Контрольный термостат горелки

15 - Термометр

16 - Контрольное реле давления нагр. эл. раб. бака

17 - Нагревательный змеевик рабочего бака

18 - Вантуз рабочего бака

19 - Рабочий бак

20 - Фильтр мазута

21 - Электроклапан отсечки топлива

22 - Клапан отсечки топлива

23 - Шланги насоса горелки

24 - Насос мазута

25 - Нагр. элемент бачка-подогревателя горелки

26 - Бачок-подогреватель горелки

27 - Контрольный термостат мазута

28 - Предохран. термостат нагр. эл. бачка

29 - Регулировочный термостат темп. мазута

30 - Фильтр бачка

31 - Термометр

32 - Клапан против выделения газа

33 - Регулятор температуры обратного хода

34 - Предохранительный клапан горелки

35 - Поршень копья

36 - Регулятор производительности копья

37 - Контрольный термостат горелки

42 - Термостат включения горелки

43 - Горелка

45 - Термостат насосов cистемы подогрева змеевиков и труб

46 - Насос нагревательной воды рабочего бака (1)

47 - Насос нагревательной воды цистерны (19)

48 - Регулировочные клапаны балансировки нагревательной воды

49 - Дегазатор

50 - Циркуляционный насос мазута

52 - Реле макс. давления кольцевого контура

-9

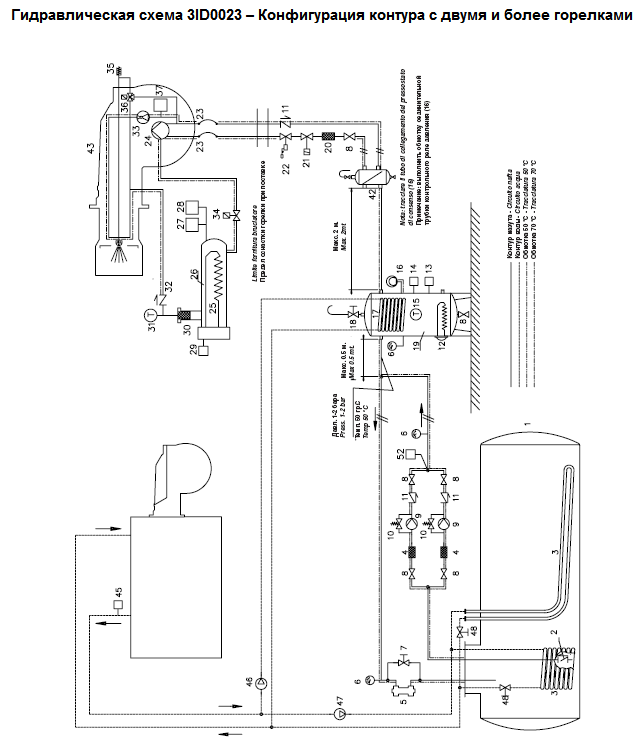
Гидравлическая схема 3ID0023

ПРИМЕЧАНИЕ:
На данной схеме изображен кольцевой контур подготовки топлива в полной комплектации.

По требованию, топливный контур может быть упрощен, в зависимости от потребностей клиента.

1 - Цистерна мазута

2 - Донный клапан

3 - Нагревательный змеевик цистерны

4 - Фильтр на линии

5 - Регулятор давления системы мазута

6 - Манометр

7 - Байпасный клапан для регулирования давления

8 - Ручной запорный клапан

9 - Насос мазута

10 - Регулятор давления насоса

11 - Обратный клапан

12 - Нагревательный элемент рабочего бака

13 - Термостат нагр. элемента рабочего бака

14 - Контрольный термостат горелки

15 - Термометр

16 - Контрольное реле давления нагр. эл. раб. бака

17 - Нагревательный змеевик рабочего бака

18 - Вантуз рабочего бака

19 - Рабочий бак

20 - Фильтр мазута

21 - Электроклапан отсечки топлива

22 - Клапан отсечки топлива

23 - Шланги насоса горелки

24 - Насос мазута

25 - Нагр. элемент бачка-подогревателя горелки

26 - Бачок-подогреватель горелки

27 - Контрольный термостат мазута

28 - Предохран. термостат нагр. эл. бачка

29 - Регулировочный термостат темп. мазута

30 - Фильтр бачка

31 - Термометр

32 - Клапан против выделения газа

33 - Регулятор температуры обратного хода

34 - Предохранительный клапан горелки

35 - Поршень копья

36 - 3-ход. электроклапан для управления поршнем

37 - Контрольный термостат горелки

42 - Дегазатор

43 - Горелка

45 - Термостат насосов cистемы подогрева змеевиков и труб

46 - Насос нагревательной воды рабочего бака (19)

47 - Насос нагревательной воды цистерны (1)

48 - Регулировочные клапаны балансировки нагревательной воды

52 - Реле макс. давления кольцевого контура

-10

Из каталога 2016 г. Чибитал Унигаз, ЗАО
СЕРИЯ R
Горелки моноблочные

Основной характеристикой горелок этой серии является встроенный в горелку вентилятор.

Гамма мощности варьируется от 2.670 кВт до 13.000 кВт.

Горелки могут быть изготовлены: как с «механическим» регулированием мощности, когда сервопривод подсоединен к ряду рычажных механизмов, соответствующим образом отрегулированных и гарантирующих правильное соотношение смеси воздуха - газа, так и с «электронной» версией: в этом случае электронный блок контроля и управления синхронизирует работу всех компонентов горелки, относящихся к поддержанию соотношения воздух - газ, создавая очень точную систему регулирования.

-11
-12
-13

______________________________________________________________________________________
Изготовитель: Cib Unigas S.p.A.

_________________________________________________________________________________________ Материал технического паспорта взят из Базы данных промышленного оборудования "АИСТ".

В базе данных АИСТ содержится свыше 85 тысяч технических паспортов. При нынешнем темпе размещения в Яндекс.Дзен этого хватит на 170 лет..