Найти в Дзене
КНОПКА

Тепловая защита

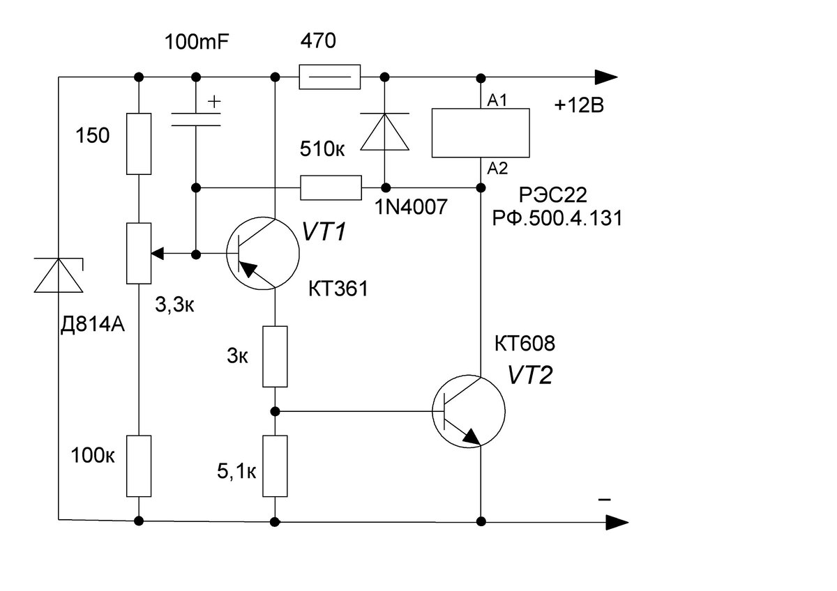
Это устройство может пригодиться везде, где необходимо обеспечить защиту от перегрева. Это могут быть мощные транзисторы, трансформаторы и другие элементы Ваших конструкций.
фото в свободном доступе
Так же оно может работать в качестве простого терморегулятора, для этого переменный резистор необходимо вынести на корпус и проградуировать.
Диапазон рабочих температур +30… +100 градусов Цельсия.

Это устройство может пригодиться везде, где необходимо обеспечить защиту от перегрева. Это могут быть мощные транзисторы, трансформаторы и другие элементы Ваших конструкций.

фото в свободном доступе
фото в свободном доступе

Так же оно может работать в качестве простого терморегулятора, для этого переменный резистор необходимо вынести на корпус и проградуировать.

-2

Диапазон рабочих температур +30… +100 градусов Цельсия. Питание измерительной цепи стабилизировано. Устройство подкупает своей простотой, в нем всего два транзистора, причем один из них является датчиком температуры. Оно не критично к деталям, транзисторы могут применяться ЛЮБЫЕ соответствующей мощности. Транзистор КТ361 выбран потому, что его легко крепить на защищаемый элемент. Питание может быть в пределах 9- 15В, и зависит от примененного Вами реле.

Печатная плата, схема, полное описание работы, рекомендации по замене элементов находятся в АРХИВЕ на Яндекс-диске.

В общем, штука несложная, но полезная.

Если есть вопросы, пишите на почту: pautoff.igor@yandex.ru , отвечу всем.

Подписывайтесь на канал, чтобы не пропустить что-нибудь интересное.