Найти в Дзене
TehnoPanda

Контроллер для вентиляции с нагревом и охлаждением ТРМ1033

ТРМ1033 – это специализированный контроллер с готовыми алгоритмами для автоматизации приточной вентиляции. Контроллер позволяет управлять стандартными узлами вентиляции для достижения максимально комфортной температуры приточного воздуха для помещений
Оглавление

Материал технического паспорта взят из Базы данных промышленного оборудования "АИСТ".

В базе данных АИСТ содержится свыше 85 тысяч технических паспортов. При нынешнем темпе размещения в Яндекс.Дзен этого хватит на 170 лет..

ТРМ1033 – это специализированный контроллер с готовыми алгоритмами для автоматизации приточной вентиляции. Контроллер позволяет управлять стандартными узлами вентиляции для достижения максимально комфортной температуры приточного воздуха для помещений:

  • Приточная вентиляция с водяным калорифером нагрева
  • Приточная вентиляция с электрическим нагревом (до 3-х ступеней)
  • Приточная вентиляция с водяным нагревом и водяным охлаждением
  • Приточная вентиляция с водяным нагревом и фреоновым охлаждением
  • Приточная вентиляция с электрическим нагревом и фреоновым охлаждением

Количество готовых алгоритмов и возможность управления узлами вентиляции (например, увлажнитель, резервный вентилятор, рециркуляция и т.д.) будет увеличиваться.

Сравнительная таблица контроллеров для вентиляции и кондиционирования ОВЕН

-2

Функциональные возможности регулятора ТРМ1033

  • Поддержание температуры приточного воздуха.
  • Защита технологического оборудования : водяного и электрического калорифера, насоса контура водяного калорифера, компрессорно-конденсаторного блока.
  • Контроль обратной воды.
  • Обогрев воздушного клапана с помощью ТЭНа или периметрального кабеля.
  • Контроль по перепаду давления на вентиляторе.
  • Работа с датчиками Pt100, Pt1000, Ni1000, NTC10k.
  • Контроль засоренности фильтра.
  • Управление насосом в контуре водяного калорифера.
  • Работа по протоколу Modbus, через интерфейс RS-485.

Особенности работы

Мягкий пуск
Предотвращает резкое закрытие регулирующего клапана по воде после прогрева с целью защиты теплообменника от замерзания (плавный выход на уставку после прогрева).

Каскадное регулирование температуры приточного воздуха
Для достижения максимально комфортной температуры помещения применяется каскадное регулирование. Температура приточного воздуха корректируется по требуемому значению температуры в помещении.

Тестовый режим работы
Режим работы позволяет проверить работоспособность отдельных узлов управления вентиляционной установки в ручном режиме с панели контроллера.

Журнал аварий с квитированием по времени
Контроллер фиксирует все аварийные ситуации, возникающие в процессе работы. Помимо текущих аварий, дополнительно аварии архивируются с записью о квитировании. Объем архива рассчитан на 24 записи.

Недельный таймер работы
Контроллер может в автоматическом режиме управлять отключением или запуском вентиляционной установки по дням недели.

Режим работы Зима/Лето
Изменение сезона осуществляется в автоматическом режиме, тем самым определяется, какой режим работы требуется: Зима (отключение охлаждения) / Лето (отключение нагревателя и циркуляционного насоса).

Функциональная схема прибора

-3

Функциональные схемы вентиляционных установок

Технические характеристики

Модификации

-6

Габаритные и установочные размеры

-7

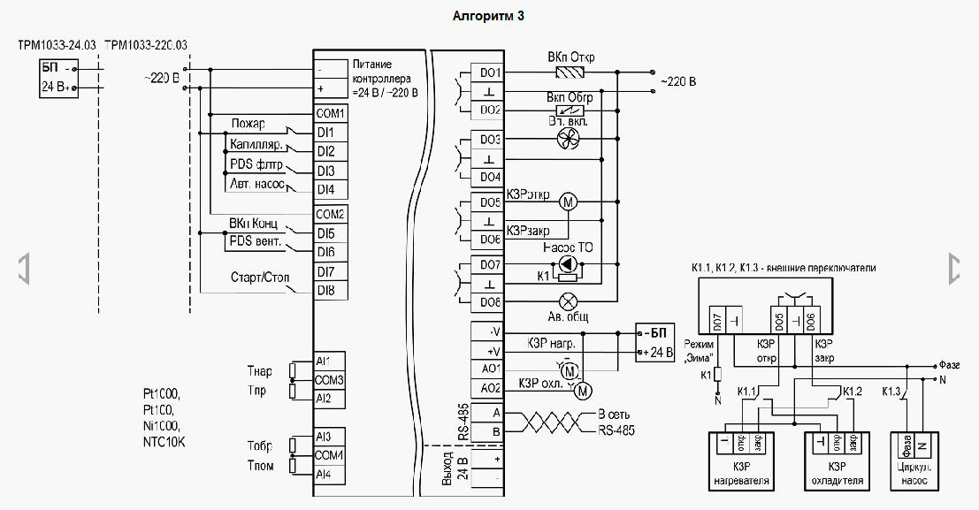
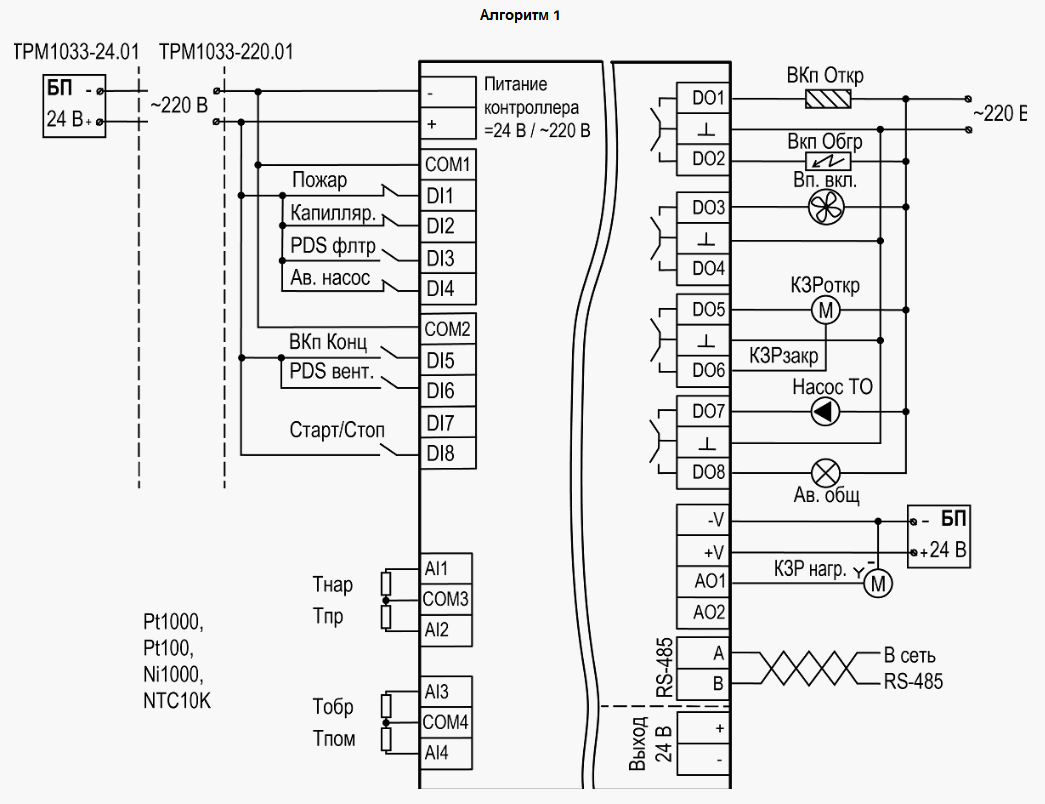
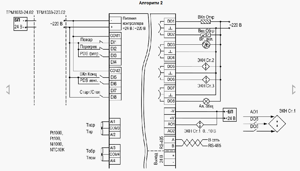
Схемы подключения

-9

Комплектность:

  • Паспорт
  • Краткое руководство по эксплуатации
  • Гарантийный талон
  • Комплект клеммных соединителей

______________________________________________________________________________________Производитель: Овен ПО

_________________________________________________________________________________________ Материал технического паспорта взят из Базы данных промышленного оборудования "АИСТ".

В базе данных АИСТ содержится свыше 85 тысяч технических паспортов. При нынешнем темпе размещения в Яндекс.Дзен этого хватит на 170 лет..