Добавить в корзинуПозвонить
Найти в Дзене

Как легко проверить светодиод мультиметром

Совсем недавно, ряд читателей мне задавали вопрос о том, каким образом можно проверить светодиоды. Кажется, уже этой информации полным-полно на просторах Интернета. Однако, с завидным постоянством такие вопросы появляются постоянно. Поэтому было решено систематизировать разрозненную информацию воедино. Посмотрим, что из этого получится Как проверить светодиод мультиметром, как проверить работоспособность светодиода мультиметром - фразы, набившие оскомину. Специально решил проверить, что за информация "вываливается" из поисковиков. В принципе, все достоверно и правильно. Но почему-то не собранная "в кучу" информация меня постоянно нервирует. Я всегда и постоянно пытаюсь все систематизировать. Львиная доля информации и статей на нашем сайте проходит жесткую "редактуру", если статьи написаны не мной. И если пробежаться по контенту, то можно понять, что информация. которая в-первые появляется на моем сайте сразу же расходится по другим. Не потому, что она "гениальна", а все потому, что гор
Оглавление

Совсем недавно, ряд читателей мне задавали вопрос о том, каким образом можно проверить светодиоды. Кажется, уже этой информации полным-полно на просторах Интернета. Однако, с завидным постоянством такие вопросы появляются постоянно. Поэтому было решено систематизировать разрозненную информацию воедино. Посмотрим, что из этого получится

Как проверить светодиод мультиметром, как проверить работоспособность светодиода мультиметром - фразы, набившие оскомину. Специально решил проверить, что за информация "вываливается" из поисковиков. В принципе, все достоверно и правильно. Но почему-то не собранная "в кучу" информация меня постоянно нервирует. Я всегда и постоянно пытаюсь все систематизировать. Львиная доля информации и статей на нашем сайте проходит жесткую "редактуру", если статьи написаны не мной. И если пробежаться по контенту, то можно понять, что информация. которая в-первые появляется на моем сайте сразу же расходится по другим. Не потому, что она "гениальна", а все потому, что гораздо важнее и интереснее иметь в закладках один сайт, а не множество. чтобы "выуживать" какую-либо необходимую информацию.

Ну да ладно, это лирика, а мы все-таки приступим и начнем рассматривать способы и методы проверки светодиодов при помощи мультиметра. В другой статье Вы можете прочитать как протестировать на работоспособность светодиоды мультиметром.

Проверить светодиоды можно и без мультиметра, благо таких приборов на просторах интернета продается великое множество - тут или тут. Первый тестер проверенный годами и не прихотлив. Остальные - на Ваш выбор.

Электрические параметры светодиодов

Изначально вернемся к физике и договоримся, что основными характеристиками светодиодов  являются:

1) падение напряжения, измеряемое в вольтах. Именно характеристика, которая определяется как, 2В или 3В - имеется ввиду именно параметр "падение напряжения";

2) номинальный ток. Как правило, значение приводится в миллиамперах. 1 мА = 0,001 А;

Перейдя по ссылке выше, Вы увидите, что наиболее важными являются именно напряжение и ток. Их-то мы и будем определять при помощи мультиметра.

Сразу распределим нашу статью на теоретическую и практическую часть. Вернее, посмотрим, как можно тестировать светодиоды на практике и на теории.

Теоретический метод определения характеристики светодиодов без использования мультиметра

Один из простых способов определить характеристики светодиодов - это визуальный "осмотр". Понятно, что так смогут лишь либо профессионалы, либо те, кто не один раз уже сталкивался с таким методом определения данных.

Можно либо проводить "тестирование" основываясь на своем опыте, можно же при помощи Интернета. В любом поисковике Вы можете найти картинки на любой светодиод. На основе них можно зайти на любой мало-мальски серьезный интернет-магазин и уже там смотреть на характеристики.

Оговорюсь, что мультиметром можно определять характеристики светодиодов, которые не являются мощными.Т.е. реально и визуально и практически мультиметром можно определить светодиоды размером 3; 4,8; 5; 8 и 10 мм.

Такие светодиоды принято разделять на индикаторные и на общего свечения. Индикаторные имеют следующие электрические параметры: ток – 20 мА = 0,02 А; напряжение в среднем 2 В (от 1,8 В до 2,3 В).

Светодиоды общего назначения: значение номинального тока потребления тоже 20 мА. А вот напряжение их может находиться в пределах от 1,8 до 3,6 В. В этом классе находятся и сверхяркие светодиоды. При том же токе напряжение у них, как правило выше – 3,0…3,6 В.

Более "правильным" способом определения характеристик светодиода является его излучающий цвет. Разный цвет диодов указывает на разные полупроводниковые материалы, из которых они изготавливаются.

Ниже я представляю Вам таблицу, используя которую, Вы сможете с большой точностью определять падение напряжения.

Таблица определения характеристик светодиодов

-2

Сразу оговорюсь, что не смотря на то, что в таблице приведены данные, у одного и того же цвета падение напряжения может меняться, ввиду неоднородности производства светодиодов.

Как проверить светодиод мультиметром с регулируемым блоком питания

-3

Как проверить работоспособность светодиода мультиметром - посмотрим на практике. Для этого нам необходимо подключить регулируемый блок питания с постоянным напряжением до 12В, мультиметр (вольтметр), резистор на 580 Ом (можно и больше - не принципиально).

Принципиально схема работает следующим образом: резистор ограничивает ток, вольтметр будет непосредственно отслеживать прямое падение напряжения. При плавном увеличении напряжения от источника питания необходимо наблюдать за показанием напряжения на вольтметре (мультиметре). Как только порог будет достигнут, то непосредственно светодиод начнет светиться. При достижении максимальных значений показания на мультиметре перестанут резко возрастать, что будет означать, что p-n-p переход открыт и напряжение будет теперь прикладываться только к резистору. Текущие показания будут номинальным прямым напряжением светодиода. Если не прекратить питание, то будет расти ток, протекающий через полупроводник. Превышение тока приведет к перегреву светодиода (кристалла) и произойдет его пробой.

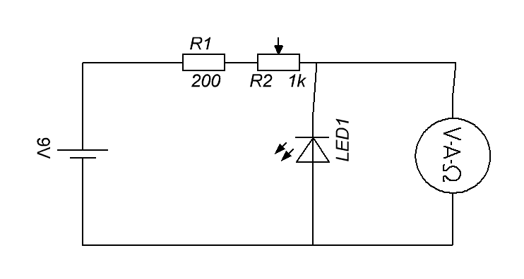
Как проверить светодиод мультиметром при отсутствии регулируемого блока питания

-4

Не у всех есть регулируемый блок питания. Но это не значит, что нет возможности определять характеристики светодиода. Для этого нам понадобится:

  • Крона (батарейка на 9 В).
  • Резистор 200 Ом.
  • Переменный резистор, он же потенциометр на 1 кОм.
  • Мультиметр.

Будущего "пациента" соединяем последовательно с постоянным резистором, потом с переменным, кроной и мультиметром. Мультиметр переключаем в режим измерения постоянного тока.

Как будете соединять компоненты - не важно, ввиду того, что цепь последовательная, а это значит, что ток протекающий по цепи будет одинаковый.

Первоначально переменным резистором устанавливаем минимальное напряжение, и "передвигаем" до 20 мА и только после этого измеряем напряжение.

Данный метод будет бесполезен при измерении данных по мощным светодиодам.