Добавить в корзинуПозвонить
Найти в Дзене
Меандр Радиолюбитель

ТЕОРЕТИЧЕСКАЯ задача по электронике на которую только 24% опытных ответили правильно!!!!

Пару лет назад в одной из самых популярных соцсетей был проведен опрос. Результаты удивили.
Вот решил повторить его тут! (это не копирайт - в первоисточнике тема тоже моя)
Сколько вольт будет на выходе такого "выпрямителя"?
Хочу сразу предупредить - каждый комментарий хоть полусловом затрагивающий вопрос - кому нужен такой выпрямитель или куда его пристроить (на самом деле есть ему рациональное применение), или - что за дурак его придумал будут мгновенно удаляться!
Своей эрудицией бряцать тут не надо, ибо задача не на практическое применение этой схемы, а на теорию в целом, вопрос не в том - куда это прикрутить и сколько вольт упадет на диодах или сколько Ватт рассеется на них-же, а в том - знаем ли мы то с чем сталкиваемся ежедневно или просто думаем, что знаем!?
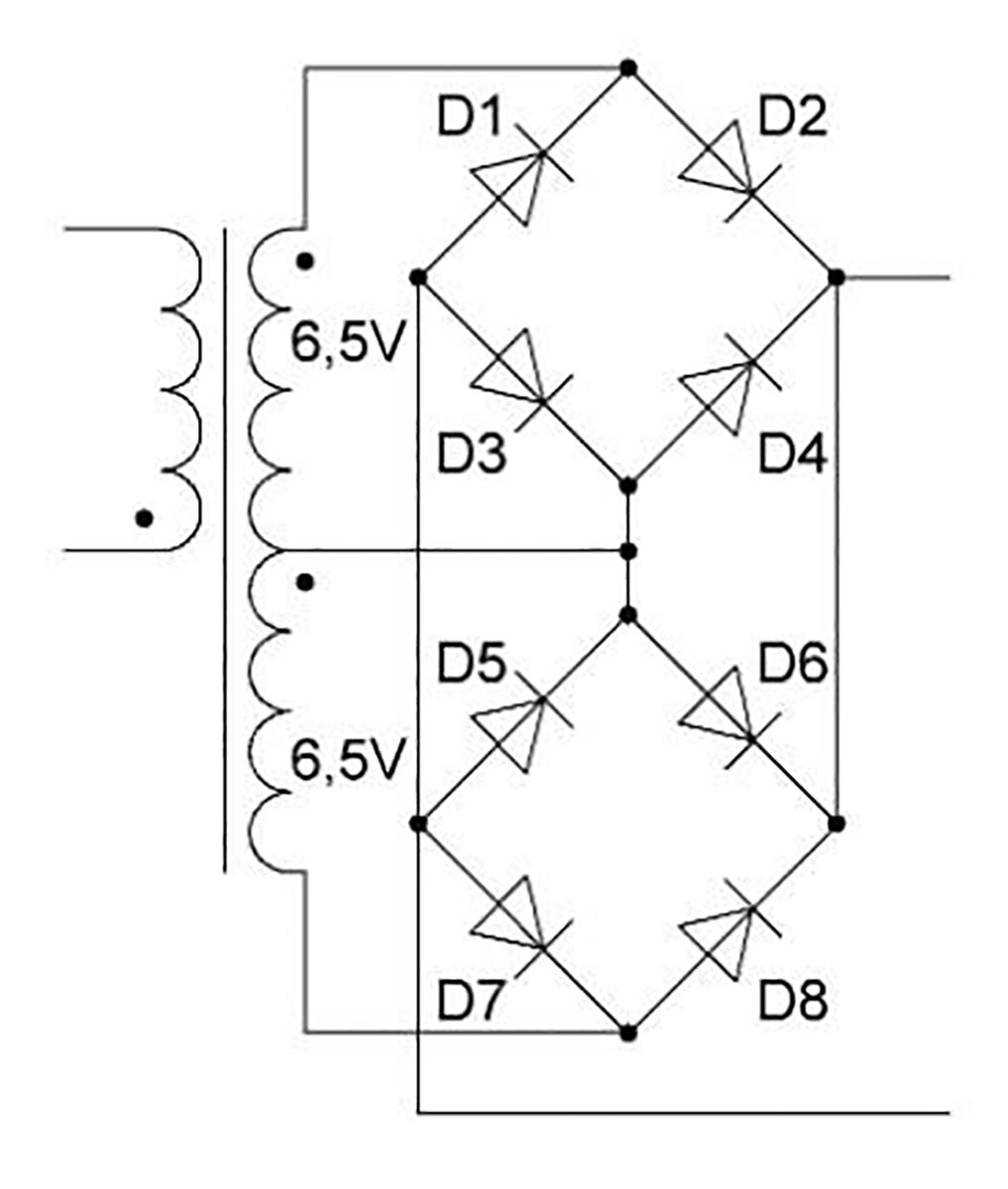
И так - имеем вот такую схему.
С каждой полу обмотки трансформатора выходит 6,5В, - обмотки соединены последовательно, соответственно на выходе всей обмотки мы имеем напряжение равное сумме двух полу обмоток. Вари

Пару лет назад в одной из самых популярных соцсетей был проведен опрос. Результаты удивили.

Вот решил повторить его тут! (
это не копирайт - в первоисточнике тема тоже моя)

Сколько вольт будет на выходе такого "выпрямителя"?

Хочу сразу предупредить - каждый комментарий хоть полусловом затрагивающий вопрос - кому нужен такой выпрямитель или куда его пристроить (на самом деле есть ему рациональное применение), или - что за дурак его придумал будут мгновенно удаляться!

Своей эрудицией бряцать тут не надо, ибо задача не на практическое применение этой схемы, а на теорию в целом, вопрос не в том - куда это прикрутить и сколько вольт упадет на диодах или сколько Ватт рассеется на них-же, а в том - знаем ли мы то с чем сталкиваемся ежедневно или просто думаем, что знаем!?

И так - имеем вот такую схему.
С каждой полу обмотки трансформатора выходит 6,5В, - обмотки соединены последовательно, соответственно на выходе всей обмотки мы имеем напряжение равное сумме двух полу обмоток.

Схема нарисована в Paint, за качество прошу прощения.
Схема нарисована в Paint, за качество прошу прощения.
Почитав комментарии решил добавить схему для плохо видящих, ибо некоторые не видят соединения.
Почитав комментарии решил добавить схему для плохо видящих, ибо некоторые не видят соединения.

Варианты такие:

1. - ноль Вольт.

2. - 6,5В.

3. - 13В.

4. - Замкнет трансформатор.

Правильный ответ через две недели опубликую отдельной статьей, - с пояснениями, картинками и кином. Уж извините, раньше ни как, ибо уезжаю на вахту.

Милости прошу в комментарии, там интересно!

Как и обещал - по прошествии двух недель - выдаю правильный ответ в подробностях