Найти в Дзене
Radio-любитель

Усилитель мощности на дискретных элементах на 100 Вт

Вид платы усилителя
Всех приветствую. Современные интегральные микросхемы для усилителей мощности позволяют выполнить усилитель мощностью до 100Вт при небольших габаритах, однако такое решение не всегда бывает удовлетворительным — особенно с точки зрения надежности
Поэтому, если нам нужна мощность около 100Вт, и мы не хотим собирать усилитель на микросхемах, у нас есть только один путь выполнить
Вид платы усилителя
Вид платы усилителя

Всех приветствую. Современные интегральные микросхемы для усилителей мощности позволяют выполнить усилитель мощностью до 100Вт при небольших габаритах, однако такое решение не всегда бывает удовлетворительным — особенно с точки зрения надежности

Поэтому, если нам нужна мощность около 100Вт, и мы не хотим собирать усилитель на микросхемах, у нас есть только один путь выполнить его с использованием дискретных компонентов. В этой статье краткое описание такого усилителя мощности 100Вт/4Ом. Это классическая схема усилителя и отличается высокой надежностью.

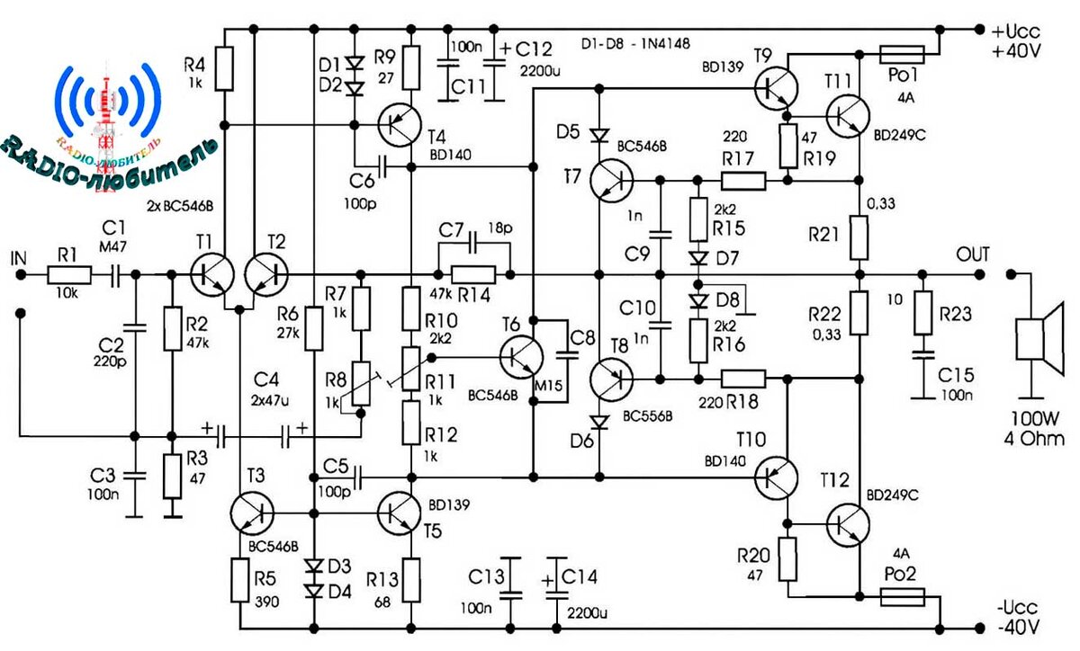
При использовании высококачественного источника питания с трансформатором и фильтрующими конденсаторами достаточной емкости (с минимальной емкостью 4700мкф как в положительной, так и в отрицательной цепях питания) он имеет очень хорошую передачу низких частот. Принципиальная схема такого усилителя показана на рисунке.

Схема усилителя мощности
Схема усилителя мощности

Подробное описание считаю совершенно ненужным (это классика). В схеме следует отметить только компоненты C3 и R3, которые используются для заземления. Если их использование будет проблемой (например, при использовании симметричного входа, который не питается от отдельного источника), их можно заменить перемычкой.

Сама конструкция относительно проста и также подходит для новичков, алюминиевый профиль (прямоугольный профиль с размерами 12x25x134 мм) используется для радиатора, который прикручивается к печатной плате. Оконечные транзисторы Т11 и Т12 установлены на радиатор. Эти транзисторы необходимо изолировать и установить с помощью прокладок и изоляционных втулок.

Транзистор Т6 должен быть термически соединен с радиатором. Транзисторы Т4, Т5, Т9 и Т10 установлены смотрим рисунок, т.е. охлаждающей поверхностью вверх. Затем на них устанавливаются отдельные радиаторы это показано на плате расположения компонентов. Усилитель выполнен на печатной плате размером 134x95 мм которая показана на рисунках ниже.

Расположение компонентов на печатной плате
Расположение компонентов на печатной плате
Разводка печатной платы
Разводка печатной платы

Некоторым это может показаться не очень компактным, но из-за надежности компоненты имеют относительно большие расстояния, и даже для новичков это относительно хорошее решение. Конечно, эту концепцию можно изменить и уменьшить размер печатной платы. Так же есть вариант приобрести готовый усилитель которые можно выбрать в списке ниже.

Перед монтажом желательно проверить используемые компоненты, особенно транзисторы Т11 и Т12. Особое внимание следует уделить установке оконечных транзисторов Т11 и Т12 - они не должны касаться радиатора. Установите подстроечный резистор R11 примерно в среднее положение, а подстроечный резистор R8 установим также в среднее. Не устанавливая предохранители Po1 и Po2, подключаем усилитель к питающему напряжению. Желательно включить в цепь резисторы защиты (около 10 Ом / 10 Вт).

Проверим потребление — должно быть несколько мА. Замеряем постоянное напряжение на выходе — если все в порядке, надо замерить макс. 100 мВ (обычно макс. 50 мВ). Если все согласно выше написанному, отключите усилитель от сети и установите предохранители Po1 и Po2. Подключите напряжение питания, и снова проверьте напряжение постоянного тока на выходе оно не должно измениться.

Подключите амперметр в одну из цепей питания (вместо предохранителя) и установите ток около 30 мА, медленно поворачивая против часовой стрелки подстроечный резистор R11. Отрегулируйте усиление с помощью подстроечного резистора R8. Подаем на вход сигнал частотой 1 кГц и эффективным напряжением 0,7В, а на выход усилителя подключаем осциллограф и нагрузку 4 Ом/100 Вт. Мы также можем проверить частотную характеристику и на этом настройка усилителя закончена.

-5