Найти в Дзене

Сгорел предохранитель, а вы и не знали…

Очень многие электронные приборы имеют в своём составе защитные предохранители.
Как правило, эти предохранители стоят в цепях питания, но иногда их ставят и в «сигнальные» цепи (например, на "выходе" усилителей мощности для защиты схемы и динамиков от перегрузки или короткого замыкания).
Часто эти предохранители расположены внутри корпуса прибора, непосредственно на монтажной плате. При этом

Очень многие электронные приборы имеют в своём составе защитные предохранители.

Как правило, эти предохранители стоят в цепях питания, но иногда их ставят и в «сигнальные» цепи (например, на "выходе" усилителей мощности для защиты схемы и динамиков от перегрузки или короткого замыкания).

Часто эти предохранители расположены внутри корпуса прибора, непосредственно на монтажной плате. При этом определить «целостность» предохранителя бывает затруднительно, так как для этого требуется время и некоторые усилия для вскрытия корпуса прибора.

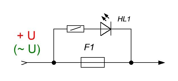
В таких случаях может оказаться полезной очень простая схема индикации перегорания предохранителя, собранная практически из «ничего» и подходящая как для цепей переменного, так и постоянного тока и любых напряжений:

Схема-рисунок автора (хоть это и не повод для гордости, но всё же... :-))
Схема-рисунок автора (хоть это и не повод для гордости, но всё же... :-))

Принцип работы такой схемы прост

Когда предохранитель «целый», ток протекает через него, так как сопротивление участка схемы «светодиод + резистор» значительно больше. При сгорании же предохранителя весь ток начинает течь через сопротивление и светодиод, вызывая свечение последнего

В схеме можно применить любой светодиод малой мощности (можно и не малой, если это нужно :-)). Для цепей постоянного тока следует соблюдать полярность включения светодиода, как показано на рисунке. В случае же переменного тока полярность включения светодиода не имеет значения. При переменном токе обычно не требуется никаких дополнительных схем выпрямления, так как светодиод сам по себе является диодом и с этой функцией прекрасно справляется сам.

Сопротивление добавочного гасящего резистора подбирается экспериментально, в зависимости от величины напряжения и силы тока в цепи предохранителя. Для его подбора удобно использовать любой переменный или подстроечный резистор, мощность не менее 0,25 ватт и сопротивлением от 75 кОм и больше (для низких напряжений достаточно будет 10 — 20 кОм):

-3

Изначально переменный резистор должен быть выставлен на максимальное сопротивление. Затем сопротивление следует постепенно уменьшать, добиваясь достаточной яркости свечения светодиода при отсутствии предохранителя. После этого переменный резистор можно заменить на постоянный с соответствующим сопротивлением. Для большинства светодиодов достаточной будет мощность этого резистора в 0,25 ватт.

Автор не претендует на оригинальность данного способа и предполагает, что очень многие радиолюбители «знают всё это и сами давно...» Но в жизненных реалиях не раз приходилось сталкиваться с фактом, что знают всё же не все. Может кому-то и будет полезным этот простой совет, который можно было бы даже обозвать «лайфхаком», но автор человек порядочный (как бы) и не любит выражаться публично...

В завершение статьи следует сделать некое лирическое отступление в пользу «правильной» теоретической науки. Многие «учёные»(например, британские :-)) станут горячиться и утверждать гневно, что нельзя мол, неправильно включать светодиод в цепь переменного тока вот так — прямо. Дескать, нужно учитывать воздействие на него обратного тока и использовать дополнительные диоды для выпрямления и исключения таких неблагоприятных воздействий. А иначе светодиод сгорит.

Автор тоже любит теорию, но при этом не является закостенелым «теоретиком». Поэтому уже не один раз за долгие годы использовал такую вот простую схему включение светодиода и никогда ничего с ним не случалось. Следует лишь правильно подобрать сопротивление гасящего резистора, чтобы светодиод не горел как прожектор, а лишь светился с достаточной для индикации небольшой яркостью.

* Если прочтение статьи не вызвало у вас сильно отрицательных эмоций, можете поставить лайк. В противном же случае можно - дизлайк и оставить комментарий противный… :-))