Найти в Дзене
МЕГАВОЛЬТ

Самодельный цифровой генератор лабораторный.

При калибровке тех или иных цифровых измерительных устройств возникает необходимость в нескольких эталонных частотах. Обычно для этих целей используются генераторы, но, во-первых, стоимость их для радиолюбителя нередко заоблачна (к тому же,  генератор нужен не особо часто), во-вторых, при плавной регулировке частоты генератора достаточно сложно (а порой, без точной цифровой индикации, и невозможно) правильно провести калибровку. Предлагаемый генератор состоит всего из трех микросхем, но, несмотря на свою простоту, он достаточно точен и, что самое главное, сам не нуждается в калибровке!  Это стало возможным с использованием в задающем генераторе кварцевого резонатора. Чтобы упростить схему, был выбран «часовой кварц» — кварцевый резонатор с частотой резонанса 32768 Гц. Часовой – потому что он широко используется в электронных часах. Кстати, раздобыть его можно там же – в любых электронных или электронно-механических часах (даже наручных, но лучше все же использовать более мощный кварц и

При калибровке тех или иных цифровых измерительных устройств возникает необходимость в нескольких эталонных частотах. Обычно для этих целей используются генераторы, но, во-первых, стоимость их для радиолюбителя нередко заоблачна (к тому же,  генератор нужен не особо часто), во-вторых, при плавной регулировке частоты генератора достаточно сложно (а порой, без точной цифровой индикации, и невозможно) правильно провести калибровку.

Предлагаемый генератор состоит всего из трех микросхем, но, несмотря на свою простоту, он достаточно точен и, что самое главное, сам не нуждается в калибровке!  Это стало возможным с использованием в задающем генераторе кварцевого резонатора. Чтобы упростить схему, был выбран «часовой кварц» — кварцевый резонатор с частотой резонанса 32768 Гц. Часовой – потому что он широко используется в электронных часах. Кстати, раздобыть его можно там же – в любых электронных или электронно-механических часах (даже наручных, но лучше все же использовать более мощный кварц из настенных или настольных часов).

-2

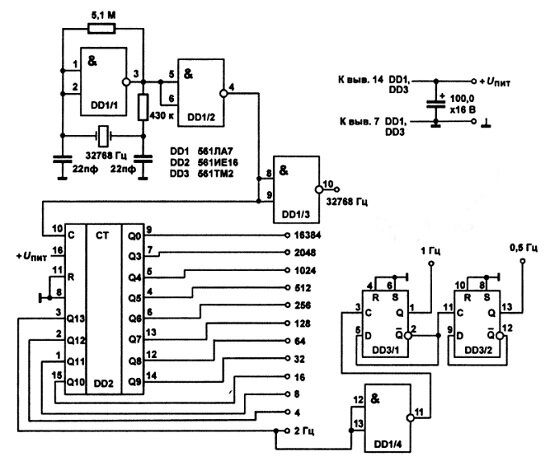
На элементах DD1.1 и DD1.2 собран собственно генератор. Сигнал с него подается на вход 14-ти разрядного счетчика-делителя 561ИЕ16 (DD2) и одновременно через буферный элемент DD1.3 дает первую выходную частоту нашего генератора —  32,768 кГц. Проходя через все декады делителя, эта частота последовательно делится на 2 двенадцать раз, в результате в нашем распоряжении появляются частоты 16384, 2048, 1024, 512, 256, 128, 64, 32, 16, 8, 4 и 2 Гц.

В принципе, на этом можно и остановиться, но если использовать еще два делителя (микросхема DD3), то можно получить еще 2 весьма полезных частоты – 1 Гц и 0.5 Гц, что мы и сделаем. Вот в принципе и весь генератор, который совершенно не нуждается в настройке. В качестве источника питания можно использовать либо гальванические элементы, либо сетевой блок питания напряжением 4-12 В (оптимально 5). При этом потребляемый от источника ток нашим генератором составит 0.2 мА (при 5 В) и 1.5 мА (при 12 В).