Найти в Дзене
СамЭлектрик.ру

Схема датчика освещенности

В статье рассмотрим электрические схемы наиболее популярных моделей датчиков света. Напоминаю, что это устройство широко применяется в сфере домашней автоматики для включения/выключения электрического освещения в зависимости от уровня освещенности на улице. Названия могут быть разные – датчик света, датчик освещенности, светоконтролирующим выключателем или фотореле, но суть одна. Подробно о таком датчике я рассказал на Дзене в первой части статьи – Устройство и функции датчика освещенности. Там подробно рассмотрено его устройство, работа и характеристики. Третья часть про подключение и настройку датчика освещенности. Поэтому – сразу перехожу к делу:
Схемы датчиков освещения Несомненно, для быстрого и легкого ремонта датчика освещенности нужна его схема, по которой сразу станет понятно, что куда подключено и как работает. Ниже привожу парочку схем датчиков и рекомендации по ремонту. Будут вопросы по ремонту – задавайте в комментариях. Схема срисована именно с той платы, которая показан
Оглавление

В статье рассмотрим электрические схемы наиболее популярных моделей датчиков света.

Напоминаю, что это устройство широко применяется в сфере домашней автоматики для включения/выключения электрического освещения в зависимости от уровня освещенности на улице. Названия могут быть разные – датчик света, датчик освещенности, светоконтролирующим выключателем или фотореле, но суть одна.

Подробно о таком датчике я рассказал на Дзене в первой части статьи – Устройство и функции датчика освещенности. Там подробно рассмотрено его устройство, работа и характеристики.
Третья часть про подключение и настройку датчика освещенности.

Поэтому – сразу перехожу к делу:

Схемы датчиков освещения

Несомненно, для быстрого и легкого ремонта датчика освещенности нужна его схема, по которой сразу станет понятно, что куда подключено и как работает. Ниже привожу парочку схем датчиков и рекомендации по ремонту. Будут вопросы по ремонту – задавайте в комментариях.

Схема срисована именно с той платы, которая показана по ссылке в начале статьи. Стоит отметить, что производитель постоянно работает над улучшением своего устройства (цена/качество), поэтому схема может меняться.

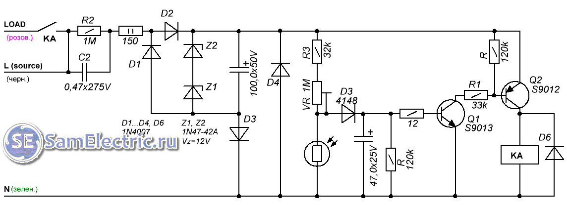
Датчик освещения LXP-02. Схема электрическая принципиальная
Датчик освещения LXP-02. Схема электрическая принципиальная

Но принцип остается тот же:

Напряжение питания 220 Вольт поступает через клеммы L (фаза) и N (ноль).

Фазу и ноль можно “перепутать”, как в принципе можно (но не рекомендуется) выключать ноль, а не фазу в обычных выключателях. Страдает только безопасность и здравый смысл.

Напряжение выпрямляется диодным мостом (4 диода типа 1N4007), фильтруется (сглаживается) электролитическим конденсатором, и стабилизируется  на уровне +22…24 Вольта стабилитроном типа 1N4748.

Далее постоянное напряжение питает остальную схему, которая работает так. На выходе резистивного делителя 68к – VR – Фоторезистор формируется напряжение, обратно пропорциональное освещённости. Подстроечный резистор VR с сопротивлением 1 МОм – это та самая “крутилка”, с помощью которой устанавливается желаемый уровень срабатывания.

Не факт, что в таких схемах ставят фоторезистор, может стоять и фотодиод, но принцип тот же.

Хотите экономить электроэнергию – ставьте максимальное сопротивление, крутите его по часовой (LUX-), и он будет срабатывать тогда, когда будет уже совсем темно.

А хотите, чтобы освещение на улице включалось от малейшей тучки – крутите регулятор в другую сторону (LUX+).

При наступлении темноты освещенность падает, сопротивление фоторезистора растёт, напряжение на базе транзистора растёт. И достигает такого уровня, что транзистор открывается, через коллектор протекает ток, достаточный для включения реле КА. Реле своими контактами включает нагрузку, которая подключается через вывод LOAD.

При этом загорается светодиод, а конденсатор 47 мкФ в цепи базы сглаживает все процессы, чтобы реле слишком быстро не щёлкало, например, если его перекрывает ветка дерева, колеблющаяся от ветра.

В заключение – схема более мощной модели, LXP-03:

Датчик освещения LXP-03. Схема электрическая
Датчик освещения LXP-03. Схема электрическая

Тут схема та же, отличия перечислю:

  • Схема питания ограничивает напряжение в фазной цепи.
  • Диодный мост с фильтром – такой же как и в предыдущей схеме, я неудачно ее изобразил.
  • вместо одного стабилитрона – два последовательно (Z1 + Z2), но напряжение питания схемы – то же, +24В.
  • Используется составная схема на двух комплиментарных транзисторах, поскольку реле более мощное, ток его катушки больше.

Зная принцип работы схемы, её легко отремонтировать. А если хотите подробнее разобраться в ремонте, то в статье про ремонт датчика движения пошагово расписана методика и философия ремонта подобных устройств.

Всё, всем удачи!

Источник статьи

Обращение к читателям: А что вы используете датчик освещенности? И как обычно называете это устройство?

Мои статьи на Дзене про разные датчики:

Если интересны темы канала, заходите также на мой сайт - https://samelectric.ru/ и в группу ВК - https://vk.com/samelectric

Не забываем подписываться и ставить лайки, впереди много интересного!

Обращение к хейтерам: за оскорбление Автора и Читателей канала - отправляю в баню.