Найти в Дзене
Рома Васильивич

Мультивибратор на транзисторах

Мультивибратор на транзисторах – это генератор прямоугольных сигналов. Ниже на фото одна из осциллограмм симметричного мультивибратора.
Симметричный мультивибратор генерирует прямоугольные импульсы со скважностью два. Подробнее про скважность можно прочитать в статье генератор частоты. Принцип действия симметричного мультивибратора мы будем использовать для поочередного включения

Мультивибратор на транзисторах – это генератор прямоугольных сигналов. Ниже на фото одна из осциллограмм симметричного мультивибратора.

Симметричный мультивибратор генерирует прямоугольные импульсы со скважностью два. Подробнее про скважность можно прочитать в статье генератор частоты. Принцип действия симметричного мультивибратора мы будем использовать для поочередного включения светодиодов.

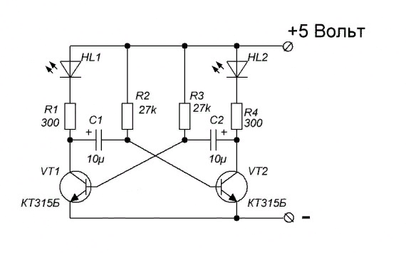
-2

Схема состоит из:

– двух транзисторов КТ315Б (можно с любой другой буквой)

– двух конденсаторов емкостью по 10 микроФарад

– четырех резисторов, два по 300 Ом и два по 27 КилоОм

– двух китайских светодиодов на 3 Вольта

-3

Вот так устройство выглядит на макетной плате :

-4

Для изменения длительности моргания светодиодов можно поменять значения конденсаторов С1 и С2, или резисторов R2 и R3.

Существуют также другие разновидности мультивибраторов. Подробнее о них можно прочитать здесь. Также там описан принцип работы симметричного мультивибратора.

Кому лень собирать такое устройство, можно приобрести готовое ;-) На Алике я даже находил готовое устройство. Его можете глянуть по этой ссылке.