Найти в Дзене
Рома Васильивич

Лабораторный блок питания своими руками

У каждого радиолюбителя, будь он чайник или даже профессионал, на краю стола должен чинно и важно лежать блок питания. У меня на столе в данный момент лежат  два блока питания. Один выдает максимум 15 Вольт и 1 Ампер (черный стрелочный), а другой 30 Вольт, 5 Ампер (справа):
Думаю, вы часто их видели в моих опытах, которые я показывал в различных статьях.
Заводские блоки питания я покупал

У каждого радиолюбителя, будь он чайник или даже профессионал, на краю стола должен чинно и важно лежать блок питания. У меня на столе в данный момент лежат  два блока питания. Один выдает максимум 15 Вольт и 1 Ампер (черный стрелочный), а другой 30 Вольт, 5 Ампер (справа):

Думаю, вы часто их видели в моих опытах, которые я показывал в различных статьях.

Заводские блоки питания я покупал давненько, так что они мне обошлись недорого. Но, в настоящее время, когда пишется эта статья, доллар уже  пробивает отметку в 70 рублей. Кризис, мать его, имеет всех и вся.

Ладно, что-то разошелся… Так о чем это я? Ах да! Думаю, не у всех карманы лопают от денег… Тогда почему бы нам не собрать простую и надежную схему блока питания своими ручонками, которая будет ничуть не хуже покупного блока? Собственно, так и сделал наш читатель. Нарыл схемку и собрал самостоятельно блок питания

Первым делом давайте разберемся, в чем хорош данный блок питания:

– выходное напряжение можно регулировать в диапазоне от  0 и до 30 Вольт

– можно выставлять какой-то предел по силе тока до 3 Ампер, после которого блок уходит в защиту (очень удобная функция, кто использовал, тот знает).

– очень низкий уровень пульсаций (постоянный ток на выходе блока питания мало чем отличается от постоянного тока батареек и аккумуляторов)

– защита от перегрузки и неправильного подключения

– на блоке питания путем короткого замыкания (КЗ) “крокодилов” устанавливается максимально допустимый ток. Т.е. ограничение по току, которое вы выставляете переменным резистором по амперметру. Следовательно перегрузки не страшны. Сработает индикатор (светодиод) обозначающий превышение установленного уровня тока.

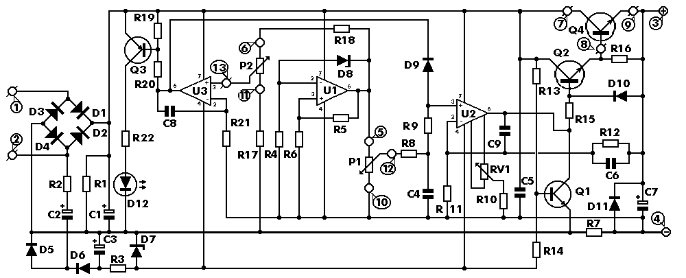
Итак, теперь обо всем по порядку. Схема давно уже гуляет в интернете (кликните по изображению, откроется в новом окне на полный экран):

-2

Цифры в кружочках – это контакты, к которым надо припаивать провода, которые пойдут на радиоэлементы.

Обозначение кружочков на схеме:
— 1 и 2 к трансформатору.
— 3 (+) и 4 (-) выход постоянного тока.
— 5, 10 и 12 на P1.
— 6, 11 и 13 на P2.
— 7 (К), 8 (Б), 9 (Э) к транзистору Q4.

На входы 1 и 2 подается переменное напряжение  24 Вольта от сетевого трансформатора. Трансформатор должен быть приличных габаритов, чтобы в нагрузку он смог выдать до 3 Ампер  в легкую. Можно его купить, а можно и намотать).

-3

Диоды D1…D4 соединены в диодный мост.  Можно взять диоды 1N5401…1N5408 или какие-нибудь другие, которые выдерживают прямой ток до 3 Ампер и выше.  Можно также использовать готовый диодный мост, который бы тоже выдерживал прямой ток до 3 Ампер и выше. Я же использовал диоды таблетки КД213:

Микросхемы U1,U2,U3 представляют из себя операционные усилители. Вот их цоколевка (расположение выводов). Вид сверху:

-4

На восьмом выводе написано “NC”, что говорит о том, что этот вывод никуда цеплять не надо. Ни к минусу, ни к плюсу питания. В схеме выводы 1 и 5 также никуда не цепляются.

Транзистор Q1 марки ВС547 или BC548. Ниже его распиновка

-5

Транзистор Q2 возьмите лучше советский, марки КТ961А

-6

Не забудьте его поставить на радиатор.

Транзистор Q3 марки BC557 или BC327

-7

Транзистор Q4 обязательно КТ827!

-8

Вот его распиновка:

-9

Схему я перечерчивать не стал, поэтому есть элементы, которые могут ввести в замешательство – это переменные резисторы. Так как схема блока питания болгарская, то у них переменные резисторы обозначают так:

просто ссылка из за маленького размера

https://www.ruselectronic.com/_files/200007182-9e7a49f709/переменный%20резистор.gif

У нас вот так:

-10

Я даже указал, как узнать его выводы с помощью вращения столбика (крутилки).

Ну и, собственно, список элементов:

R1 = 2,2 кОм 1W
R2 = 82 Ом 1/4W
R3 = 220 Ом 1/4W
R4 = 4,7 кОм 1/4W
R5, R6, R13, R20, R21 = 10 кОм 1/4W
R7 = 0,47 Ом 5W
R8, R11 = 27 кОм 1/4W
R9, R19 = 2,2 кОм 1/4W
R10 = 270 кОм 1/4W
R12, R18 = 56кОм 1/4W
R14 = 1,5 кОм 1/4W
R15, R16 = 1 кОм 1/4W
R17 = 33 Ом 1/4W
R22 = 3,9 кОм 1/4W
RV1 = 100K многооборотный подстроечный резистор
P1, P2 = 10KOhm линейный потенциометр
C1 = 3300 uF/50V электролитический
C2, C3 = 47uF/50V электролитический
C4 = 100нФ
C5 = 200нФ
C6 = 100пФ керамический
C7 = 10uF/50V электролитический
C8 = 330пФ керамический
C9 = 100пФ керамический
D1, D2, D3, D4 = 1N5401…1N5408
D5, D6 = 1N4148
D7, D8 = стабилитроны на 5,6V
D9, D10 = 1N4148
D11 = 1N4001 диод 1A
Q1 = BC548 или BC547
Q2 = КТ961А
Q3 = BC557 или BC327
Q4 = КТ 827А
U1, U2, U3 = TL081, операционный усилитель
D12 = светодиод

Теперь я расскажу, как я его собирал. Трансформатор уже взял готовый от усилителя. Напряжение на его выходах составило порядка 22 Вольта. Потом стал подготавливать корпус для моего БП (блок питания)

-11

Далее с помощью ЛУТа сделал печатную плату (печатка и описание работы блока питания будут в конце статьи по ссылке):

протравил

-12
-13

отмыл тонер

-14

просверлил отверстия:

-15

Запаял кроватки для ОУ (операционных усилителей) и все другие радиоэлементы, кроме двух мощных транзисторов (они будут лежать на радиаторе) и переменных резисторов:

-16

А вот так плата выглядит уже с полным монтажом:

-17

Подготавливаем место под платку в нашем корпусе:

-18

Приделываем к корпусу радиатор:

-19

Не забываем про кулер, который будет охлаждать наши транзисторы:

-20

Ну и после слесарных работ у меня получился очень хорошенький блок питания. Ну как вам?

-21

Описание работы, печатку и список радиоэлементов я взял здесь в конце статьи.

Ну а если кому лень заморачиваться, то всегда можно приобрести за копейки подобный кит-набор этой схемы на Алиэкпрессе по этой ссылке

-22
-23