Найти в Дзене
Рома Васильивич

10 Схем для начинающих радиолюбителей

сли вы только начали заниматься радиоэлектроникой и не знаете что бы такого спаять, то советуем собрать данные схемы, тем самым повысив свои знания и навыки. Схемы достаточно просты, детали доступны, а некоторые из них обязательно пригодятся в вашем увлечении.
Список начинается с самых простых схем, заканчивается более сложными. То что надо для начинающего радиолюбителя, надеюсь вам понравится

сли вы только начали заниматься радиоэлектроникой и не знаете что бы такого спаять, то советуем собрать данные схемы, тем самым повысив свои знания и навыки. Схемы достаточно просты, детали доступны, а некоторые из них обязательно пригодятся в вашем увлечении.

Список начинается с самых простых схем, заканчивается более сложными. То что надо для начинающего радиолюбителя, надеюсь вам понравится )

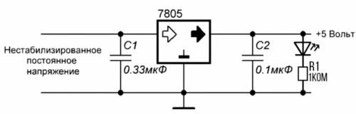
Линейный регулятор напряжения на L7805

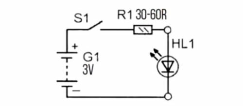
Схема тестера светодиодов

-2

Светомузыкальная мигалка

-3

Мигалка на КТ315

-4

Усилитель звука на транзисторе КТ385Б

-5

Регулятор напряжения на транзисторе

-6

Акустическая мигалка

-7

Зуммер

-8

Сирена воздушной тревоги

-9

Симметричный мультивибратор схема

-10