Найти в Дзене
YURIY KUZNETSOV

Как определить номинальные напряжения обмоток любого трансформатора.

Многие сталкивались с такой ситуацией, когда есть трансформатор, а документации на него нет, зачастую и названия не знаешь. Как определить напряжение обмоток любого трансформатора? Для этого понадобится ЛАТР (лабораторный автотрансформатор), амперметр и вольтметр переменного тока. При наличии небольшого опыта можно обойтись ЛАТРом и авометром. Сначала необходимо, воспользовавшись омметром, прозвонить все обмотки трансформатора. Затем, выбрав любую из них, собрать схему: Далее плавно (от нуля) поднимая напряжение фиксируем показания амперметра. И на основании показаний вольтметра и амперметра строим график зависимости тока от напряжения. Это будет характеристика холостого хода трансформатора для выбранной обмотки. Здесь нас интересует участок перегиба характеристики между точками U1 и U2 в этом диапазоне находится номинальное напряжение этой обмотки. Причем напряжения ближе U1 и меньше его это облегченный режим, а напряжения ближе к U2 и выше это нагруженный и аварийный режим

Многие сталкивались с такой ситуацией, когда есть трансформатор, а документации на него нет, зачастую и названия не знаешь. Как определить напряжение обмоток любого трансформатора?

Для этого понадобится ЛАТР (лабораторный автотрансформатор), амперметр и вольтметр переменного тока. При наличии небольшого опыта можно обойтись ЛАТРом и авометром.

Сначала необходимо, воспользовавшись омметром, прозвонить все обмотки трансформатора.

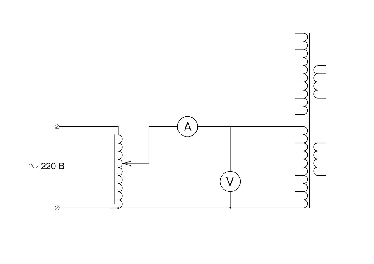
Затем, выбрав любую из них, собрать схему:

Далее плавно (от нуля) поднимая напряжение фиксируем показания амперметра. И на основании показаний вольтметра и амперметра строим график зависимости тока от напряжения. Это будет характеристика холостого хода трансформатора для выбранной обмотки.

-2

Здесь нас интересует участок перегиба характеристики между точками U1 и U2 в этом диапазоне находится номинальное напряжение этой обмотки. Причем напряжения ближе U1 и меньше его это облегченный режим, а напряжения ближе к U2 и выше это нагруженный и аварийный режимы.

Выбрав номинальное напряжение обмотки (оно будет между U1 и U2), оставляем движок ЛАТРа в этом положении и замеряем напряжения на всех остальных обмотках. Это будут номинальные напряжения обмоток.

Следует отметить что данный метод приемлем для трансформаторов работающих в сетях переменного тока частотой 50 Гц.