Найти в Дзене
KROHNE

Расчеты замены расходомера переменного перепада давления ультразвуковым расходомером КРОНЕ

На основании предоставленных данных компании заказчика, подрядчиком инженерной компании была рассчитана годовая прибыль за счет замены расходомера переменного перепада давления с диапазоном измерения дифманометра (выходной пар высокого давления) 405,647 дюйм водяного столба, референтные условия по перепаду давления H2O при 68,0 град. F и подача питательной воды высокого давления 629,000 дюйм

На основании предоставленных данных компании заказчика, подрядчиком инженерной компании была рассчитана годовая прибыль за счет замены расходомера переменного перепада давления с диапазоном измерения дифманометра (выходной пар высокого давления) 405,647 дюйм водяного столба, референтные условия по перепаду давления H2O при 68,0 град. F и подача питательной воды высокого давления 629,000 дюйм водяного столба при базовой нагрузке, ультразвуковыми расходомерами с перепадом давления равным 0 дюйм водяного столба.

Расчеты выполнены для базовой нагрузки пара высокого давления на выходе котла с давлением 2433,0 фунтов/кв. дюйм абс. и температурой 1040,0 град. F для измерений, выполненных как расходомером переменного перепада давления, так и ультразвуковым расходомером.

Выполнены замеры давление пара на входе и на выходе паровой турбины выделены опорные точки: коэффициент непрерывной эксплуатации: 8000 часов/г, Стоимость энергии $0,10/кВт/ч

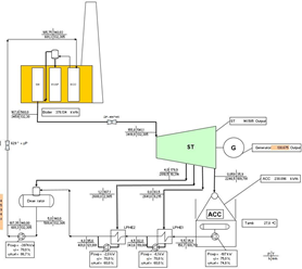
На Рисунках 1, 2 и 3 изображена технологическая схема модели установки, которая была подготовлена для выполнения расчетов. В данной модели был сделан акцент на моделировании паровой турбины, конденсатора и тракта питательной воды.

Рисунок 1: Модель термодинамической установки с расходомерами переменного перепада давления на входе и выходе линии

-2

Нагрузка насоса питательной воды котла: 3974 кВтэ (электрическая нагрузка)

Нагрузка паротурбинного генератора: 138,675 кВтэ (выход электроустановки)

Рисунок 2: Модель термодинамической установки с ультразвуковым расходомером на входе и расходомером переменного перепада давления на выходе линии

-3

Нагрузка насоса питательной воды котла: 3939 кВтэ (электрическая нагрузка)

Нагрузка паротурбинного генератора: 138673 кВтэ (выход электроустановки75)

Рисунок 3: Модель термодинамической установки с ультразвуковыми расходомерами на входе и выходе линии

-4

Нагрузка насоса питательной воды котла: 3030 кВтэ (электрическая нагрузка)

Нагрузка паротурбинного генератора: 138752 кВтэ (выход электроустановки)

Выводы:

· Для финансовой оптимизации подходят все типы электростанций: от электростанций комбинированного цикла до каменноугольных тепловых электростанций.

· Модели производительности электростанций, настроенные с помощью программного обеспечения, способны оптимизировать все виды контролируемых параметров установки, таких как расходомеры.

· Согласно текущим расчетам, эксплуатационная выгода ультразвуковых расходомеров по сравнению с расходомерами переменного перепада давления будут примерно $ 90 000,- и $ 100 000,- в год.

· В модели электростанции взяты ориентировочные данные, в действительности расчетные данные могут отличаться, однако, вычисленная разница полученных значений с расходомера переменного перепада давления и ультразвукового расходомера не будут иметь значительную разницу.

· Для получения более точных результатов вычислений, необходимо иметь больше данных по установке.

Преимущества для Заказчиков:

Какие же ключевые отличия от расходомеров переменного перепада давления можно выделить?

  1. Отсутствие потери давления в связи с отсутствие препятствий для потока
  2. Отсутствие возмущений потока из-за изменения давления,
  3. Широкий динамический диапазон,
  4. Устойчивость к загрязнению даже при химической очистке и продувке паром.

Главные преимущества:

  1. Отсутствие технологических запорных клапанов и 5-ходовых коллекторов,
  2. Отсутствие импульсной трубки, которая может быть подвержена закупорке,
  3. Отсутствие требований к утеплению,
  4. Экономия за счет снижения времени и стоимости монтажа.
  5. Ключевые факторы успеха ультразвуковых расходомеров:
  6. Более простое измерение по сравнению с расходомерами переменного перепада давления
  7. Низкая стоимость монтажа для подрядчиков
  8. Низкая общая стоимость владения для владельцев / операторов за счет незначительных расходов на техническое обслуживание