Найти в Дзене
СамЭлектрик.ру

Трехфазный калорифер. Схема и опыт подключения

Недавно пришлось мне подключать электрический калорифер ЭКОЦ-25. Его фото и параметры можно легко найти в интернете, а схема приведена в начале статьи.
Калорифер для воздушного обогрева помещений состоит из корпуса, в котором установлены три ступени электронагревателей и электродвигатель вентилятора. Вентилятор калорифера засасывает уличный воздух, ТЭНы его нагревают, и
Оглавление

Схема калорифера внутри
Схема калорифера внутри

Недавно пришлось мне подключать электрический калорифер ЭКОЦ-25. Его фото и параметры можно легко найти в интернете, а схема приведена в начале статьи.

Калорифер для воздушного обогрева помещений состоит из корпуса, в котором установлены три ступени электронагревателей и электродвигатель вентилятора. Вентилятор калорифера засасывает уличный воздух, ТЭНы его нагревают, и далее воздух поступает в обогреваемое помещение.

Как следует из названия, главный параметр – мощность калорифера – имеет значение 25 кВт. Кроме того, калорифер – источник повышенной пожароопасности, поэтому к его установке и подключению надо подходить ответственно.

ТЭНы в таких схемах, как правило, включены в систему “Звезда”, напряжение каждого ТЭНа – 220В. Подробнее рассказано в статье про системы Звезда и Треугольник, которые используются в однофазной и трехфазной сетях 220 В и 380 В.

Предыдущий калорифер имел примерно такую же мощность, и был подключен по такой схеме:

Как нельзя подключать калорифер. Неправильная схема промышленного калорифера на 380 В.
Как нельзя подключать калорифер. Неправильная схема промышленного калорифера на 380 В.

Как видно из схемы, двигатель вентилятора (воздуходува) мощностью менее 1 кВт подключен параллельно с тенами мощностью почти 25 кВт.

Будет ли работать такая схема? Конечно, будет. Вот только около такого калорифера надо постоянно дежурить с огнетушителем и быть готовым отключить в случае чего рубильник.

У этой схемы есть только одна защита – термореле, которое должно в ответственный момент отключить пускатель и не допустить перегрев и возникновение пожара. Есть и преимущество – от шкафа управления к калориферу идет только один трехфазный провод (плюс земля и два проводка на термо реле). Это тот случай, когда экономятся деньги в ущерб безопасности.

В данном случае оказалось, что двигатель крутиться перестал (пропала фаза или что было – уже не известно), термореле сработать не успело или совсем не сработало, в результате чудом удалось избежать пожара.

Нормальная схема калорифера

Я принялся искать более толковую схему подключения калорифера. Оказалось, что есть специальный Блок Управления калорифером БУ-3-25. Из названия следует, что он имеет 3 степени регулирования и мощность нагрузки 25 кВт. Схемы его не оказалось, имеется только схема подключения:

Схема подключения блока управления калорифером
Схема подключения блока управления калорифером

Из этой схемы видно, что блок управления переключает секции ТЭНов в соответствии с заданной температурой. Из описания следует, что блок контролирует температуру в обогреваемом помещении и в случае, если она ниже, чем заданная, включает калорифер.

Также в моделях калориферов ЭКОЦ с мощностью 40 и более кВт обеспечивается задержка выключения вентилятора при выключении ТЭНов. Температура задается плавно потенциометром, а включением количества секций нагрева изменяется мощность (скорость) нагрева (достижения заданной температуры).

Термореле ТК-20 обеспечивает аварийную защиту от перегрева в случае нагрева корпуса калорифера выше 140 0С.

Мне требовалось создать шкаф управления без особых изысков, ступенчатого и тем более плавного изменения мощности и температуры не требовалось. Обогревать необходимо производственное помещение площадью около 120 кв.м в зимнее время.

За основу решено было взять такую схему:

Схема пульта управления калорифером (исходный вариант)
Схема пульта управления калорифером (исходный вариант)

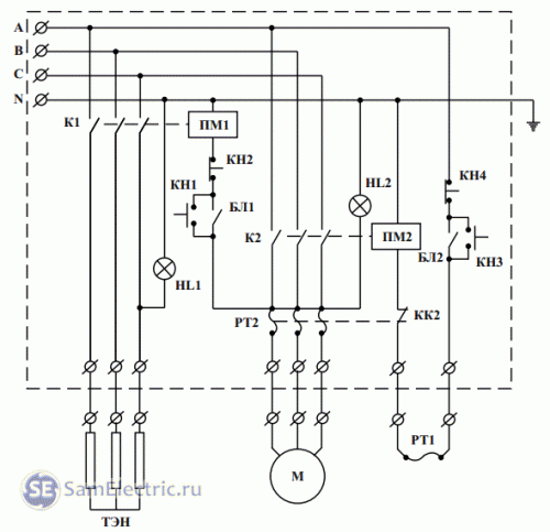
Эта схема имеет температурную защиту, защиту двигателя вентилятора, блокировку включения ТЭНов без вентилятора (на схеме показана как-то не явно), индикацию включения. В результате блок управления калорифером собран по нижеприведенной схеме:

Калорифер для приточной вентиляции – электрическая схема подключения
Калорифер для приточной вентиляции – электрическая схема подключения

Работает схема следующим образом. Сначала первой кнопкой ПУСК включается пускатель КМ1 и запускается вентилятор калорифера. Двигатель вентилятора защищен тепловым реле РТЛ на соответствующий ток. При срабатывании теплового реле (проблема с вентилятором) цепь питания пускателя КМ1 размыкается, и питание двигателя отключается.

Когда включен вентилятор калорифера, возможно включение ТЭНов, благодаря замыканию блокировочных контактов КМ1.5. ТЭНы включаются нажатием второй кнопки ПУСК. При этом включается промежуточный пускатель КМ2, который включает мощный пускатель 4-й величины, включающий через свои контакты собственно ТЭНы. Нагреватели подключены все сразу для максимальной мощности нагрева помещения.

В этой схеме для обеспечения пожарной безопасности предусмотрены такие способы защиты:

  • защита от остановки двигателя (тепловое реле RT1)
  • защита от включения нагрева без включения вентилятора (КМ1.5)
  • защита от проблем (перегрева) мощного пускателя (контакты RT2) – это ставить не обязательно
  • защита от перегрева корпуса калорифера выше 140 0С (тепловое реле RT3). При этом вентилятор продолжит вращаться в обычном режиме, что легко устранит перегрев.

Схему можно дополнить индикацией включения пускателей и индикацией аварий (замыкающие контакты тепловых реле). Также можно ввести трехполюсный автоматический выключатель на цепь питания ТЭНов. Ток – 40 или 50 Ампер. И автомат на 63 Ампера на вход устройства, так как пусковой ток небольшой.

Но ставить автомат на цепь питания вентилятора категорически не рекомендую (разве что с доп.контактами). Ведь если он отключится, защиту обеспечит только термореле RT3, а после его срабатывания температура корпуса калорифера может достигнуть 200 0С из-за тепловой инерции. Кроме того, надежность срабатывания термореле у меня лично вызывает сомнение.

Схема управления

И в заключение о реализации блока управления. Схема собрана на пускателях, параметры которых приведены на схеме. Шкаф управления калорифером необходимо установить  по возможности ближе к калориферу. Это позволит избежать большой длины трассы, а главное – проводов большого сечения. Однако, на шкаф не должен воздействовать горячий воздух.

Трасса состоит из таких кабелей:

  • кабель 4х6 – питание ТЭНов, заземление. Провод заземления рекомендуется прокладывать отдельно.
  • кабель 4х1,5 – питание электродвигателя вентилятора калорифера, заземление двигателя.
  • кабель 2х1,0 (2х0,75) – провода к термореле.

Электрический промышленный калорифер является очень энергоемким устройством, потребляющим в данном случае 25 кВт в час. Так как стоимость обогрева электрическим способом высока, гораздо выгоднее применять водяные калориферы, а электрические устанавливать на крупных предприятиях. Например, в моём случае мощность промышленного оборудования в обогреваемом цеху составляет более 100 кВт.

На настоящий момент калорифер работает более года (прошло 2 зимних периода) без нареканий.

Будете переодеваться зимой в раздевалке цеха "Котельный-2" завода "Красный котельщик" Таганрога - вспомните меня добрым словом!

Источник статьи

Если интересны темы канала, заходите также на мой сайт - https://samelectric.ru/ и в группу ВК - https://vk.com/samelectric

Не забываем подписываться и ставить лайки, впереди много интересного!

Обращение к хейтерам: за оскорбление Автора и Читателей канала - отправляю в баню.